一乐电子

 找回密码
 请使用微信账号登录和注册会员

QQ登录

只需一步,快速开始

微信扫码登录

手机号码,快捷登录

手机号码,快捷登录

搜索
查看: 6695|回复: 19

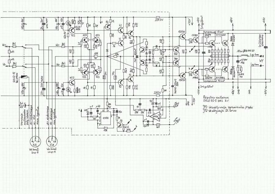
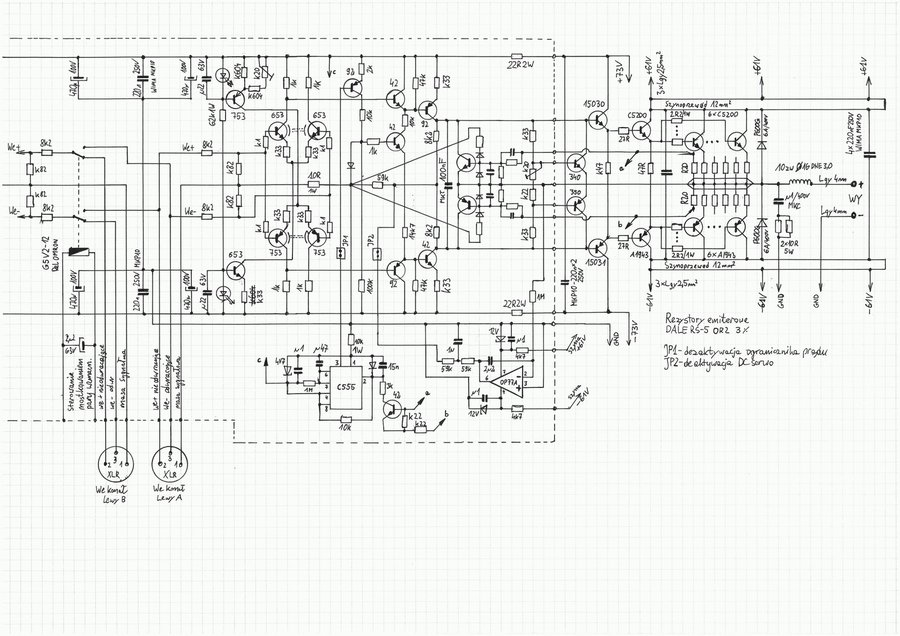
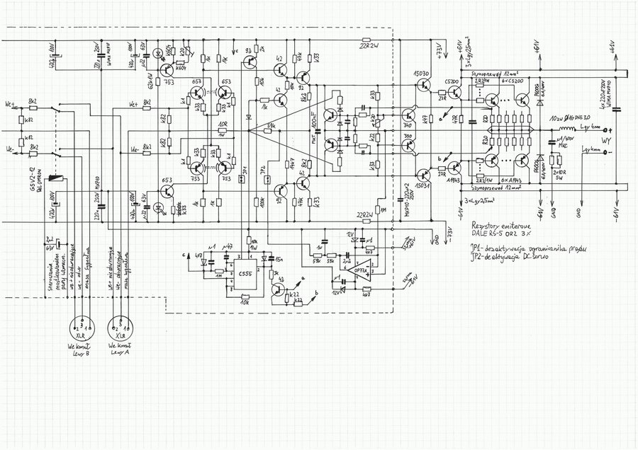
发点大功率放大器资料

  [复制链接]
发表于 2011-10-25 16:14 | 显示全部楼层 |阅读模式
发表于 2011-10-25 16:28 | 显示全部楼层
爽!
那个电容阵列用台湾电容,美系日系的用不起!
回复

使用道具 举报

发表于 2011-10-25 16:29 | 显示全部楼层
额,我汗!现在的农村人不简单呐
回复

使用道具 举报

发表于 2011-10-25 16:34 | 显示全部楼层
这么多电容放烟花应该不错~~~
回复

使用道具 举报

发表于 2011-10-25 16:46 | 显示全部楼层
看图纸像是鬼佬做的
回复

使用道具 举报

发表于 2011-10-25 16:54 | 显示全部楼层
好巨大的一只环形变压器呀!!!
回复

使用道具 举报

发表于 2011-10-25 17:01 | 显示全部楼层
在、这个也忒猛了点,烧钱啊  
回复

使用道具 举报

发表于 2011-10-25 17:25 | 显示全部楼层
我X 啊!我最喜爱了!有时间搞几个三肯去搞一个1kw的发烧一下,争取把我们电信楼镇跨!!!!!!!
回复

使用道具 举报

发表于 2011-10-25 17:57 | 显示全部楼层
大哥,40个电容啊
回复

使用道具 举报

发表于 2011-10-25 18:08 | 显示全部楼层
太震撼了!
回复

使用道具 举报

本版积分规则

QQ|一淘宝店|手机版|商店|一乐电子 ( 粤ICP备09076165号 ) 公安备案粤公网安备 44522102000183号

GMT+8, 2025-11-24 09:00 , Processed in 0.046922 second(s), 30 queries , Gzip On.

Powered by Discuz! X3.5

© 2001-2025 Discuz! Team.

快速回复 返回顶部 返回列表