一乐电子

 找回密码
 请使用微信账号登录和注册会员

QQ登录

只需一步,快速开始

微信扫码登录

手机号码,快捷登录

手机号码,快捷登录

搜索
查看: 227447|回复: 580

[avr] M8数控电源V7

 火... [复制链接]
发表于 2011-5-21 15:17 | 显示全部楼层 |阅读模式
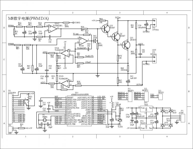
M8数控电源V7

旧版本M8数字电源


电路图
M8数控电源V7.PNG

数码旋转开关
数码旋转开关.jpg

主板.jpg
1604
1604屏.jpg
双数码旋转开关
双旋转开关.jpg

增加功能
使用TL431做电压基准。

使用两个旋转编码开关分别控制电压、电流

RS232数据输出,连接电脑
通信波特率38400bps,输出数据速度为50次/秒
输出格式
设定电压 设定电流 输出电压 输出电流 输入电压

校正方式与旧版V6程序一样

测试程序:
2011-07-09
增加电压软启动,抑制开关电源和短路恢复的电压过冲现象。波形见下楼
M8数控电源V7.20.rar
M8数控电源V7.20.rar (8.03 KB, 下载次数: 3046)



2011-05-21
M8熔丝位:低位2E,高位D1
M8数控电源V7.11b.rar
M8数控电源V7.11b.rar (7.99 KB, 下载次数: 1797)

源代码 M8数控电源V7源代码.rar (80.55 KB, 下载次数: 0, 售价: 10 人民币)



声明:
该设计及资料仅供本论坛注册会员测试使用。未经许可不得用于其他用途。



评分

参与人数 7一乐金币 +56 收起 理由
zb_zcj + 1 赞一个!
bighuasheng + 5 很给力!
lfp136 + 5 赞一个!
wzhy154957 + 10 很给力!
cuit4017 + 5 很给力!
icevel + 20
MJG365 + 10

查看全部评分

 楼主| 发表于 2011-5-21 15:17 | 显示全部楼层
本帖最后由 GandF 于 2011-7-9 23:58 编辑

波形图


输出设定为5V
示波器探头正负接反了。

2011-07-09
重启系统输出端波形
IMG006-800.jpg
输出短路恢复
IMG007-800.jpg


接入系统电源后,接入19V输入电压的输出端波形
2V/DIV     100mS/DIV
接入19V输入电压的输出端波形.GIF

重启系统输出端波形
2V/DIV     100mS/DIV
重启系统输出端波形.GIF

5V输出波纹电压
20mV/DIV     1mS/DIV
5V输出20mV交流波形图.GIF
回复

使用道具 举报

 楼主| 发表于 2011-5-21 15:18 | 显示全部楼层
本帖最后由 GandF 于 2011-6-5 18:49 编辑



组装完毕

外壳是以前 正成小电源铁外壳。
主电源使用 一乐 的32V电源改成35V。副电源使用9V。由于9V电源属垃圾级别,没有交流输入滤波电路,因此共用32V主电源的输入滤波电路部分。
使用KIC-125做电压跟随。

图像010_副本.jpg
回复 0 1

使用道具 举报

发表于 2011-5-21 15:21 | 显示全部楼层
厉害,更新速度快
回复

使用道具 举报

发表于 2011-5-21 15:34 | 显示全部楼层
支持!!
RS232数据输出,连接电脑这个用什么软件
回复 0 1

使用道具 举报

发表于 2011-5-21 15:42 | 显示全部楼层
.............................
回复 1 0

使用道具 举报

发表于 2011-5-21 15:57 | 显示全部楼层
有套件?
回复

使用道具 举报

发表于 2011-5-21 16:04 | 显示全部楼层
LZ太牛了,V4改V6还没弄好就出V7的了,电压、电流分开比较方便。
一定要改,
换LCD2004驱动怎么弄。
回复

使用道具 举报

发表于 2011-5-21 16:04 | 显示全部楼层
硬件电路和以前还是一样吧
回复

使用道具 举报

发表于 2011-5-21 16:06 | 显示全部楼层
晕,级别不够下不了。
回复

使用道具 举报

本版积分规则

QQ|一淘宝店|手机版|商店|一乐电子 ( 粤ICP备09076165号 ) 公安备案粤公网安备 44522102000183号

GMT+8, 2026-4-15 16:01 , Processed in 0.068045 second(s), 32 queries , Gzip On.

Powered by Discuz! X3.5

© 2001-2025 Discuz! Team.

快速回复 返回顶部 返回列表