一乐电子

 找回密码
 请使用微信账号登录和注册会员

QQ登录

只需一步,快速开始

微信扫码登录

手机号码,快捷登录

手机号码,快捷登录

搜索
查看: 6699|回复: 11

原装东芝6寸TFT(模拟)LCD液晶屏35元

[复制链接]
发表于 2009-5-24 21:15 | 显示全部楼层 |阅读模式
今天刚拍了一个原装东芝6寸TFT(模拟)LCD液晶屏,还不知道怎么改
http://img02.taobaocdn.com/bao/uploaded/i2/T1A.XgXiwU7tJEEMHa_120930.jpg_310x310.jpg
发表于 2009-5-24 22:01 | 显示全部楼层
便宜啊,哪里收的?俺一直想搞个修PC的备用显示器
回复

使用道具 举报

 楼主| 发表于 2009-5-24 23:44 | 显示全部楼层
回FAT老师,这个连接是我的哪家的http://item.taobao.com/auction/i ... 676c2&x_id=0db2
回复

使用道具 举报

发表于 2009-5-25 07:47 | 显示全部楼层
如果能改好,也去收一个,不过好像用途不大.有点小了.
回复

使用道具 举报

发表于 2009-5-25 07:58 | 显示全部楼层
分辨率低了些。要是能直接接视频信号就好了
回复

使用道具 举报

发表于 2009-5-25 10:20 | 显示全部楼层


谢谢兄弟了,请您千万别叫俺老师,俺是大菜鸟,咱们还是兄弟相称吧。
回复

使用道具 举报

发表于 2009-5-25 18:13 | 显示全部楼层
原帖由 fat 于 2009-5-24 10:01 PM 发表 https://www.yleee.com.cn/images/common/back.gif
便宜啊,哪里收的?俺一直想搞个修PC的备用显示器




老同,合伙收个研究一下,如何?
回复

使用道具 举报

 楼主| 发表于 2009-5-25 18:30 | 显示全部楼层
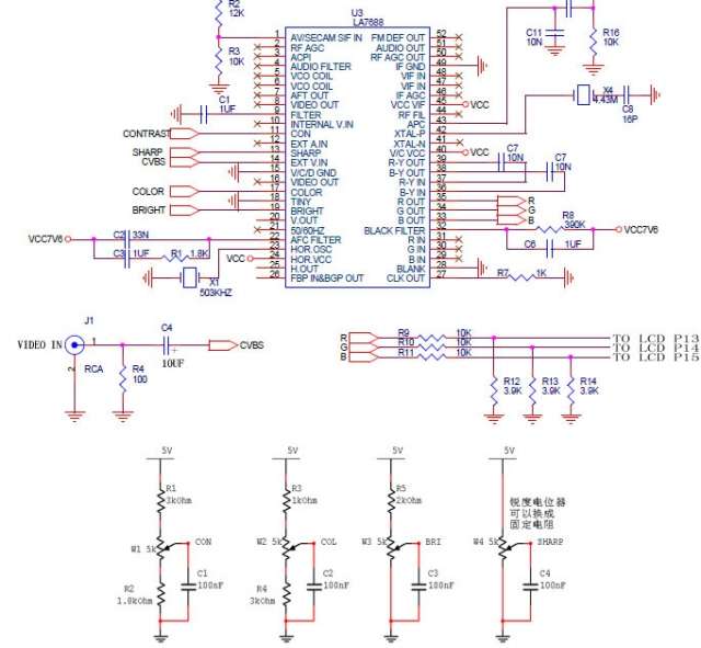
在网上找了一个AV转换R GB的图不知道行不,这个是改夏普的
SpxImage.jpg
回复

使用道具 举报

发表于 2009-5-25 22:52 | 显示全部楼层
这个。。。。俺不懂,怕玩不转啊,要不此帖移到液晶版请K版帮忙指导一下,如何?
回复

使用道具 举报

发表于 2009-5-26 16:39 | 显示全部楼层
原帖由 fat 于 2009-5-25 10:52 PM 发表 https://www.yleee.com.cn/images/common/back.gif
这个。。。。俺不懂,怕玩不转啊,要不此帖移到液晶版请K版帮忙指导一下,如何?



俺觉得用来做视频类的,没多大意义,是否考虑做示波器的屏?
回复

使用道具 举报

本版积分规则

QQ|一淘宝店|手机版|商店|一乐电子 ( 粤ICP备09076165号 ) 公安备案粤公网安备 44522102000183号

GMT+8, 2025-11-25 07:30 , Processed in 0.034534 second(s), 30 queries , Gzip On.

Powered by Discuz! X3.5

© 2001-2025 Discuz! Team.

快速回复 返回顶部 返回列表