一乐电子

 找回密码
 请使用微信账号登录和注册会员

QQ登录

只需一步,快速开始

微信扫码登录

手机号码,快捷登录

手机号码,快捷登录

搜索
楼主: mikebai521

[其他综合] [转贴]带频谱显示的HIFI耳放

  [复制链接]
发表于 2011-11-22 14:49 | 显示全部楼层
有没有实物,观赏一下
回复

使用道具 举报

 楼主| 发表于 2011-11-22 16:05 | 显示全部楼层
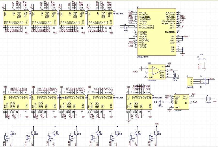
画了个修改的原理图,LED模块没有画,PROTEL库里没有,其他的应该硬件上就是这些东西了。不知道有没有错误,发上来大家看看 频谱.jpg
回复

使用道具 举报

发表于 2011-11-23 14:38 | 显示全部楼层
后排观看,静候套件
好久没动,手痒痒了
回复

使用道具 举报

发表于 2011-12-5 10:25 | 显示全部楼层
记号一下,以后再打算做一个.
回复

使用道具 举报

发表于 2012-1-4 12:03 | 显示全部楼层
后排观看,静候套件# c
回复

使用道具 举报

发表于 2012-1-13 14:17 | 显示全部楼层
没消息了,都回家等过年啦
回复

使用道具 举报

发表于 2012-1-24 03:11 | 显示全部楼层
就是,发个实物图片看也好啊
回复

使用道具 举报

发表于 2013-8-10 15:50 | 显示全部楼层
做好没有啊。
回复

使用道具 举报

本版积分规则

QQ|一淘宝店|手机版|商店|一乐电子 ( 粤ICP备09076165号 ) 公安备案粤公网安备 44522102000183号

GMT+8, 2026-1-30 20:02 , Processed in 0.035435 second(s), 26 queries , Gzip On.

Powered by Discuz! X3.5

© 2001-2025 Discuz! Team.

快速回复 返回顶部 返回列表