黄金会员
主题
回帖0
积分8515
阅读权限40
注册时间2011-10-27
最后登录1970-1-1
在线时间 小时
|
|
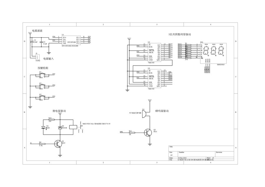
电路图
电路图
说明: 用于定时曝光等
1.最大999分钟或999秒钟
2.支持蜂鸣器报警
3.启动时按住开始为分钟模式否则为秒钟模式
4.按键分别为 K1(开始) K2(增加) K3(减少)
5.按K2开始改变当前定时时间, 每设置完一位按K1确定
6.记忆最后的定时时间
7.在按K1开始计时时记录设定时间, 使用10组历史设定时间作为记录
8.按K2选择历史设定时间, 历史记录按最后使用排序
9.数据掉电保存, 使用均衡写入 (理论写入寿命 100000 * 48 次)
10.按K1开始计时,时间到达蜂鸣器报警,数码管闪烁3秒
11.按K1暂停计时, 显示设定定时时间1秒后显示当前计时时间, 再按K1退出计时
12.按K1暂停计时, 按K2继续计时
13.开启显示当前计时单位 -1- 为秒 -2- 为毫秒 显示2秒后进入系统
14.启动时安装K3清除全部历史数据(eeprom擦除)
元件清单
Part Type Designator Footprint Description
0.1uF C2 805 Capacitor
1K R11 805
4.7K R9 805
5V 电磁式蜂鸣器 U4 RB.3/.6 Buzzer
10uF C1 RB4.2 Capacitor
74HC595 U3 SO-16 8-BIT SFT REG WIRTH OUTPUT LCH
74HC595 U2 SO-16 8-BIT SFT REG WIRTH OUTPUT LCH
330 R10 805
470 R6 805
470 R5 805
470 R8 805
470 R7 805
470 R2 805
470 R1 805
470 R4 805
470 R3 805
9013 Q1 TO-92_NPN NPN Transistor
9013 Q2 TO-92_NPN NPN Transistor
CON2 J1 SIP-2 Connector
IN4148 D2 DIODE-IN4148 Diode
LED D1 LED
SM420363 DS1 JM-S03631A-B 共阴3位数码管 SM420363 0.36英寸数码管
SRD-5VDC-SL-C继电器松乐牌,T73-5V K4 RELAY_SRD
STC15F104E-35I-SOP8 U1 SO-8 STC15F1xx 8Pin
SW3 K3 SW_GFG005 四角开关
SW3 K2 SW_GFG005 四角开关
SW3 K1 SW_GFG005 四角开关
固件下载
timer.rar
(2.65 KB, 下载次数: 2288)
没别的问题, 就是不准 可能快点也可能慢点 用逻辑分析仪测试 480秒在+-3秒内...
因为用的是STC15F104E 用的内部震荡器 所以不准
献给手里有STC15F104E不知道干嘛用的朋友 |
评分
-
查看全部评分
|