一乐电子

 找回密码
 请使用微信账号登录和注册会员

QQ登录

只需一步,快速开始

微信扫码登录

手机号码,快捷登录

手机号码,快捷登录

搜索
楼主: 造化为工

想DIY一个数显白光,但是不知道白光头子的温度系数是多少,感觉无从下手啊

  [复制链接]
发表于 2012-1-20 21:57 | 显示全部楼层
回复

使用道具 举报

发表于 2012-1-20 21:58 | 显示全部楼层
123.JPG
回复

使用道具 举报

发表于 2012-1-20 22:02 | 显示全部楼层
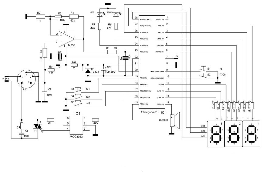
焊台.rar (4.91 KB, 下载次数: 904)
回复

使用道具 举报

发表于 2012-1-20 22:14 | 显示全部楼层
P2204_20-01-12.JPG
回复

使用道具 举报

发表于 2012-1-21 10:04 | 显示全部楼层
回复 22# khynj


    这个不错
回复

使用道具 举报

发表于 2012-1-21 12:59 | 显示全部楼层
回复 23# khynj
谢谢兄弟。有时间山寨一个!
回复

使用道具 举报

发表于 2012-2-5 22:08 | 显示全部楼层
回复 24# khynj


   不错 很漂亮
回复

使用道具 举报

发表于 2012-2-18 12:52 | 显示全部楼层
我是按照大约1mv 50度这样来定的。
回复

使用道具 举报

本版积分规则

QQ|一淘宝店|手机版|商店|一乐电子 ( 粤ICP备09076165号 ) 公安备案粤公网安备 44522102000183号

GMT+8, 2025-11-24 14:50 , Processed in 0.035099 second(s), 26 queries , Gzip On.

Powered by Discuz! X3.5

© 2001-2025 Discuz! Team.

快速回复 返回顶部 返回列表