一乐电子

 找回密码
 请使用微信账号登录和注册会员

QQ登录

只需一步,快速开始

微信扫码登录

手机号码,快捷登录

手机号码,快捷登录

搜索
查看: 4398|回复: 11

问问M8电源 以及负载 的 源程序有吗?想改一下 用在别的液晶上

  [复制链接]
发表于 2012-1-8 01:22 | 显示全部楼层 |阅读模式
如题,源程序是指 C语言的 或者 汇编的 ,不是烧写的程序
发表于 2012-1-8 03:53 | 显示全部楼层
没有
回复

使用道具 举报

发表于 2012-1-8 12:00 | 显示全部楼层
有钱可以把他的软件专利权买下,想怎么改就怎么改。
回复

使用道具 举报

发表于 2012-1-9 11:51 | 显示全部楼层
我在奇怪为什么G大每次的程序都是1604的。是好写还是咋。。现在貌似2004多而且不1604便宜吧。
回复

使用道具 举报

发表于 2012-1-9 13:05 | 显示全部楼层
估计c源码和汇编源码,不太好找,这是牵扯到知识产权的。
回复

使用道具 举报

 楼主| 发表于 2012-1-17 23:28 | 显示全部楼层
感觉这样DIY的层次也太低了 啊,就是在山寨 啊,呵呵
回复

使用道具 举报

发表于 2012-1-18 09:06 | 显示全部楼层
感觉这样DIY的层次也太低了 啊,就是在山寨 啊,呵呵
cdl35 发表于 2012-1-17 23:28 https://www.yleee.com.cn/images/common/back.gif



坛子上有好多兄弟都并非电子行业上的,因为喜欢捣鼓电子玩意就聚到了一块,
并非人人都像楼主有那么高的技术,
所以也只能山寨山寨,
楼主不妨自己开发一套数控电源,
让坛友也来山寨山寨你的电源,
回复

使用道具 举报

发表于 2012-2-4 11:58 | 显示全部楼层
我也是这么认为,程序与液晶的配套不够。
回复

使用道具 举报

发表于 2012-2-5 21:54 | 显示全部楼层
如题,源程序是指 C语言的 或者 汇编的 ,不是烧写的程序
cdl35 发表于 2012-1-8 01:22 https://www.yleee.com.cn/images/common/back.gif



    M8数控电源的源程序应不难找到,给你几个建议:
1、身边如有科技书店,买一本AVR单片机(ATmega8)的书,数字电压表是入门教程,你可根据那个程序按你的要求改一下就行了;
2、《无线电》杂志2007年那一期记不好了,对M8数控电源的制做有祥细的介绍,它用的程序是汇编的;
3、国内M8数控电源热,据我所知,起源于一个国外的网站,它对M8——2R2数控电源在原理、使用、制作、源程序等都有非常祥细的介绍。
网址:http://www.tuxgraphics.org/electronics/200707/bench-power-supply-unit.shtml
如你运气好,你要的东西都能找到,但前提是,你外语要好。
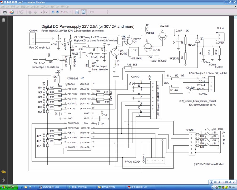
这是它的M8数控电源的电路图:

YM8-2R2.gif
如还没有,等有时间我把手里的资料整理一下!
回复

使用道具 举报

发表于 2012-2-5 22:04 | 显示全部楼层
回复 9# kjyhaohbv

很详细的学习资料, 谢谢分享.

回复

使用道具 举报

本版积分规则

QQ|一淘宝店|手机版|商店|一乐电子 ( 粤ICP备09076165号 ) 公安备案粤公网安备 44522102000183号

GMT+8, 2025-11-25 04:24 , Processed in 0.035279 second(s), 30 queries , Gzip On.

Powered by Discuz! X3.5

© 2001-2025 Discuz! Team.

快速回复 返回顶部 返回列表