一乐电子

 找回密码
 请使用微信账号登录和注册会员

QQ登录

只需一步,快速开始

微信扫码登录

手机号码,快捷登录

手机号码,快捷登录

搜索
楼主: keanu131

亮了,哇咔咔!

[复制链接]
 楼主| 发表于 2012-4-18 20:41 | 显示全部楼层
回复 1# keanu131

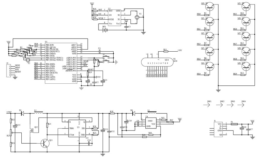
把制作过程中的一些资料和想法放到这里吧
   来自网络,冒犯版权请通知我哦
sch.png
val.png
200904061538505k.jpg

6E2_YUKI.pdf

36.69 KB, 下载次数: 347, 下载积分: 一乐金币 -1

ourdev_637755AR4NUW.pdf

91.78 KB, 下载次数: 323, 下载积分: 一乐金币 -1

A42 B331.pdf

108.12 KB, 下载次数: 339, 下载积分: 一乐金币 -1

回复

使用道具 举报

本版积分规则

QQ|一淘宝店|手机版|商店|一乐电子 ( 粤ICP备09076165号 ) 公安备案粤公网安备 44522102000183号

GMT+8, 2026-3-15 01:40 , Processed in 0.029216 second(s), 19 queries , Gzip On.

Powered by Discuz! X3.5

© 2001-2025 Discuz! Team.

快速回复 返回顶部 返回列表