一乐电子

 找回密码
 请使用微信账号登录和注册会员

QQ登录

只需一步,快速开始

微信扫码登录

手机号码,快捷登录

手机号码,快捷登录

搜索
查看: 9827|回复: 23

[其他综合] LCD12232自行车路码表

  [复制链接]
发表于 2012-5-2 16:47 | 显示全部楼层 |阅读模式
本帖最后由 280078498 于 2012-5-2 19:26 编辑

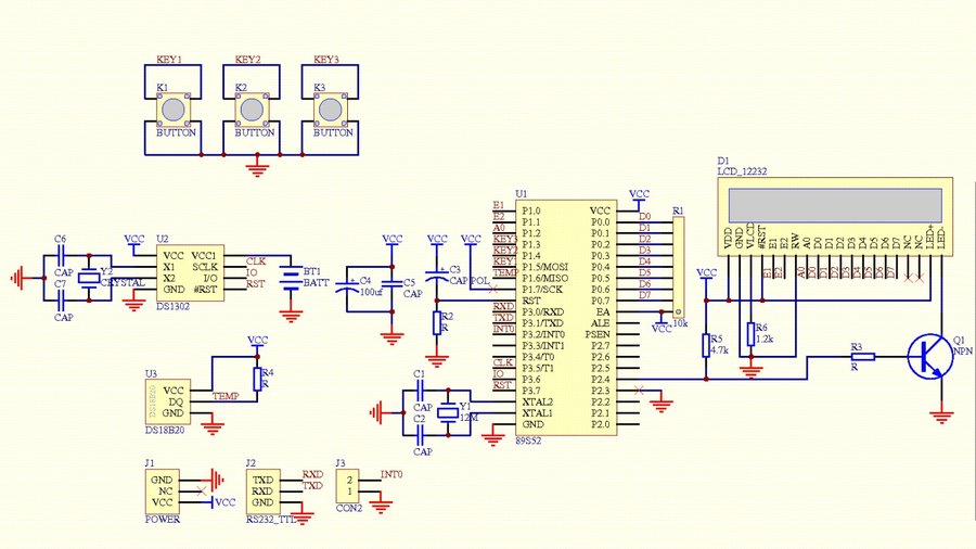
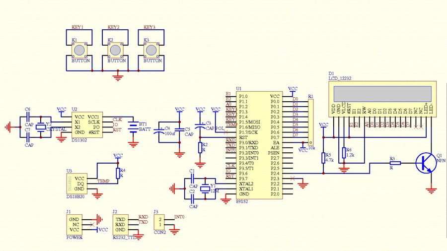
看到论坛上有人制作,在淘宝上买了一块12232,结果发现与原设计的型号不一样,先发上来看谁能修改一下程序和接线图,希望和大家共享。我买的12232LCD屏接线方式和1602是一样的 1.jpg 21.jpg 我在淘宝上买的12232屏 12232液晶屏.jpg 这个是原来用的12232屏https://www.yleee.com.cn/viewthread.php?tid=1343&highlight=12232
speed_meter_keil_51.rar (90.44 KB, 下载次数: 2051)


我买到的屏
发表于 2012-5-2 18:53 | 显示全部楼层
这。。。不是我做的么。突然看到又在首页晃荡了。
去问买家要例程,代码,手册,资料哈。
回复

使用道具 举报

 楼主| 发表于 2012-5-2 19:19 | 显示全部楼层
本帖最后由 280078498 于 2012-5-3 10:56 编辑

IMAG0121.jpg IMAG0123.jpg 回复 2# litchiate
这是我买的屏,厂家啥也没有提供,型号是HJ12232F,共计22个脚,请帮忙改一下程序和接线图,准备装到电动车上,谢谢 IMAG0125.jpg
回复

使用道具 举报

 楼主| 发表于 2012-5-3 10:27 | 显示全部楼层
版主不在吗?
回复

使用道具 举报

发表于 2012-5-3 12:10 | 显示全部楼层
版主不在吗?
280078498 发表于 2012-5-3 10:27 https://www.yleee.com.cn/images/common/back.gif

    恩 ,不在。
不知啥芯片的没法改。
回复

使用道具 举报

发表于 2012-5-3 12:25 | 显示全部楼层
回复 4# 280078498


    这个就是草版的原创,还不求他???
回复

使用道具 举报

发表于 2012-5-3 12:54 | 显示全部楼层
放到电动车上很不错,放到普通单车上就没啥意思了
回复

使用道具 举报

发表于 2012-5-3 18:47 | 显示全部楼层
找卖家要资料和程序吧

不然的话没办法改
回复

使用道具 举报

发表于 2012-5-3 18:59 | 显示全部楼层
你这个lcd应该是ST7920驱动的

试下这个能否驱动 http://www.mcu123.com/news/article/design/uc/200610/2364.html
只接串口就好

lcd液晶12232F的串口C51程序(ST7920)

作者:佚名    文章来源:本站原创    点击数:4070    更新时间:2006-10-18     



lcd液晶12232F的串口C51程序
<--Element not supported - Type: 8 Name: #comment-->



由于12232F这个显示器用得比较平常,但平常见到的是一些并口的汇编程序,并且也没有对应于12232F的并口程序,串口的C51程序极少见,为了方便大家使用,所以本站把它调试了一个出来,大家多多指教!


由于12232F这个显示器用得比较平常,但平常见到的是一些并口的汇编程序,并且也没有对应于12232F的并口程序,串口的C51程序极少见,为了方便大家使用,所以本站把它调试了一个出来,大家多多指教!

/******************************************************/
/*作者:赖卫国 email:laiweiguo@163.com */
/* */
/* 12232F串口驱动程序C51,11.0592M晶振 */
/*使用这款LCD应该要注意的问题: */
/*一定要在VO与VDD及VSS这三个脚间接一个20K的电位器, */
/*电位器的中间脚接VO,其它二脚接VDD和VSS。 */
/*然后调节电位器的大小,直到有显示为止。若是不接的话,*/
/*显示器可能是一片黑暗,什么也没有显示,发命令也没有反*/
/*应的。本程序我已经测试通过了。欢迎大家提出意见。 */
/******************************************************/
#include <AT89X52.H>
#include <intrins.h>



#define uint unsigned int
#define uchar unsigned char



/*12232f pins define*/
sbit CS=P1^5;
sbit SID=P1^6;
sbit SCLK=P1^7;



void delay_1ms(uint x)
{
uint j;
uchar i;
for(j=0;j<x;j++)
{
for(i=0;i<120;i++);
}
}



void send_command(uchar command_data)
{
uchar i;
uchar i_data,temp_data1,temp_data2;
i_data=0xf8;
delay_1ms(10);
CS=1;
SCLK=0;
for(i=0;i<8;i++)
{
SID=(bit)(i_data&0x80);
SCLK=0;
SCLK=1;
i_data=i_data<<1;
}
i_data=command_data;
i_data&=0xf0;
for(i=0;i<8;i++)
{
SID=(bit)(i_data&0x80);
SCLK=0;
SCLK=1;
i_data=i_data<<1;
}
i_data=command_data;
temp_data1=i_data&0xf0;
temp_data2=i_data&0x0f;
temp_data1>>=4;
temp_data2<<=4;
i_data=temp_data1|temp_data2;
i_data&=0xf0;
for(i=0;i<8;i++)
{
SID=(bit)(i_data&0x80);
SCLK=0;
SCLK=1;
i_data=i_data<<1;
}
CS=0;
}

void send_data(uchar command_data)
{
uchar i;
uchar i_data,temp_data1,temp_data2;
i_data=0xfa;
delay_1ms(10);
CS=1;
for(i=0;i<8;i++)
{
SID=(bit)(i_data&0x80);
SCLK=0;
SCLK=1;
i_data=i_data<<1;
}
i_data=command_data;
i_data&=0xf0;
for(i=0;i<8;i++)
{
SID=(bit)(i_data&0x80);
SCLK=0;
SCLK=1;
i_data=i_data<<1;
}
i_data=command_data;
temp_data1=i_data&0xf0;
temp_data2=i_data&0x0f;
temp_data1>>=4;
temp_data2<<=4;
i_data=temp_data1|temp_data2;
i_data&=0xf0;
for(i=0;i<8;i++)
{
SID=(bit)(i_data&0x80);
SCLK=0;
SCLK=1;
i_data=i_data<<1;
}
CS=0;
}



void lcd_init()
{
uchar command_data;
delay_1ms(100);
command_data=0x30;
send_command(command_data); /*功能设置:一次送8位数据,基本指令集*/
command_data=0x04;
send_command(command_data); /*点设定:显示字符/光标从左到右移位,DDRAM地址加1*/
command_data=0x0f;
send_command(command_data); /*显示设定:开显示,显示光标,当前显示位反白闪动*/
command_data=0x01;
send_command(command_data); /*清DDRAM*/
command_data=0x02;
send_command(command_data); /*DDRAM地址归位*/
command_data=0x80;
send_command(command_data); /*把显示地址设为0X80,即为第一行的首位*/
}



void display_cpubbs()
{
uchar command_data;
while(1)
{
command_data=0x01;
send_command(command_data); /*清DDRAM*/
command_data=0x80;
send_command(command_data); /*把显示地址设为0X80,即为第一行的首位*/
command_data=0x68; /*“h”字的编码*/
send_data(command_data);
command_data=0x74;
send_data(command_data); /*“t”字的编码*/
command_data=0x74;
send_data(command_data); /*“t”字的编码*/
command_data=0x70;
send_data(command_data); /*“p”字的编码*/
command_data=0x3a;
send_data(command_data); /*“:”字的编码*/
command_data=0x2f;
send_data(command_data); /*“/”字的编码*/
command_data=0x2f;
send_data(command_data); /*“/”字的编码*/
command_data=0x57;
send_data(command_data); /*“w”字的编码*/
command_data=0x57;
send_data(command_data); /*“w”字的编码*/
command_data=0x57;
send_data(command_data); /*“w”字的编码*/
command_data=0x2e;
send_data(command_data); /*“.”字的编码*/
command_data=0x63;
send_data(command_data); /*“c”字的编码*/
command_data=0x70;
send_data(command_data); /*“p”字的编码*/
command_data=0x75;
send_data(command_data); /*“u”字的编码*/
command_data=0x62;
send_data(command_data); /*“b”字的编码*/

command_data=0x90;
send_command(command_data); /*把显示地址设为0X90,即为第二行的首位,因为第一行已经满了*/
command_data=0x62;
send_data(command_data); /*“b”字的编码*/
command_data=0x73;
send_data(command_data); /*“s”字的编码*/
command_data=0x2e;
send_data(command_data); /*“.”字的编码*/
command_data=0x63;
send_data(command_data); /*“c”字的编码*/
command_data=0x6f;
send_data(command_data); /*“o”字的编码*/
command_data=0x6d;
send_data(command_data); /*“m”字的编码*/

delay_1ms(3000);

command_data=0x01;
send_command(command_data); /*清DDRAM*/
command_data=0x80;
send_command(command_data); /*把显示地址设为0X80,即为第一行的首位*/

command_data=0xbb;
send_data(command_data);
command_data=0xb6;
send_data(command_data); /*“欢”字的编码*/
command_data=0xd3;
send_data(command_data);
command_data=0xad;
send_data(command_data); /*“迎”字的编码*/
command_data=0xb7;
send_data(command_data);
command_data=0xc3;
send_data(command_data); /*“访”字的编码*/
command_data=0xce;
send_data(command_data);
command_data=0xca;
send_data(command_data); /*“问”字的编码*/
command_data=0x90;
send_command(command_data); /*把显示地址设为0X90,即为第二行的首位,因为第一行已经满了*/
command_data=0x63;
send_data(command_data); /*“c”字的编码*/
command_data=0x70;
send_data(command_data); /*“p”字的编码*/
command_data=0x75;
send_data(command_data); /*“u”字的编码*/
command_data=0x62;
send_data(command_data); /*“b”字的编码*/
command_data=0x62;
send_data(command_data); /*“b”字的编码*/
command_data=0x73;
send_data(command_data); /*“s”字的编码*/
command_data=0xc2;
send_data(command_data);
command_data=0xdb;
send_data(command_data); /*“论”字的编码*/
command_data=0xcc;
send_data(command_data);
command_data=0xb3;
send_data(command_data); /*“坛”字的编码*/
delay_1ms(3000);
}
}



main()
{
uchar command_data;
lcd_init();
display_cpubbs();
while(1);
}


ST7920
回复

使用道具 举报

 楼主| 发表于 2012-5-3 22:11 | 显示全部楼层
回复 9# 阳光999
楼上说的应该对,驱动是ST7920的,我把它接到12864(驱动为ST7620)数字钟上可以显示,但字不全,请问怎样使用到这个路码表上,我跪求版主了,也跪求各位高人了。。。
回复

使用道具 举报

本版积分规则

QQ|一淘宝店|手机版|商店|一乐电子 ( 粤ICP备09076165号 ) 公安备案粤公网安备 44522102000183号

GMT+8, 2026-2-25 20:17 , Processed in 0.042168 second(s), 30 queries , Gzip On.

Powered by Discuz! X3.5

© 2001-2025 Discuz! Team.

快速回复 返回顶部 返回列表