一乐电子

 找回密码
 请使用微信账号登录和注册会员

QQ登录

只需一步,快速开始

微信扫码登录

手机号码,快捷登录

手机号码,快捷登录

搜索
查看: 11035|回复: 23

买了几个老沈3寸共阳数码管,想做个六位电子钟

[复制链接]
发表于 2009-8-5 16:31 | 显示全部楼层 |阅读模式
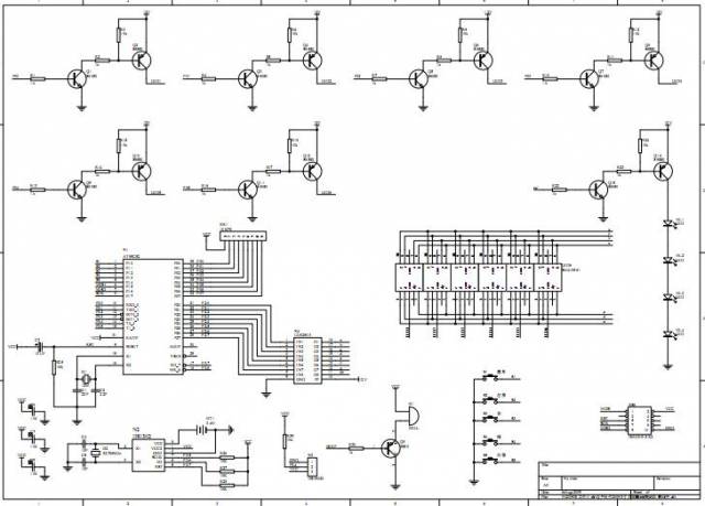
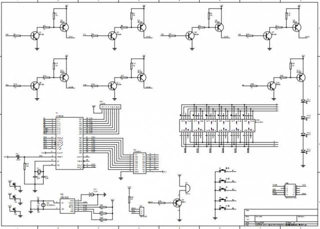
先把原理图放上来看看。
程序等硬件做好后再开始,应该很简单。
1.JPG

[ 本帖最后由 飞雪008 于 2009-8-6 08:08 编辑 ]

3寸共阳数码钟.pdf

65.3 KB, 下载次数: 1395, 下载积分: 一乐金币 -1

 楼主| 发表于 2009-8-8 20:05 | 显示全部楼层
控制板制作完毕,并且已经通过测试,正准备开始写软件
1.jpg
无标题.jpg
2.jpg
回复

使用道具 举报

发表于 2009-8-8 21:07 | 显示全部楼层
等效果图!!
回复

使用道具 举报

发表于 2009-8-8 23:52 | 显示全部楼层
现在感觉还是转印方便点,直接用洞洞板好累啊。
回复

使用道具 举报

发表于 2009-8-8 23:53 | 显示全部楼层
对了,你控制用的8550和8050级联,控制效果如何,试验了吗?
回复

使用道具 举报

 楼主| 发表于 2009-8-10 09:31 | 显示全部楼层
已经制作成功,准备装潢,正在考虑方案,手上什么材料都没有
20090808(002).jpg
回复

使用道具 举报

发表于 2009-8-10 15:02 | 显示全部楼层

制作难度不大,走时的准确性应作为重点

此制作的难度并不大,走时的准确性应作为重点。
回复

使用道具 举报

 楼主| 发表于 2009-8-10 20:00 | 显示全部楼层
DS1302精度还马虎,在程序中增加修正就更加好了
回复

使用道具 举报

 楼主| 发表于 2009-8-26 11:05 | 显示全部楼层
PCB已经加工完成
下面传加工好的图
DSCF0136.JPG
DSCF0132.JPG
DSCF0137.JPG
DSCF0138.JPG
DSCF0139.JPG
回复

使用道具 举报

 楼主| 发表于 2009-8-26 15:17 | 显示全部楼层
电子钟效果图

[ 本帖最后由 飞雪008 于 2009-8-27 15:40 编辑 ]
DSCF0130.JPG
DSCF0131.JPG
DSCF0133.JPG
DSCF0134.JPG
DSCF0145.JPG
DSCF0147.JPG
BOM清单.JPG
回复

使用道具 举报

本版积分规则

QQ|一淘宝店|手机版|商店|一乐电子 ( 粤ICP备09076165号 ) 公安备案粤公网安备 44522102000183号

GMT+8, 2025-12-17 17:27 , Processed in 0.038271 second(s), 30 queries , Gzip On.

Powered by Discuz! X3.5

© 2001-2025 Discuz! Team.

快速回复 返回顶部 返回列表