一乐电子

 找回密码
 请使用微信账号登录和注册会员

QQ登录

只需一步,快速开始

微信扫码登录

手机号码,快捷登录

手机号码,快捷登录

搜索
查看: 1097|回复: 5

分享:室内红绿双色单元板原理图

[复制链接]
发表于 2012-6-19 22:46 | 显示全部楼层 |阅读模式
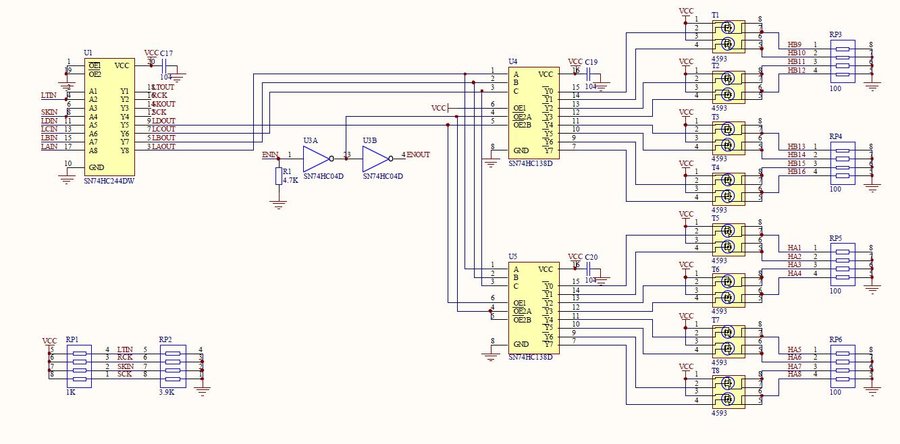
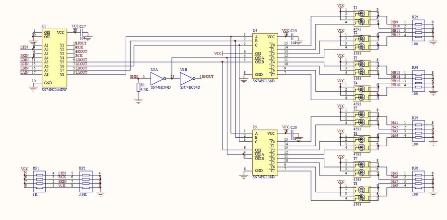
112233.jpg
看到坛子里的朋友喜欢玩点阵屏!但点阵的电路图资料网上实在难找!本着独乐乐不如众乐乐的原则特此共享
附件为32*64 16/1扫 8080接口室内红绿双色单元板原理图
室内双色单元板原理图.pdf (55.12 KB, 下载次数: 201)
发表于 2012-6-20 15:18 | 显示全部楼层
谢谢,这个真好
回复

使用道具 举报

发表于 2012-6-20 23:03 | 显示全部楼层
谢谢楼主分享
谢谢楼主分享
回复

使用道具 举报

发表于 2012-6-22 15:25 | 显示全部楼层
什么叫8080接口?
回复

使用道具 举报

 楼主| 发表于 2012-6-24 21:34 | 显示全部楼层
这几天被8080接口搞得郁闷!写错啦!是16/1扫 08接口 2 A B C D G1 G2 L S 16 1 N N N O R1 R2 N N 15
回复

使用道具 举报

发表于 2012-6-27 00:29 | 显示全部楼层
谢谢了,一直对 屏电路有点模糊。谢谢分享。
回复

使用道具 举报

本版积分规则

QQ|一淘宝店|手机版|商店|一乐电子 ( 粤ICP备09076165号 ) 公安备案粤公网安备 44522102000183号

GMT+8, 2025-11-24 23:23 , Processed in 0.033181 second(s), 26 queries , Gzip On.

Powered by Discuz! X3.5

© 2001-2025 Discuz! Team.

快速回复 返回顶部 返回列表