一乐电子

 找回密码
 请使用微信账号登录和注册会员

QQ登录

只需一步,快速开始

微信扫码登录

手机号码,快捷登录

手机号码,快捷登录

搜索
查看: 14722|回复: 35

L_C_CE Meter电容表资料和组装步骤【请发这里】

  [复制链接]
发表于 2012-7-9 15:48 | 显示全部楼层 |阅读模式
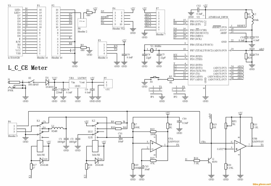
元件清单5 E, |! Q8 K2 a$ a( F# Z
L_C_CE Meter 元件清单2012-6
电阻    
RP15K3296   
R35K可调   
R1680R   
R210K   
R51K   
R92K   
R10200R   
R17;R1827R2  
R7;R12;R19100K   
R1547K   
R81K/10K   
R14;R115K12  
R203.15K   
电容    
C1;C2102**2  
C5;C10;C12;C3;C131045  
C4/C522PX2   
电解电容    
C11;C1510UF2  
继电器    
K1;K2NEC EA22  
芯片    
M8    
U4LM393   
电感    
L1150UH   
L210UH   
二极管    
D5;D6IN41482  
按钮    
S1;S212X122  
场效应管    
N/QN沟道/S8050   
USB母座 1  
  
锂电供电部分
UN34063   
D101IN5819   
R101180R   
R1000.1R/直连   
R1023K   
R1031K   
C100300P   
C101100UF   
L10022UH   

! j7 R/ {+ F, l+ c5 O/ q
) r7 G) l) X2 q/ z( u% U# g4 x
( m( U& q0 x2 ?5 `2 W8 z电路图参考原作者JUN427老师的) `2 k+ u  L, \$ {* t
LC Ce ourdev_433775.jpg
* }  u. Q( K; J$ a: u3 d- A5 R
6 W2 U( D- o. \! T( j% X板上参考无锡风老师的电路加了个复位按键还有并联的C5(104)电容。原图对比度不可调。现在用5K可调电阻代替R3。 原图C14,R21,R13部分阉割掉
9 Q" \& P& E2 l1 U1 M电路多了34063部分,按上面表格清单选元件。或者用34063计算器自己算下需要的数值。(先不装。测试都正常再装。我没具体测试频率用多少会有干扰。也不知道会不会有干扰。我自己装2个,一个用了一个没用34063.没发现干扰电容我没有300P用的470P+ P& s9 a9 i2 U$ C* H  ?
7 g( e) L( s, {" b% u

, Q+ Z# H& |8 |" V9 ^0 a# W- t! B- f- v4 O3 r  t+ @* w. j
调试,只要调节RP1 5K的3296可调电阻就可以,调到393的5脚电压是供电的0、632倍。具体的LM393的5脚电压。要算。 是供电的0.632倍
. F0 W2 @. d; O6 v! z: g8 e0 Q5 v比如升压到5.5就是5.5X0.632=3.476) y! z' F8 c, M; }# [, r
也就是说,这个电压是根据实际输入的5V供电准确值X0.632计算的。不要都用5V来计算。1 \  v1 R& E$ H8 b2 A" }( S

0 |/ S' M2 q$ U9 X* b/ v1 s8 nUSB接口是5V。不装34063可以直接用USB供电。! w1 c5 I/ Y$ i
如果用锂电,装在板子BAT位置。D/K是预留的开关。DC5.5插座是电池充电口。如果不升压都可以不装。(板上单独给34063部分圈起来了)
& D' i* _& ~% `
5 h/ _2 f! y* v0 o: \6 M, |USB接口下面四个标记好的,是手机的充电识别电路。如果用锂电升压给LC表供电。这个USB还可以做简单的移动电源用。( H1 p9 |& {9 K' k" [, Z! M

9 R1 v) [! o' v$ J暂时这些。期待其他坛友更新详细图片和说明。
  v1 r; Z+ n0 g- v + \) ?$ ?- N, ]+ B5 G; _& U
套件有您更精彩~* p1 j$ K! V5 v
 楼主| 发表于 2012-7-9 15:50 | 显示全部楼层
R20我用的3K3。
回复

使用道具 举报

 楼主| 发表于 2012-7-9 15:51 | 显示全部楼层
清单漏掉了8M晶振。8P和28P的IC座。
回复

使用道具 举报

发表于 2012-7-9 17:38 | 显示全部楼层
俺装得差不多了,还缺2个电感,准备哪里抠几个下来,呵呵
回复

使用道具 举报

 楼主| 发表于 2012-7-9 19:43 | 显示全部楼层
那个VCC和AVCC之间的电感是我加的。JUN427的图上没有。
回复

使用道具 举报

 楼主| 发表于 2012-7-9 19:45 | 显示全部楼层
L2。是后加的
回复

使用道具 举报

发表于 2012-7-12 17:34 | 显示全部楼层
大家一定注意了,图纸中的R9、R10分别为2K和200R,是图纸参数错误了,这个要按照楼主元件清单来, d; A: W  i% I# P: ~( Y
我的组装好了,很稳定
回复

使用道具 举报

发表于 2012-7-13 18:41 | 显示全部楼层
R1电阻680R 有些太大,组装好测试时背光不亮。据自己试用如果LCD本身有限流的话可直接短接,如果想进一步减小整机电流建议用10R左右电阻。
回复

使用道具 举报

发表于 2012-7-14 12:03 | 显示全部楼层
传些图片) T; }2 W/ `5 X* }( y

4 v; R  T/ I- c  m" P P1150201.JPG ) l7 U2 V8 j4 m( ^# r
# |# l$ I7 p# y* s+ \
P1150202.JPG 1 \: ?" U" N: U# l$ n0 g
( e) |% L7 D' ]$ \
P1150213.JPG 2 M0 d: T6 |% \" w7 b; @; R- O
4 \) R9 X: }# q( W* ~
P1150215.JPG ; z, D. Y* ]$ q7 q# c, _1 |

) E2 m  {- y" `8 o$ Y; e0 M( H P1150226.JPG & e% h' {$ J" V6 J% x
9 J0 r$ @) `1 _( s- e9 y' B
P1150232.JPG ( d) J' P5 ?7 o, y" n6 y

5 f( r7 L, y7 T: ~ P1150233.JPG 0 w1 j7 i# q# x3 e6 H, M7 r
3 Q+ h# ~" f$ P& h9 K: ]
P1150248.JPG ) N5 H+ E0 U2 }) c9 K* _

6 t+ v( \" s2 l1 a/ S" T% ~# B P1150241.JPG 4 m; R% N7 n! _' B' D& {: y

, T4 d9 `  W0 O: ~7 ` P1150251.JPG 7 v' v) s% r# U/ F4 E2 C5 g

; s/ y3 y, ~$ d' J1 m, l* J: v P1150206.JPG
+ i9 E. [; e3 f6 q9 J$ g8 j; B2 {% f( A( B+ d; X
P1150207.JPG
8 g1 B) V0 I: `# v5 C/ O6 _: P' s- r$ D# X% n8 K2 }8 v
P1150211.JPG
, d1 E# K8 k- P$ D. V0 B% R4 L) T( p+ L- m1 z* P$ d! K
P1150208.JPG
# z2 p2 O, H1 o6 k( O9 E3 A
5 j1 o9 I2 j& u6 ]: i P1150209.JPG
% K. S# r1 L6 S, Q
  P. q$ n7 T* ?6 y( y& M P1150210.JPG
P1150239.JPG
P1150242.JPG
P1150243.JPG
P1150247.JPG
回复

使用道具 举报

发表于 2012-7-18 20:53 | 显示全部楼层
回复 9# lm.cn
( p9 ]& |2 e' f% D4 @+ S* N  F/ g: P  q2 V
  h9 R: k' T9 p* Z7 @
    精度咋样啊  只有图片   弄个电容  电感 测一下   我也要了一块板   还没有组装   原件还没凑齐    就差几个电阻了
回复

使用道具 举报

本版积分规则

QQ|一淘宝店|手机版|商店|一乐电子 ( 粤ICP备09076165号 ) 公安备案粤公网安备 44522102000183号

GMT+8, 2026-1-12 07:11 , Processed in 0.038457 second(s), 20 queries , Gzip On.

Powered by Discuz! X3.5

© 2001-2025 Discuz! Team.

快速回复 返回顶部 返回列表