一乐电子

 找回密码
 请使用微信账号登录和注册会员

QQ登录

只需一步,快速开始

微信扫码登录

手机号码,快捷登录

手机号码,快捷登录

搜索
查看: 3199|回复: 6

[avr] GrandF的M8电源有开源吗?模拟电路部分求指点。

[复制链接]
发表于 2012-10-18 22:32 | 显示全部楼层 |阅读模式
本帖最后由 穷人穷玩法 于 2012-10-18 22:37 编辑

最近想搞个数控电源,GranF的电源不错,四年过去了,不知道开源了没?我只有5110的屏,不开源用不上。
或者哪位大侠来讲一讲模拟部分的原理,对原理图中的几个地方不太明白,搞明白了自己写个代码来开源,不知道算不算侵权

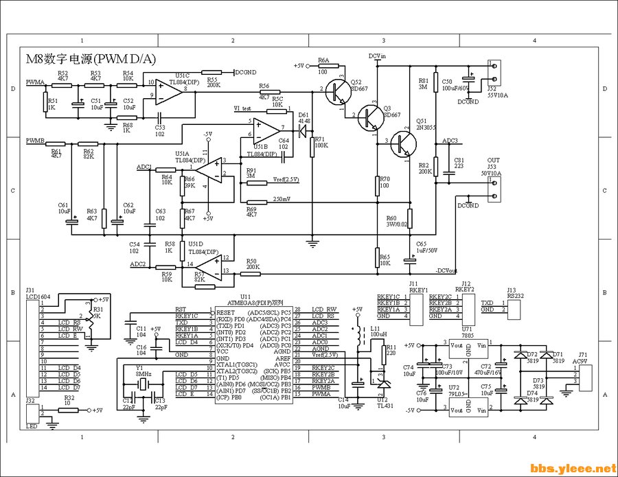
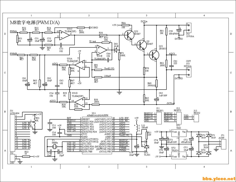
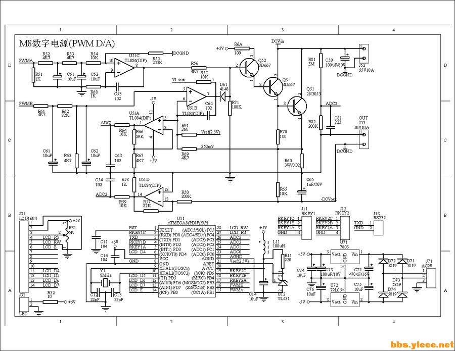
M8数字电源.png

1、ADC0测的是什么?我眼神不太好,没找到。
2、ADC1测电流,U51A输入端为什么要接Vref(通过R91)?
3、ADC2是测输出电压吧?U51D部分是什么原理?
4、R55为什么是接DCGND,而不是GND?
5、输出电压反馈到PWMA,电压控制有没有加PID或者其它算法?
6、VI_test有什么用?眼神不好,没找到另一端接哪里。

这么多年过去了,这电源应该很多人在用了吧?还请多多指点模电菜鸟。
发表于 2012-10-18 22:41 | 显示全部楼层
应该时pid算法
回复

使用道具 举报

发表于 2012-10-18 23:42 | 显示全部楼层
我眼神也不太好,同样没找到ADC0
回复

使用道具 举报

发表于 2012-10-19 09:15 | 显示全部楼层
ADC0应该是没用吧,输出电压、电流,输入电压都有了负载电阻、功率就可以算出来了。
回复

使用道具 举报

 楼主| 发表于 2012-10-22 16:35 | 显示全部楼层
ADC0应该是没用吧,输出电压、电流,输入电压都有了负载电阻、功率就可以算出来了。
efan 发表于 2012-10-19 09:15 https://www.yleee.com.cn/images/common/back.gif



    电路图上,两路pwm-dac用的是m8的t/c1,一路分辨率只有256级,最大60V,3-16A,那0.1V与0.01A的调整率是怎么实现的?分辨率不够啊。
回复

使用道具 举报

发表于 2012-10-22 17:32 | 显示全部楼层
回复 5# 穷人穷玩法


    介个不太清楚哦,问问G版吧。
回复

使用道具 举报

 楼主| 发表于 2012-10-24 21:14 | 显示全部楼层
查了pdf,t/c1两路快速pwm,每路最大可以实现16位精度。
回复

使用道具 举报

本版积分规则

QQ|一淘宝店|手机版|商店|一乐电子 ( 粤ICP备09076165号 ) 公安备案粤公网安备 44522102000183号

GMT+8, 2026-3-26 01:12 , Processed in 0.041209 second(s), 27 queries , Gzip On.

Powered by Discuz! X3.5

© 2001-2025 Discuz! Team.

快速回复 返回顶部 返回列表