一乐电子

 找回密码
 请使用微信账号登录和注册会员

QQ登录

只需一步,快速开始

微信扫码登录

手机号码,快捷登录

手机号码,快捷登录

搜索
查看: 5588|回复: 14

【求助】买了个LED吸顶灯,效果不太好,画出线路图,求电路分析

  [复制链接]
发表于 2012-10-30 16:57 | 显示全部楼层 |阅读模式
本帖最后由 iexyh 于 2012-10-30 16:59 编辑

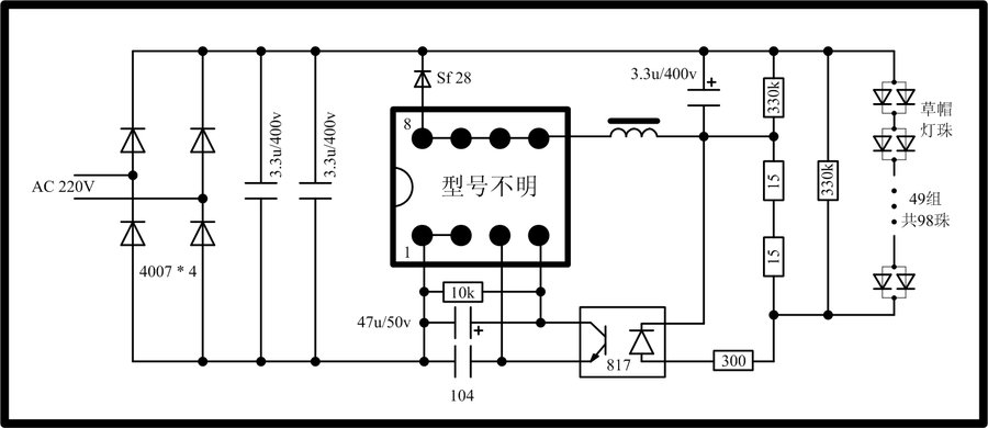
新买的98珠LED吸顶灯,采用草帽灯珠2个并联再串联,共49组98珠,效果不太理想,拆开电源画出电路图,请各位大侠分析电路,怎么改效果好些?那个8只脚的芯片型号被打磨掉了。
DSC_0305.JPG
DSC_0306.JPG
DSC_0307.JPG
DSC_0308.JPG
LED灯电源.jpg
发表于 2012-10-30 17:53 | 显示全部楼层
那芯片像是Viper12/22
回复

使用道具 举报

发表于 2012-10-30 18:01 | 显示全部楼层
电路图抄板正确?芯片没有供电
回复

使用道具 举报

 楼主| 发表于 2012-10-30 18:20 | 显示全部楼层
电路图抄板正确?芯片没有供电
benli 发表于 2012-10-30 18:01 https://www.yleee.com.cn/images/common/back.gif


电路图和电路板经过反复比对,确定抄板正确,实测空载电压220V---250V不稳定,加负载153V稳定。工作电流34Ma
回复

使用道具 举报

发表于 2012-10-30 19:01 | 显示全部楼层
这个电源思路还可以
回复

使用道具 举报

发表于 2012-10-30 19:13 | 显示全部楼层
回复 1# iexyh


    看看这个差不多。详细资料看power公司的LNK302资料

lnk302.doc

44 KB, 下载次数: 386, 下载积分: 一乐金币 -1

回复

使用道具 举报

发表于 2012-10-30 19:28 | 显示全部楼层
回复  iexyh


    看看这个差不多。详细资料看power公司的LNK302资料
yclittell 发表于 2012-10-30 19:13 https://www.yleee.com.cn/images/common/back.gif



    LNK302 中文.PDF (1.56 MB, 下载次数: 466)
回复

使用道具 举报

发表于 2012-10-30 20:15 | 显示全部楼层
草帽灯的光效和显色性应该是很差的
回复

使用道具 举报

发表于 2012-10-30 21:56 | 显示全部楼层
草帽灯照明很不舒服
回复

使用道具 举报

发表于 2012-10-31 02:13 | 显示全部楼层
悲催了,果断换科锐的LED吧!~
回复

使用道具 举报

本版积分规则

QQ|一淘宝店|手机版|商店|一乐电子 ( 粤ICP备09076165号 ) 公安备案粤公网安备 44522102000183号

GMT+8, 2025-11-26 09:42 , Processed in 0.043071 second(s), 30 queries , Gzip On.

Powered by Discuz! X3.5

© 2001-2025 Discuz! Team.

快速回复 返回顶部 返回列表