一乐电子

 找回密码
 请使用微信账号登录和注册会员

QQ登录

只需一步,快速开始

微信扫码登录

手机号码,快捷登录

手机号码,快捷登录

搜索
查看: 11139|回复: 7

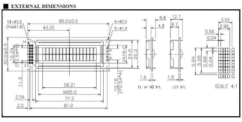
全新台湾产1602液晶模块 无背光 双排焊盘带插针 高对比度 白底蓝字

[复制链接]
发表于 2009-12-15 00:09 | 显示全部楼层 |阅读模式


对比度跟可视度都非常不错,全新产品,全部上了插针,
双排焊盘,尺寸小巧,原包装一盒105只,有需要的朋友不要错过了,货总数量7千多,售完即止!跟以前卖得无背光PC1602I尺寸是一样的,https://www.yleee.com.cn/viewthread.php?tid=1095&extra=page%3D2
淘宝链接http://item.taobao.com/auction/item_detail-0db2-98af8861eac9f5c6e4bcd2b5e1826422.jhtml
资料供参考, SC1602BS-B(-SO-GS-K).pdf (121.85 KB, 下载次数: 1182) 谢谢!

                               
登录/注册后可看大图


SC1602.JPG

淘宝店客服1淘宝店客服2 手机13927433520 QQ841526919 旺旺在线淘宝店http://shop33648706.taobao.com/
实物拍摄
(特别注意:电源接口跟普通的是相反的)
第1脚:VDD接5V正电源

第2脚:VSS为地

第3脚:V0为液晶显示器对比度调整端,接正电源时对比度最弱,接地时对比度最高,对比度过高时会产生"鬼影",使用时可以通过一个10K的电位器调整对比度
第4脚:RS为寄存器选择,高电平时选择数据寄存器、低电平时选择指令寄存器。
第5脚:RW为读写信号线,高电平时进行读操作,低电平时进行写操作。当RS和RW共同为低电平时可以写入指令或者显示地址,当RS为低电平RW为高电平时可以读忙信号,当RS为高电平RW为低电平时可以写入数据。
第6脚:E端为使能端,当E端由高电平跳变成低电平时,液晶模块执行命令。
第7~14脚:D0~D7为8位双向数据线
DSC_0940.JPG
DSC_0941.JPG
DSC_0942.JPG
DSC_0943.JPG
DSC_0944.JPG
DSC_0945.JPG
DSC_0946.JPG
DSC_0958.JPG
发表于 2010-8-28 15:30 | 显示全部楼层
这个便宜啊,不过没有之前的 3元的 性价比高啊
回复

使用道具 举报

发表于 2011-6-15 08:46 | 显示全部楼层
怎么没货了?怎么没货了?
没货了还是没上架??
回复

使用道具 举报

 楼主| 发表于 2011-6-15 13:18 | 显示全部楼层
怎么没货了?怎么没货了?
没货了还是没上架??
pkjapan 发表于 2011-6-15 08:46



    售完即止,没有货了。
回复

使用道具 举报

发表于 2011-6-15 17:23 | 显示全部楼层
前段时间用这个半天没显示, 后来才想起来原来这个的1、2引脚是反的,不知道烧坏了没有
回复

使用道具 举报

发表于 2012-1-12 08:47 | 显示全部楼层
什么时候还能有货?
回复

使用道具 举报

发表于 2012-1-12 11:25 | 显示全部楼层
什么时候还能有货?
dmlwbd 发表于 2012-1-12 08:47



    http://shop.yleee.com.cn/这里还有同类的屏,请另选一款吧,这种货卖完了很难再进到同样的了
回复

使用道具 举报

发表于 2012-1-12 20:06 | 显示全部楼层
这里还有同类的屏,请另选一款吧,这种货卖完了很难再进到同样的了
fat 发表于 2012-1-12 11:25



    好 谢谢
回复

使用道具 举报

本版积分规则

QQ|一淘宝店|手机版|商店|一乐电子 ( 粤ICP备09076165号 ) 公安备案粤公网安备 44522102000183号

GMT+8, 2025-11-25 04:40 , Processed in 0.037547 second(s), 21 queries , Gzip On.

Powered by Discuz! X3.5

© 2001-2025 Discuz! Team.

快速回复 返回顶部 返回列表