一乐电子

 找回密码
 请使用微信账号登录和注册会员

QQ登录

只需一步,快速开始

微信扫码登录

手机号码,快捷登录

手机号码,快捷登录

搜索
查看: 2609|回复: 9

[其他综合] 新人请教点亮一乐大字符,大尺寸,蓝底白字1602

[复制链接]
发表于 2012-12-27 11:32 | 显示全部楼层 |阅读模式
新人首次点1602,但是有个问题请教大侠们,

1,日期只能调节为4和6。请看图。
2调完无法保存。
2.jpg
1.jpg
发表于 2012-12-27 11:35 | 显示全部楼层
程序 有错误
回复

使用道具 举报

 楼主| 发表于 2012-12-27 11:39 | 显示全部楼层
回复 2# zhuaii3721


    程序是用别人的,自己修改了RS RW E三个接口,和三个按键接口, QQ截图20121227113843.jpg
回复

使用道具 举报

发表于 2012-12-27 12:29 | 显示全部楼层
没有完整的电路图??计时是用什么,单片机定时器还是RTC?这些都需要说明的,最好再附上实物的详细图片,方便大家分析。
另外液晶对比度调的好像也不对的说。
回复

使用道具 举报

 楼主| 发表于 2012-12-27 12:42 | 显示全部楼层
回复 4# 199003326


    最新情况是这样的,还是没有保存,调节也还是不行,

44.jpg

55.jpg

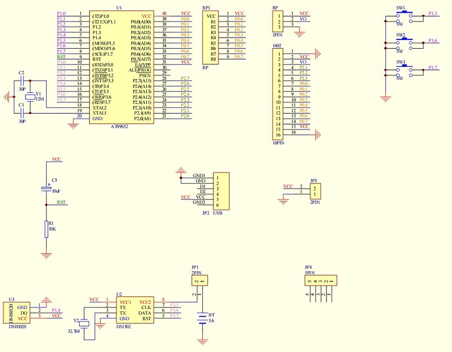
学习板的原理图

学习板的原理图


参考坛里的原理图

参考坛里的原理图
回复

使用道具 举报

发表于 2012-12-27 13:26 | 显示全部楼层
回复  zhuaii3721


    程序是用别人的,自己修改了RS RW E三个接口,和三个按键接口,
2007JING 发表于 2012-12-27 11:39 https://www.yleee.com.cn/images/common/back.gif



    论坛有这个 1602 钟的程序,找下再改改试试看
回复

使用道具 举报

 楼主| 发表于 2012-12-27 13:42 | 显示全部楼层
回复 6# zhuaii3721


    程序和原理图就是用WZR这个的,https://www.yleee.com.cn/viewthread.php?tid=5253&highlight=1602

因为接口不同所以修改了下几个接口,其它没有动,不知道还差了什么、
回复

使用道具 举报

发表于 2012-12-27 13:55 | 显示全部楼层
有几点需要注意一下:
1、DS1302的输出需要接上拉电阻;
2、DS1302建议加上退耦电容,VCC1脚也接到VCC,并对地接个大电容;
3、DS1302钟振对地接上12P的电容(根据实际晶振选择,国产大部分是12P);
4、DS1302不连接P3.x口,建议放到P1或P2口;
回复

使用道具 举报

发表于 2012-12-27 15:05 | 显示全部楼层
显示效果看着好差啊,对比度没调好?
回复

使用道具 举报

 楼主| 发表于 2012-12-28 21:28 | 显示全部楼层
回复 9# xwj


    对比度现在应该是最亮状态,调暗些的话就看不清字了,感觉像是电压高了些,背光太亮,

 这几天又没有时间了,过些天重搭个电路试试。感谢各位的支持。
回复

使用道具 举报

本版积分规则

QQ|一淘宝店|手机版|商店|一乐电子 ( 粤ICP备09076165号 ) 公安备案粤公网安备 44522102000183号

GMT+8, 2026-1-30 16:20 , Processed in 0.038873 second(s), 30 queries , Gzip On.

Powered by Discuz! X3.5

© 2001-2025 Discuz! Team.

快速回复 返回顶部 返回列表