一乐电子

 找回密码
 请使用微信账号登录和注册会员

QQ登录

只需一步,快速开始

微信扫码登录

手机号码,快捷登录

手机号码,快捷登录

搜索
楼主: 3AG1

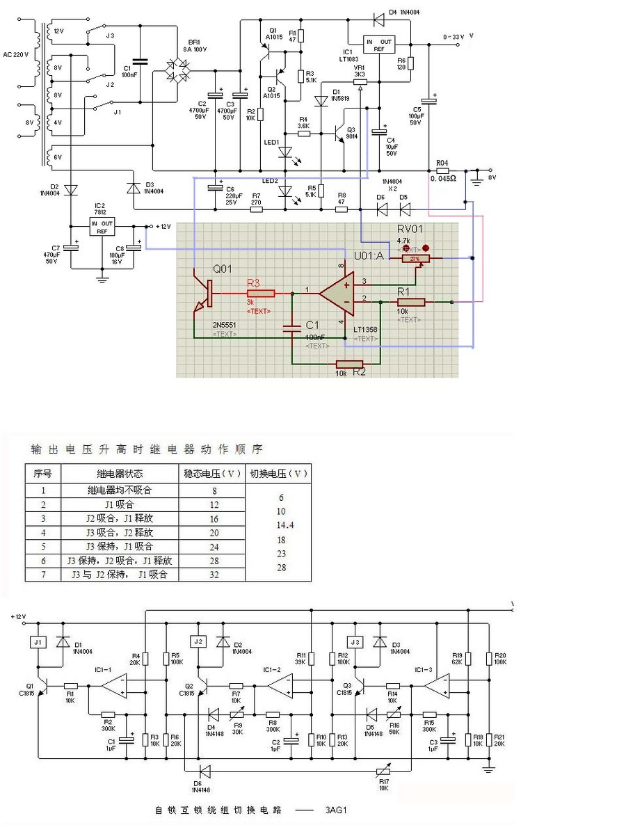
LT1083制作0 ~ 33V可调稳压电源

 火... [复制链接]
 楼主| 发表于 2013-1-11 17:51 | 显示全部楼层
看到你的标题我首先就是考虑的断电过冲现象,没想到3AG已经有了完善的方案,图中圆圈处没有和地相 ...
my1048 发表于 2013-1-10 17:22 https://www.yleee.com.cn/images/common/back.gif



    LED1 必须与地相连。

断电后负电压逐渐消失,三极管的基极电压升高,导通后拉低输出电压。

LED 用1.8 ~ 2V 左右工作电压的普通发光管。
回复 1 0

使用道具 举报

 楼主| 发表于 2013-1-11 17:57 | 显示全部楼层
个人认为:起始电压为8V,高点,6V比较好
hntc123 发表于 2013-1-10 20:30 https://www.yleee.com.cn/images/common/back.gif



    6V太低了,调整范围只有0 ~ 4V 。

使用8V 电压,可以实现 0 ~ 6V 的调整范围。
回复 1 0

使用道具 举报

发表于 2013-1-11 18:23 | 显示全部楼层
很好的帖子啊,纯技术性的,赞一个!
回复 1 0

使用道具 举报

发表于 2013-1-11 18:24 | 显示全部楼层
个人认为:起始电压为8V,高点,6V比较好
hntc123 发表于 2013-1-10 20:30 https://www.yleee.com.cn/images/common/back.gif



   我手上的几个电源都是10V起始的
回复 1 0

使用道具 举报

发表于 2013-1-11 21:03 | 显示全部楼层
回复 19# 3AG1


    LT1017,工作电压40V
001.jpg
回复 0 1

使用道具 举报

发表于 2013-1-11 21:24 | 显示全部楼层
有了负压了做恒流就很简单了
回复 1 0

使用道具 举报

发表于 2013-1-15 10:44 | 显示全部楼层
回复 22# 3AG1


准备开工了。
现手上有一个标称300W的自耦变压器,原是220V转110V。现想加绕隔离次级输出,这样最大能输出多大电流(功率)?
回复 1 1

使用道具 举报

发表于 2013-1-15 11:58 | 显示全部楼层
加了个恒流

3AG1-LT1083-恒流.jpg
回复 1 0

使用道具 举报

发表于 2013-1-15 21:51 | 显示全部楼层
300W的自耦变压器上有绕线测:外径90MM 内径35MM 高45MM,绕了5圈,测得电压1.35V
回复 1 0

使用道具 举报

 楼主| 发表于 2013-1-16 10:17 | 显示全部楼层
回复  3AG1


    LT1017,工作电压40V
hntc123 发表于 2013-1-11 21:03 https://www.yleee.com.cn/images/common/back.gif



    这个是电压比较器,没法用于稳流控制。
回复 0 1

使用道具 举报

本版积分规则

QQ|一淘宝店|手机版|商店|一乐电子 ( 粤ICP备09076165号 ) 公安备案粤公网安备 44522102000183号

GMT+8, 2025-11-24 06:06 , Processed in 0.039333 second(s), 28 queries , Gzip On.

Powered by Discuz! X3.5

© 2001-2025 Discuz! Team.

快速回复 返回顶部 返回列表