一乐电子

 找回密码
 请使用微信账号登录和注册会员

QQ登录

只需一步,快速开始

微信扫码登录

手机号码,快捷登录

手机号码,快捷登录

搜索
查看: 8875|回复: 18

[其他综合] 自制USBASP的问题

  [复制链接]
发表于 2010-1-28 15:43 | 显示全部楼层 |阅读模式
前2天自制了个USBASP,驱动已装,但上位机找不到。
 楼主| 发表于 2010-1-28 15:44 | 显示全部楼层
如图。。。。。。。。。。。。。。。。。
asp1.JPG
asp2.JPG
回复

使用道具 举报

 楼主| 发表于 2010-1-28 15:58 | 显示全部楼层
有那位碰到过这问题,指点下啊。
回复

使用道具 举报

发表于 2010-1-28 18:00 | 显示全部楼层
您说:“前2天自制了个USBASP,驱动已装......”——要的是“usbasp”!!!
但是,您在2楼图片里、显示的设备却是“com9”——这个是模拟串口!!!


注意:“usbasp”和“com9”——是“两码子”的事情哦?
回复

使用道具 举报

发表于 2010-1-28 21:10 | 显示全部楼层
是啊,你那个是模拟串口的程序啊。
回复

使用道具 举报

发表于 2010-1-29 08:41 | 显示全部楼层
楼主是不是装错固件了。
回复

使用道具 举报

 楼主| 发表于 2010-1-29 15:03 | 显示全部楼层
....固件在网上找的,能否发我一份有验证过能用在智峰PROGISP上的固件和驱动。
回复

使用道具 举报

发表于 2010-1-29 15:23 | 显示全部楼层
我有一份HEX,你试试

usb080409.hex

17.64 KB, 下载次数: 997, 下载积分: 一乐金币 -1

回复

使用道具 举报

发表于 2010-1-29 17:53 | 显示全部楼层
沒有錯的,USBasp的兼容版就是顯示這個的。後期的固件都不再兼容了,因為存在一些無法解決的問題(具體不明)。如果你的板沒有問題的話,推薦換一個下載軟件試試。通常的下載軟件都存在ASP和ISP兼容的問題。我現在用馬超老師的USBAVR,AVRSTUDIO直接支持的,很好用。
回复

使用道具 举报

发表于 2010-1-29 18:05 | 显示全部楼层
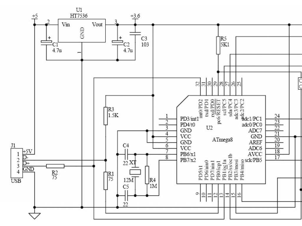
幾款下載線的線路是差不多的,傳我正在使用的USBAVR的相關資料。給你參考下:
線路
ourdev_188789.jpg


固件,驅動,PCB圖都在壓縮包里,PCB圖是PDF格式的,已經鏡像了。使用A4紙直接1:1打印就可以了。
usbavr.rar (472.56 KB, 下载次数: 1528)
回复

使用道具 举报

本版积分规则

QQ|一淘宝店|手机版|商店|一乐电子 ( 粤ICP备09076165号 ) 公安备案粤公网安备 44522102000183号

GMT+8, 2026-3-31 19:47 , Processed in 0.045625 second(s), 30 queries , Gzip On.

Powered by Discuz! X3.5

© 2001-2025 Discuz! Team.

快速回复 返回顶部 返回列表