一乐电子

 找回密码
 请使用微信账号登录和注册会员

QQ登录

只需一步,快速开始

微信扫码登录

手机号码,快捷登录

手机号码,快捷登录

搜索
查看: 1825|回复: 3

LED点阵屏,显示不完美,屏比较老,求高手指点。

[复制链接]
发表于 2013-3-5 21:58 | 显示全部楼层 |阅读模式
本帖最后由 天目 于 2013-3-5 22:01 编辑

一块YJ37的屏,
11.jpg
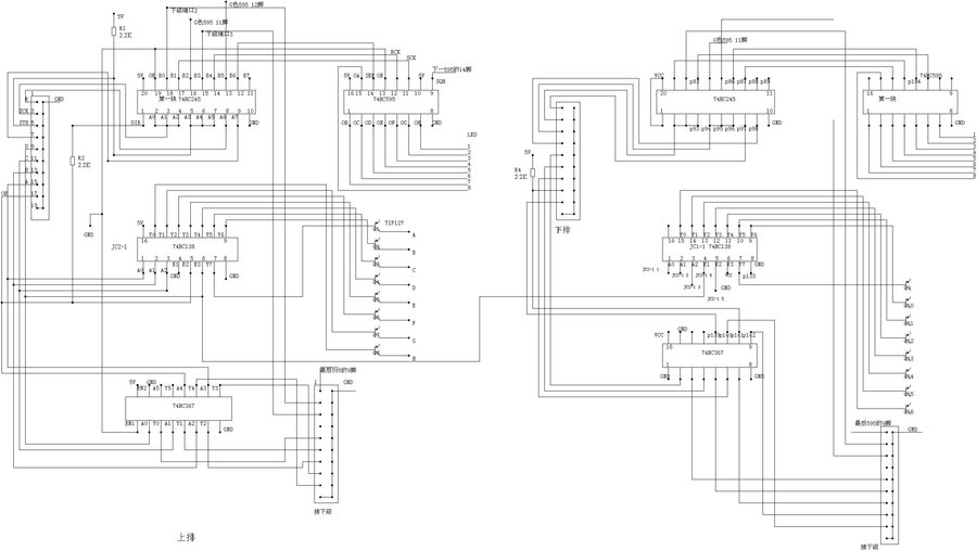
画出了电路图:
yj37.JPG
买了一块华博卡:
华博.jpg
用08接口驱动,在32*64下,显示只有上半部分:
32×64.jpg
40*64的显示:
40×64.jpg


48*64的显示
48×64.jpg
64*64的显示:
64×64.jpg

虽然可以使用,但不明白什么道理,请高手指教。



发表于 2013-3-5 22:57 | 显示全部楼层
没看明白
回复

使用道具 举报

发表于 2013-3-6 08:32 | 显示全部楼层
按下那个控制卡上的小按钮的看看,也许是测试显示用的。
回复

使用道具 举报

 楼主| 发表于 2013-3-6 20:56 | 显示全部楼层
主要是不能按照设定来显示,比如设定32*64,只能上半部分显示,就是整个上移了16个点。
回复

使用道具 举报

本版积分规则

QQ|一淘宝店|手机版|商店|一乐电子 ( 粤ICP备09076165号 ) 公安备案粤公网安备 44522102000183号

GMT+8, 2026-1-12 23:39 , Processed in 0.033958 second(s), 24 queries , Gzip On.

Powered by Discuz! X3.5

© 2001-2025 Discuz! Team.

快速回复 返回顶部 返回列表