一乐电子

 找回密码
 请使用微信账号登录和注册会员

QQ登录

只需一步,快速开始

微信扫码登录

手机号码,快捷登录

手机号码,快捷登录

搜索
查看: 4290|回复: 11

[其他综合] 做个电动车里程表面板

[复制链接]
发表于 2013-3-15 17:18 | 显示全部楼层 |阅读模式
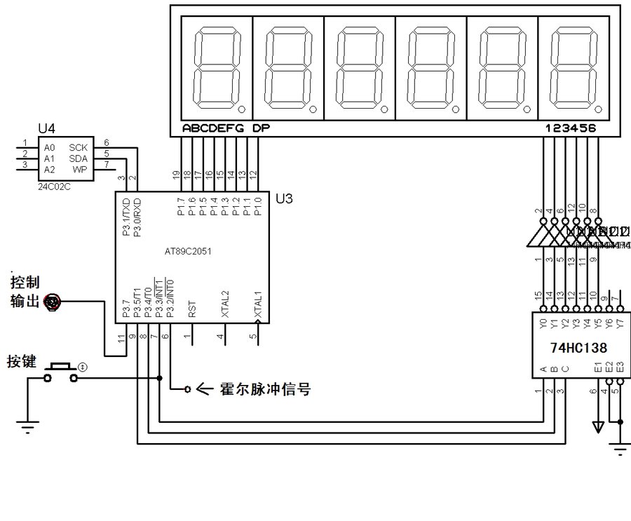
qqqq.jpg

138.JPG

照片 012.jpg

IMG_5609.jpg

IMG_5607.jpg

照片 011.jpg


SpxImage.jpg


138电动车.rar (138.24 KB, 下载次数: 3592)

IMG_5608.jpg

点评

搂主的[原创首发贴] ,一 定要支持!  发表于 2013-3-15 18:14

评分

参与人数 4一乐金币 +60 收起 理由
a60885262 + 20 赞一个!
灰灰的丝丁鱼 + 10 新人发技术帖,该支持!
CNQJSCN + 10 把数码管排排整齐啥
倪大德 + 20 支持!

查看全部评分

发表于 2013-3-15 17:25 | 显示全部楼层
这种单片机要用什么样的编程器啊啊?
回复

使用道具 举报

发表于 2013-3-15 17:49 | 显示全部楼层
楼主能不能改个 89s51 的玩玩,不要 138 的,就不用编程器了,大家都可以玩下
回复

使用道具 举报

发表于 2013-3-15 20:03 | 显示全部楼层
楼主好像有不少原创,是否发上来共享。
回复

使用道具 举报

发表于 2013-3-15 21:32 | 显示全部楼层
对霍尔脉冲产生有兴趣
回复

使用道具 举报

发表于 2013-3-15 21:58 | 显示全部楼层
才注册没多久的就发技术帖,顶一下!
回复

使用道具 举报

发表于 2013-3-15 21:59 | 显示全部楼层
有兴趣            
回复

使用道具 举报

发表于 2013-4-2 00:04 | 显示全部楼层
霍尔信号用什么元件呀?
回复

使用道具 举报

发表于 2013-4-16 10:30 | 显示全部楼层
用89c51就可以减少原件了  
回复

使用道具 举报

发表于 2013-4-22 11:27 | 显示全部楼层
zwdxbb 发表于 2013-4-2 00:04 static/image/common/back.gif
霍尔信号用什么元件呀?

楼主的原理应该是用一个磁铁绑做前轮上面,一个霍尔绑在前叉上面,车轮不断运动,来获得霍尔的脉冲信号。

点评

正是  发表于 2013-4-30 11:55
回复

使用道具 举报

本版积分规则

QQ|一淘宝店|手机版|商店|一乐电子 ( 粤ICP备09076165号 ) 公安备案粤公网安备 44522102000183号

GMT+8, 2026-1-30 18:24 , Processed in 0.034721 second(s), 31 queries , Gzip On.

Powered by Discuz! X3.5

© 2001-2025 Discuz! Team.

快速回复 返回顶部 返回列表