一乐电子

 找回密码
 请使用微信账号登录和注册会员

QQ登录

只需一步,快速开始

微信扫码登录

手机号码,快捷登录

手机号码,快捷登录

搜索
查看: 7568|回复: 22

12V在线后备电源

[复制链接]
发表于 2013-4-16 11:51 | 显示全部楼层 |阅读模式
本帖最后由 GandF 于 2013-4-16 15:01 编辑

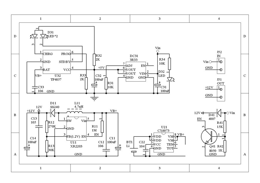
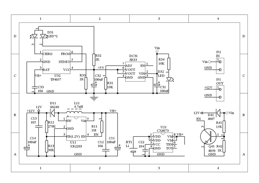
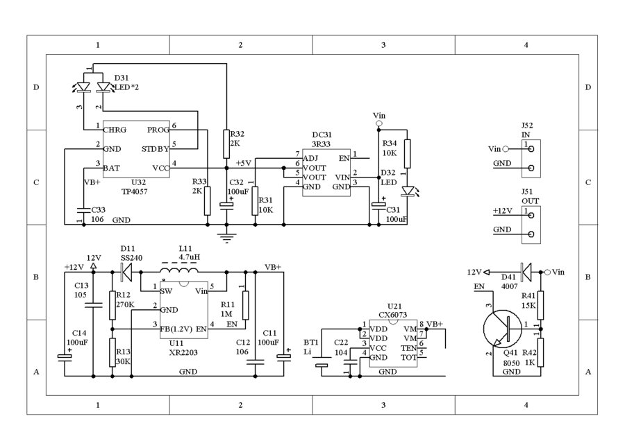
12V在线后备电源

这个是给我的电子锁做的在线后备电源。
输入电压低于9V时启动电池升压输出12V,输入电压检测由三极管8050控制。

锂电保护IC:    CX6073
锂电充电IC:    TP4057
5V降压模块:   3R33
12V升压IC:    XR2203


电路图
12V在线后备电源.PNG

雕刻机雕的PCB
IMG212.jpg

IMG213.jpg

成品
IMG214.jpg
IMG215.jpg


 楼主| 发表于 2013-4-16 11:52 | 显示全部楼层
回复

使用道具 举报

发表于 2013-4-16 11:53 | 显示全部楼层
本帖最后由 zhqsoft 于 2013-4-16 12:10 编辑

g老大又有新东西玩了啊、


外部无输入的时候使能关闭3r33???这个没必要吧。4057返防流的
回复

使用道具 举报

发表于 2013-4-16 12:02 | 显示全部楼层
刀路有点深啊
回复

使用道具 举报

发表于 2013-4-16 12:05 | 显示全部楼层
老大又有新东西啦 学习下
回复

使用道具 举报

 楼主| 发表于 2013-4-16 12:11 | 显示全部楼层
prince_15 发表于 2013-4-16 12:02 static/image/common/back.gif
刀路有点深啊

我有意加深刀路。一刀到位,减少雕刻时间,保证线路之间的距离。
回复

使用道具 举报

发表于 2013-4-16 12:17 | 显示全部楼层
直接用3r33升压不就行了?
回复

使用道具 举报

发表于 2013-4-16 12:21 | 显示全部楼层
大神出品,必属精品!
客官来玩啊。
回复

使用道具 举报

发表于 2013-4-16 12:23 | 显示全部楼层
顶上去。。
回复

使用道具 举报

发表于 2013-4-16 12:24 | 显示全部楼层
顶上去。。
回复

使用道具 举报

本版积分规则

QQ|一淘宝店|手机版|商店|一乐电子 ( 粤ICP备09076165号 ) 公安备案粤公网安备 44522102000183号

GMT+8, 2026-4-21 22:34 , Processed in 0.035177 second(s), 30 queries , Gzip On.

Powered by Discuz! X3.5

© 2001-2025 Discuz! Team.

快速回复 返回顶部 返回列表