一乐电子

 找回密码
 请使用微信账号登录和注册会员

QQ登录

只需一步,快速开始

微信扫码登录

手机号码,快捷登录

手机号码,快捷登录

搜索
查看: 2644|回复: 9

qnqwgl电压表的电路图

[复制链接]
发表于 2010-3-23 21:12 | 显示全部楼层 |阅读模式
本帖最后由 72hour 于 2010-3-24 12:02 编辑

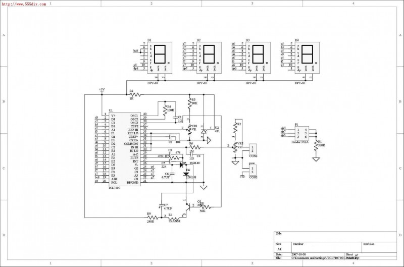
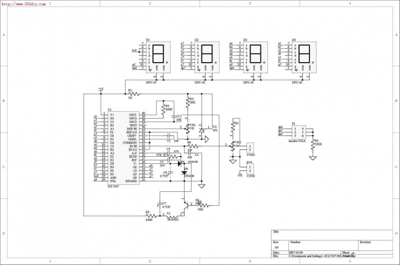
7107sch.jpg
QQ截图未命名1.jpg
QQ截图未命名2.jpg

呵呵!网上找的!
客官来玩啊。
发表于 2010-3-24 08:46 | 显示全部楼层
本帖最后由 qnqwgl 于 2010-3-24 14:36 编辑

十分感谢楼主花时间把图纸粘上, 其实关于7107的资料在网上是公开性的,没什么秘密的,很多仪表都是从它的基础上发展过来的,大家对7107有一定的认识都可以自己DIY 。我只不过是帮大家开开板而已,以成本价提供给论坛的朋友的使用(要求高的朋友就不同讲了)。在使用过程中有什么好的建议我会改进,我会综合大家的意见对现有的板材及配件进行完善!谢谢
回复

使用道具 举报

发表于 2010-3-24 09:52 | 显示全部楼层
有点打击qnqwg的味道不过这原理图和PCB图能够帮助购买qnqwg电压表的朋友安装也不错啊!
回复

使用道具 举报

发表于 2010-3-24 09:59 | 显示全部楼层
应该没有恶意,如果能帮到买到套件的人,qnqwgl 该感谢人家才对
回复

使用道具 举报

发表于 2010-3-24 10:06 | 显示全部楼层
签于qnqwgl 卖的套件,未提供详细电路和安装图,且有坛友遇到安装难题,此电路亦属网上公开资料,所以此贴予以保留。是否更改主题由楼主决定。
回复

使用道具 举报

发表于 2010-3-24 10:41 | 显示全部楼层
本帖最后由 qnqwgl 于 2010-3-24 12:09 编辑

谢谢大家关注!
回复

使用道具 举报

 楼主| 发表于 2010-3-24 12:03 | 显示全部楼层
不想得罪人!已经改了标题!
客官来玩啊。
回复

使用道具 举报

发表于 2010-3-24 12:08 | 显示全部楼层
谢谢楼主的合作
回复

使用道具 举报

发表于 2010-3-24 12:34 | 显示全部楼层
楼主只想帮助别人,其实是没有恶意的,标题给卖家造成误会,既然卖家提出异议,楼主马上改过,呵呵!和气生财!和气生财!
回复

使用道具 举报

发表于 2010-3-24 13:04 | 显示全部楼层
我觉得卖家有点多虑。试想,你若是买家,买个产品无图纸难以安装,你求救不?别人发了相关资料当然就叫搭救。卖家应该把更多的精力放在提高服务质量上,而非在意那些并无恶意的字眼上
回复

使用道具 举报

本版积分规则

QQ|一淘宝店|手机版|商店|一乐电子 ( 粤ICP备09076165号 ) 公安备案粤公网安备 44522102000183号

GMT+8, 2026-4-19 16:27 , Processed in 0.038125 second(s), 31 queries , Gzip On.

Powered by Discuz! X3.5

© 2001-2025 Discuz! Team.

快速回复 返回顶部 返回列表