一乐电子

 找回密码
 请使用微信账号登录和注册会员

QQ登录

只需一步,快速开始

微信扫码登录

手机号码,快捷登录

手机号码,快捷登录

搜索
楼主: pdwdwdw

万能的啊3哥能帮忙用分立元件设计个el发光线的驱动电路不

[复制链接]
发表于 2013-8-10 15:36 | 显示全部楼层
高倍率还是推挽吧,555加lm324加俩mos管可以出交流,等下画一个给你
回复

使用道具 举报

发表于 2013-8-10 16:20 | 显示全部楼层
1.初始亮度:≥30CD,加压后最高亮度为750CD
2.电压范围:AC50V—220V
3.频率范围:200HZ—1500HZ
4.功率:≤0.8MW/CM
5.电流:≤0.15MA/CM
6.厚度:≤0.5MM
回复

使用道具 举报

发表于 2013-8-10 16:33 | 显示全部楼层
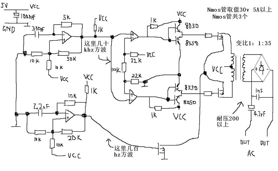
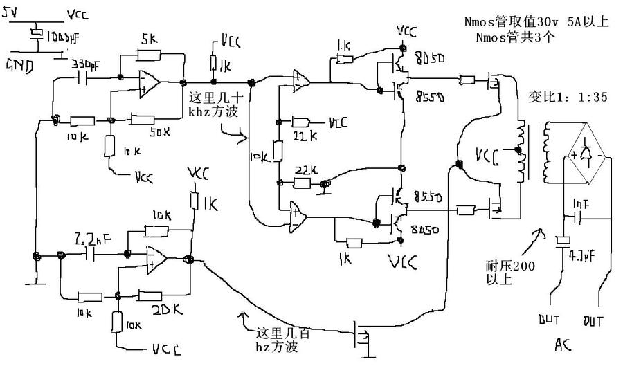
按你的要求画的,没试过。芯片可以用339,没有用324,输出附近的整流桥用FR107二极管自己搭,变压器尽可能多缠,变比1:1:35注意初级相位。



未命名.JPG
回复

使用道具 举报

发表于 2013-8-10 17:38 | 显示全部楼层
啥模型
回复

使用道具 举报

发表于 2013-8-10 17:40 来自手机 | 显示全部楼层
高压还必须低频是脉冲调制,单单34063不行。
回复

使用道具 举报

发表于 2013-8-10 19:02 | 显示全部楼层
感觉用3525吧   好搭元件少   鱼机论坛大堆图片 去掉过流 不要整流 后级直驱  可以搜     3525经典300W
EE28的磁芯   随便两个mos管 自己看看材料全不?
回复

使用道具 举报

发表于 2013-8-10 20:20 | 显示全部楼层
在直升机上装过的飘过,YT450!~
回复

使用道具 举报

 楼主| 发表于 2013-8-11 00:19 | 显示全部楼层
哇!谢谢各位了,楼上的一个赛一个狠哪,我想要一个能点亮电路简单的电路,模型上是不可能有太多地方装电路的,难道非的用专用电路才能既省电又重量轻啊
回复

使用道具 举报

 楼主| 发表于 2013-8-11 00:21 | 显示全部楼层
384065902 发表于 2013-8-10 16:33
按你的要求画的,没试过。芯片可以用339,没有用324,输出附近的整流桥用FR107二极管自己搭,变压器尽可能 ...

大神啊!el电致发光不需要很大电流的,你这个电路都能当逆变器了,不过还是谢谢了,要是能用单管加变压器搞定更好
回复

使用道具 举报

 楼主| 发表于 2013-8-11 00:24 | 显示全部楼层

点评

我喜欢在船模上加  发表于 2013-8-11 20:19
回复

使用道具 举报

本版积分规则

QQ|一淘宝店|手机版|商店|一乐电子 ( 粤ICP备09076165号 ) 公安备案粤公网安备 44522102000183号

GMT+8, 2025-11-27 15:27 , Processed in 0.034662 second(s), 29 queries , Gzip On.

Powered by Discuz! X3.5

© 2001-2025 Discuz! Team.

快速回复 返回顶部 返回列表