一乐电子

 找回密码
 请使用微信账号登录和注册会员

QQ登录

只需一步,快速开始

微信扫码登录

手机号码,快捷登录

手机号码,快捷登录

搜索
查看: 14734|回复: 32

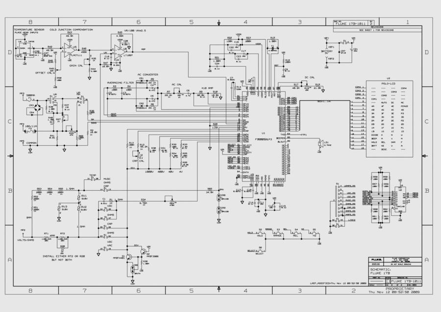
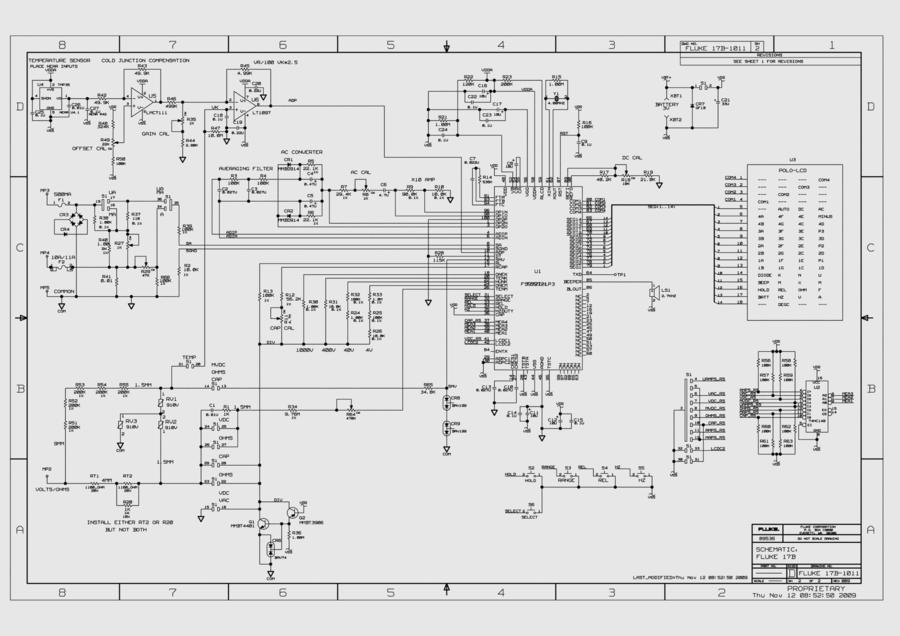
福禄克(Fluke)17b数字万用表高清电路图

[复制链接]
发表于 2013-9-25 06:40 | 显示全部楼层 |阅读模式
本帖最后由 列兵老虎 于 2013-9-25 07:28 编辑

资料由我找到并处理成高清大图,供大家无偿使用。

2416382976201.gif

超高清版在这里:
http://www.zmdz.com/bbs/incomefiles/20139/2418311433623.JPG

评分

参与人数 1一乐金币 +20 收起 理由
链接 + 20 很给力!

查看全部评分

发表于 2013-9-25 07:05 | 显示全部楼层
谢谢分享,好大的图啊
回复

使用道具 举报

发表于 2013-9-25 07:12 | 显示全部楼层
谢谢分享,
回复

使用道具 举报

发表于 2013-9-25 07:29 | 显示全部楼层
神图......有15b,对比一下整成17也很好
回复

使用道具 举报

发表于 2013-9-25 07:38 | 显示全部楼层
谢谢分享
回复

使用道具 举报

发表于 2013-9-25 08:06 | 显示全部楼层
这个一定要顶
好人
回复

使用道具 举报

发表于 2013-9-25 08:14 | 显示全部楼层
谢谢分享,学习了
回复

使用道具 举报

发表于 2013-9-25 08:54 | 显示全部楼层
图片清晰,作为资料收藏
回复

使用道具 举报

发表于 2013-9-25 09:12 | 显示全部楼层
好资料,收藏。要是有SCH格式就完美了
回复

使用道具 举报

发表于 2013-9-25 09:47 | 显示全部楼层
有么有 15B 的图纸啊?
回复

使用道具 举报

本版积分规则

QQ|一淘宝店|手机版|商店|一乐电子 ( 粤ICP备09076165号 ) 公安备案粤公网安备 44522102000183号

GMT+8, 2025-12-17 12:14 , Processed in 0.040171 second(s), 31 queries , Gzip On.

Powered by Discuz! X3.5

© 2001-2025 Discuz! Team.

快速回复 返回顶部 返回列表