一乐电子

 找回密码
 请使用微信账号登录和注册会员

QQ登录

只需一步,快速开始

微信扫码登录

手机号码,快捷登录

手机号码,快捷登录

搜索
查看: 10659|回复: 32

[其他综合] 自制的遥控器做好了,

[复制链接]
发表于 2013-11-4 17:28 | 显示全部楼层 |阅读模式
本帖最后由 356053261 于 2013-11-4 23:00 编辑

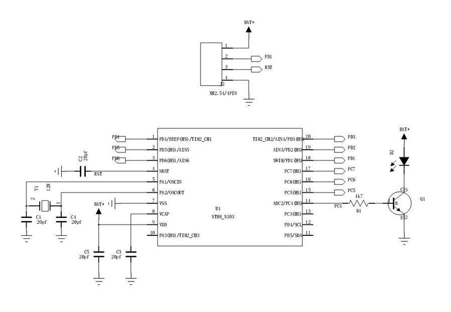
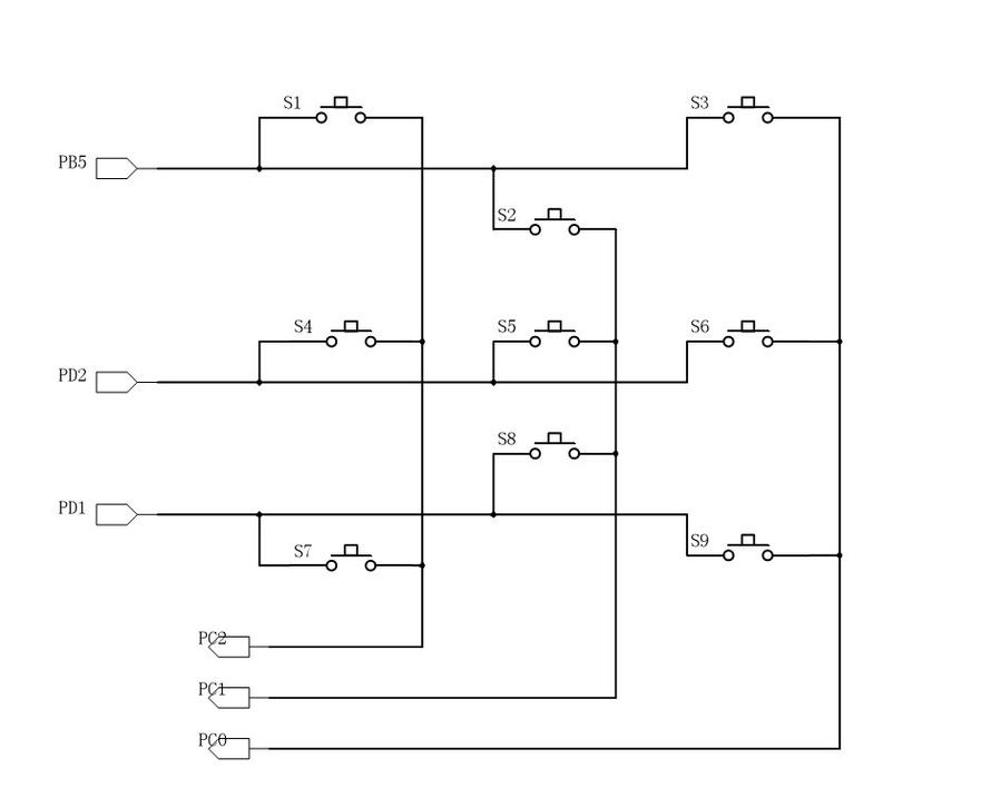
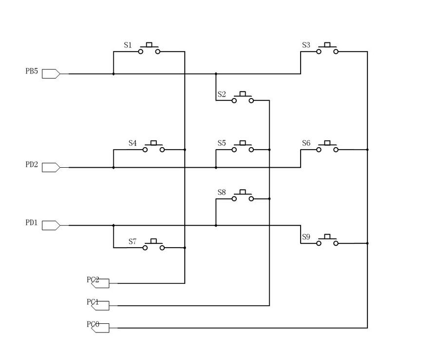
又继续折腾了下,做了个独立的遥控器小板,9个按键,只定义几个主要的按键功能就可以了,

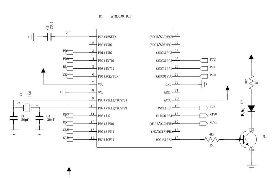
STM8主控,3秒内无按键动作,进入低功耗停机模式,3V的电源下,电流为30uA左右,5V的电源下,电流为100uA左右;
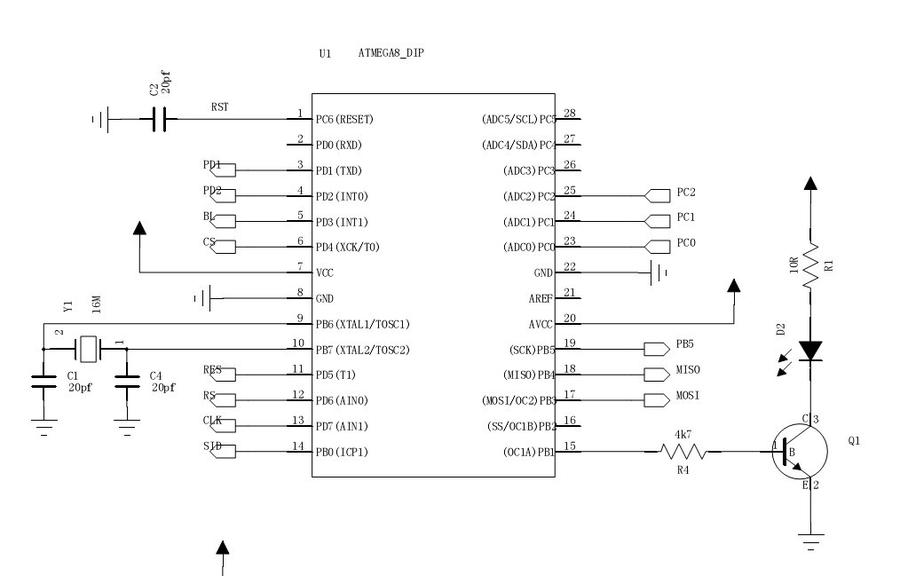
下面的是一个用来搜索设备的系统码与按键码用的,用液晶屏来显示当前状态,
QQ图片20131104163316.jpg
QQ图片20131104163337.jpg
201311041666.jpg
201311031662.jpg
QQ图片20131104162828.jpg
QQ图片20131104162813.jpg
QQ图片20131104162824.jpg
201311031660.jpg
201311031661.jpg
201311031657.jpg
201311031658.jpg
201311031659.jpg
QQ图片20131104225339.jpg
QQ图片20131104225518.jpg

点评

最后两张图电容值更改了下,奇怪,帖子的图怎么不能编辑,只能增加不能删除?  发表于 2013-11-4 23:01

评分

参与人数 1一乐金币 +5 收起 理由
哈哈哈哈 + 5 很给力!

查看全部评分

发表于 2013-11-4 17:52 | 显示全部楼层
高手,六体投地的佩服~
回复

使用道具 举报

发表于 2013-11-4 18:45 来自手机 | 显示全部楼层
做的不错。可惜单片机静态电流是硬伤,遥控器芯片是CMOS电路,静态电流几微安
回复

使用道具 举报

发表于 2013-11-4 19:10 | 显示全部楼层
benli 发表于 2013-11-4 18:45
做的不错。可惜单片机静态电流是硬伤,遥控器芯片是CMOS电路,静态电流几微安

装个开关,长时间不用时关闭。
回复

使用道具 举报

发表于 2013-11-4 20:27 | 显示全部楼层
avr方案的占空比是多少?

点评

我以前做的时候似乎最小只能做到对半,还只能用t1的ctc模式,忘记具体缘由了,占空比是决定发射距离的重要因素。  发表于 2013-11-4 20:42
38KHZ的1/2方波  发表于 2013-11-4 20:31
回复

使用道具 举报

发表于 2013-11-4 21:19 | 显示全部楼层
要是这个静态电流能再低点,就可以把普通遥控器给改装了

点评

跟专用遥控器还是没法儿比了,只有在找不到遥控器或没有遥控器的情况下代替使用了  发表于 2013-11-4 22:43
回复

使用道具 举报

发表于 2013-11-4 21:34 | 显示全部楼层

单片机还有多余的脚没?用单片机控制一个MOS,在休眠一段时间后就断掉自己的供电。
增加一个按键用来给断电的单片机供电,完后然它自己保持通电状态,或者用九个二极管分别接到九个按键上,任意一个可恢复给单片机的供电(键扫描的那种不适合)。

点评

还多了三个脚呢  发表于 2013-11-4 21:50
回复

使用道具 举报

发表于 2013-11-4 21:34 | 显示全部楼层
这个程序有吗?有的话我也做一个。

点评

也给一份我好吗?最好是完整的资料duanyz@163.com谢谢了!  发表于 2013-11-4 22:30
谢了,邮件774763209@qq.com  发表于 2013-11-4 22:18
STM8的?有,可以给你  发表于 2013-11-4 21:50
回复

使用道具 举报

发表于 2013-11-4 21:39 | 显示全部楼层
会单片机就是好!
回复

使用道具 举报

 楼主| 发表于 2013-11-4 22:49 | 显示全部楼层
本帖最后由 356053261 于 2013-11-5 10:23 编辑
beew998899 发表于 2013-11-4 21:34
这个程序有吗?有的话我也做一个。



对了,不同的设备,系统码是不一样的,要自己编辑,源代码传上来,系统码和按键码自己修改就是了

MCU 是STM8S003或103,8M时钟


自制遥控器.rar

32.98 KB, 下载次数: 3183, 下载积分: 一乐金币 -1

回复

使用道具 举报

本版积分规则

QQ|一淘宝店|手机版|商店|一乐电子 ( 粤ICP备09076165号 ) 公安备案粤公网安备 44522102000183号

GMT+8, 2025-10-29 16:18 , Processed in 0.038358 second(s), 31 queries , Gzip On.

Powered by Discuz! X3.5

© 2001-2025 Discuz! Team.

快速回复 返回顶部 返回列表