一乐电子

 找回密码
 请使用微信账号登录和注册会员

QQ登录

只需一步,快速开始

微信扫码登录

手机号码,快捷登录

手机号码,快捷登录

搜索
查看: 4207|回复: 27

求助ibm电源提升电压做白光

[复制链接]
发表于 2014-1-17 18:53 | 显示全部楼层 |阅读模式
本帖最后由 ba02b 于 2014-1-17 19:09 编辑

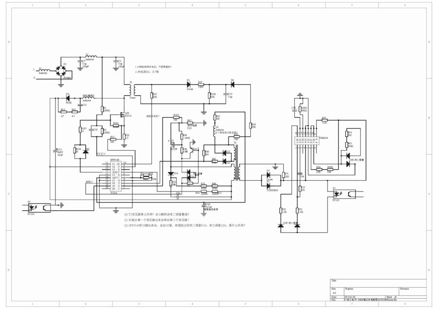
印度尼西亚16v 4.5a电源改电压,自己试过多次只到18v多,好不容易找到图纸,前辈帮忙看看咋改?
0e2442a7d933c8950e9ca74dd01373f082020021.jpg

发表于 2014-1-17 19:19 | 显示全部楼层
别改了,16V也不错了,俺一直在用。
回复

使用道具 举报

发表于 2014-1-17 20:46 | 显示全部楼层
这图输出端怎么没看到?
回复

使用道具 举报

发表于 2014-1-17 20:57 | 显示全部楼层
看不懂图纸
回复

使用道具 举报

发表于 2014-1-17 21:03 | 显示全部楼层
白菜白光,平时焊个贴片阻容,可以体验一下葛朗台的感觉,真省锡,真要是拖焊大规模ic,还是936方便,马蹄头熟手拈来,T12虽然也有马蹄头,但是只有端面吃锡,搬锡能力不敌936之头子。
回复

使用道具 举报

发表于 2014-1-17 21:07 | 显示全部楼层
浩淇心那有低压版的黑金刚控制器,你这个电压不用改就能用
回复

使用道具 举报

发表于 2014-1-17 21:37 | 显示全部楼层
正常电源副边都有过压检测,调节采样电阻是可以提高电压,但必须在过压值下,要是再往高的换可以换大电压的稳压管,或是过压回路串联个9v的稳压管就可以,不过改高后对副边元件的耐压还是要考虑好的。
回复

使用道具 举报

发表于 2014-1-17 21:52 | 显示全部楼层
别改了,就算电压改上去了,电流也会下来的,电流变小了就没有意思了
回复

使用道具 举报

发表于 2014-1-17 22:07 | 显示全部楼层
弄个剪线的苹果电源,这个还是不要改了,这个电源很好的。
回复

使用道具 举报

发表于 2014-1-17 23:34 | 显示全部楼层
18V电压已经很好了,太高也没啥用处,还会造成温度过冲现象。
回复

使用道具 举报

本版积分规则

QQ|一淘宝店|手机版|商店|一乐电子 ( 粤ICP备09076165号 ) 公安备案粤公网安备 44522102000183号

GMT+8, 2026-2-27 15:15 , Processed in 0.038315 second(s), 30 queries , Gzip On.

Powered by Discuz! X3.5

© 2001-2025 Discuz! Team.

快速回复 返回顶部 返回列表