一乐电子

 找回密码
 请使用微信账号登录和注册会员

QQ登录

只需一步,快速开始

微信扫码登录

手机号码,快捷登录

手机号码,快捷登录

搜索
查看: 10454|回复: 22

[其他综合] 大家看看这个电源怎么样

  [复制链接]
发表于 2010-5-24 11:20 | 显示全部楼层 |阅读模式
 楼主| 发表于 2010-5-24 11:21 | 显示全部楼层
再来一张
58_1234304496.jpg
回复

使用道具 举报

发表于 2010-5-24 11:27 | 显示全部楼层
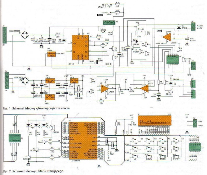
楼主自己设计的?好像都是固定电压输出
回复

使用道具 举报

 楼主| 发表于 2010-5-24 11:29 | 显示全部楼层
不是固定的0-25V。0-5A输出。固定输出是方便快速输出。
回复

使用道具 举报

发表于 2010-5-24 12:09 | 显示全部楼层
很漂亮
有没有制作资料
回复

使用道具 举报

 楼主| 发表于 2010-5-24 12:29 | 显示全部楼层
资料是有不过没有源文件是hex,版图是KICAD软件的,需要转。
回复

使用道具 举报

发表于 2010-5-24 12:34 | 显示全部楼层
回复 1# gps422129


太强了!
回复

使用道具 举报

发表于 2010-5-24 13:36 | 显示全部楼层
http://www.myelectronics.republika.pl/zasilacz2.html

0-25V,0-5A的M8电源
回复

使用道具 举报

发表于 2010-5-24 13:44 | 显示全部楼层
gps422129 发表于 2010-5-24 11:20 https://www.yleee.com.cn/images/common/back.gif


请脱下衣服!!
回复

使用道具 举报

发表于 2010-5-24 13:53 | 显示全部楼层
本帖最后由 HGQ21102 于 2010-5-24 14:09 编辑
资料是有不过没有源文件是hex,版图是KICAD软件的,需要转。
gps422129 发表于 2010-5-24 12:29 https://www.yleee.com.cn/images/common/back.gif

能下载到HEX文件吖~~
zasilacz mikroprocesorowy.hex

要是那些固定输出按键能软设置就完美如按1.5V的能在软件上改为3V或者其它
对了~~那个继电器起什么作用?

http://www.myelectronics.republika.pl/zasilacz2/Image(154).jpg
http://www.myelectronics.republika.pl/zasilacz2/Image(168).jpg
http://www.myelectronics.republika.pl/zasilacz2/Image(186).jpg
http://www.myelectronics.republika.pl/zasilacz2/Image(179).jpg
http://www.myelectronics.republika.pl/zasilacz2/Image(198).jpg
回复

使用道具 举报

本版积分规则

QQ|一淘宝店|手机版|商店|一乐电子 ( 粤ICP备09076165号 ) 公安备案粤公网安备 44522102000183号

GMT+8, 2026-1-29 23:51 , Processed in 0.033245 second(s), 30 queries , Gzip On.

Powered by Discuz! X3.5

© 2001-2025 Discuz! Team.

快速回复 返回顶部 返回列表