一乐电子

 找回密码
 请使用微信账号登录和注册会员

QQ登录

只需一步,快速开始

微信扫码登录

手机号码,快捷登录

手机号码,快捷登录

搜索
查看: 1851|回复: 4

M8 V4电源调试请教

[复制链接]
发表于 2014-3-18 11:55 | 显示全部楼层 |阅读模式
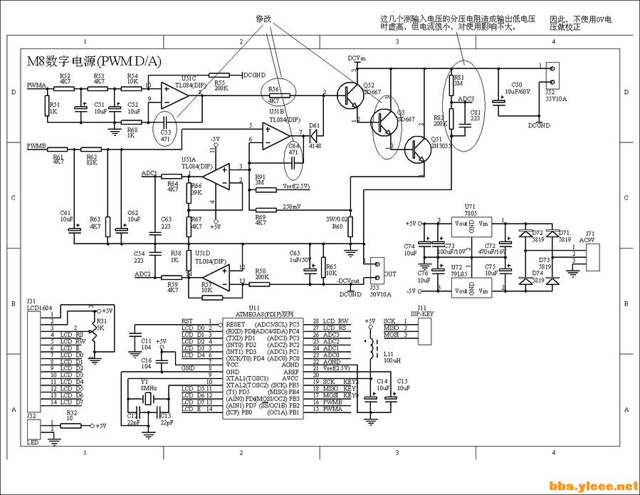
今天得闲把N久前自己热转印的V4版本电源拿出来焊接好了,刷的是GANDF老师贴里的V4版本LCD2004液晶固件,熔丝也是贴里介绍的。开机接入30V/3A直流电源开始调试,第一步就出问题了:
调试最小电压时万用表监测输出只有0.XXV,调节PWMmin的值无论如何都达不到1V,后面的8V调整及电流调整全都一样.

检查了PCB走线及元件,排除了断线、焊接错误或虚焊的可能。测板上±5V都正常。推动管是SD667,功率管是C3306,都全部焊下来检查过是完好的。所有电阻也检查了没问题。

单片机换了3片也是同样问题。求分析,解决

下面是我所用的原理图及实物图
电路图V6以下.png


20140318_113606.jpg



发表于 2014-4-5 19:55 | 显示全部楼层
搞定了没,我的输出和输入电压显示误差严重啊,怎么调都一样。
回复

使用道具 举报

发表于 2014-4-5 20:02 | 显示全部楼层
拔掉运放,直接看PWM输出电压
回复

使用道具 举报

发表于 2014-11-6 22:27 | 显示全部楼层
搞定了吗?我的问题和你的一样,
回复

使用道具 举报

发表于 2014-11-15 06:03 来自手机 | 显示全部楼层
寒月 发表于 2014-11-6 22:27
搞定了吗?我的问题和你的一样,

我的搞定了,是功率管的be级接错线,
回复

使用道具 举报

本版积分规则

QQ|一淘宝店|手机版|商店|一乐电子 ( 粤ICP备09076165号 ) 公安备案粤公网安备 44522102000183号

GMT+8, 2026-2-27 09:04 , Processed in 0.033867 second(s), 25 queries , Gzip On.

Powered by Discuz! X3.5

© 2001-2025 Discuz! Team.

快速回复 返回顶部 返回列表