一乐电子

 找回密码
 请使用微信账号登录和注册会员

QQ登录

只需一步,快速开始

微信扫码登录

手机号码,快捷登录

手机号码,快捷登录

搜索
查看: 5226|回复: 11

具有短路保护的13.8V稳压电源(261307853 进)

[复制链接]
发表于 2014-4-13 11:27 | 显示全部楼层 |阅读模式
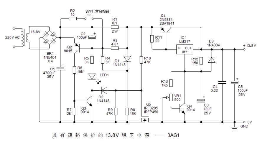
261307853 想给自己的v段基地电台做一个稳压电源,现有一个16.8V1.8A的变压器,要求电路简单稳定,有短路保护。

现有零件LM317,所以就用PNP大功率三极管扩流的方案,再增加一个短路、过流保护电路。

先贴一个使用继电器的电路:

LM317-13.8V.GIF
发表于 2014-4-13 11:28 来自手机 | 显示全部楼层
抄收了,多谢!
抽时间找元件做个试试
回复

使用道具 举报

 楼主| 发表于 2014-4-13 11:37 | 显示全部楼层
261307853 找到的继电器是5V的,额定工作电流大约40多毫安,虽然也能用,但降压电阻会消耗较大功率,所以R9要用1W以上的大功率电阻。

最好使用12V或24V的继电器,如果是12V的继电器,额定工作电流约30毫安,就把R9换成300欧。
24V继电器就把R9短接。

这个电路的保护动作电流取额定工作电流的1.5倍,大约在2.8 ~ 3A间。

扩流三极管最好不用2955之类的,假货太多,2N5883 、2N5884也要注意买铝壳的,不要买铁壳货。
塑封PNP管2SA1941、2SA1943、2SA1301等都可以用。
回复

使用道具 举报

 楼主| 发表于 2014-4-13 11:42 | 显示全部楼层
本帖最后由 3AG1 于 2014-4-13 12:43 编辑
261307853 发表于 2014-4-13 11:28
抄收了,多谢!
抽时间找元件做个试试


你拆的那个IRFP450导通电阻有点大,大概在0.4欧,可以用,但大电流输出时压降大,效果不是很好。

最好找找IRF3205之类的低导通电阻场管。

下面贴一个使用NMOS场管做过流保护的电路:

LM317-13.8V 3A.GIF

回复

使用道具 举报

 楼主| 发表于 2014-4-13 11:51 | 显示全部楼层
如果想更改电路的保护动作电流,可以调整R3/R4的比值,R4越小,动作灵敏度越高,最小电流大约在100mA,设定的电流太小电路就容易误动作,可能负载电流的变化就会使电路保护。

C2的容量在47 ~ 100uF间,容量小了过流保护灵敏,但容易误动作。
可根据自己的实际情况调整其容量。
回复

使用道具 举报

发表于 2014-4-13 11:57 | 显示全部楼层
收了了,谢谢楼主,看了不少你的技术帖,学到了不和电路知识。
回复

使用道具 举报

 楼主| 发表于 2014-4-13 11:58 | 显示全部楼层
261307853 发表于 2014-4-13 11:28
抄收了,多谢!
抽时间找元件做个试试

看了下你在这个帖子里贴的继电器图片,觉得还是换一个工作电压高一些的,电流大一些的比较好。

https://www.yleee.com.cn/thread-18467-4-1.html

再找找吧,实在找不到就用NMOS场管,可靠性要好于继电器。
回复

使用道具 举报

发表于 2014-4-13 12:07 | 显示全部楼层
3AG1 发表于 2014-4-13 11:58
看了下你在这个帖子里贴的继电器图片,觉得还是换一个工作电压高一些的,电流大一些的比较好。

http:/ ...

mos管上不加个稳压管箝位下Vgs吗?小心输入波动把MOS的g级给烧了
回复

使用道具 举报

 楼主| 发表于 2014-4-13 12:22 | 显示全部楼层
384065902 发表于 2014-4-13 12:07
mos管上不加个稳压管箝位下Vgs吗?小心输入波动把MOS的g级给烧了

不用加稳压管。

16.8V整流后最高电压小于24V,R9 、R10分压后加到GS上的电压在安全范围内。
即使交流电压20%范围内波动,仍然是安全的。
回复

使用道具 举报

发表于 2014-4-13 14:14 来自手机 | 显示全部楼层
3AG1 发表于 2014-4-13 11:58
看了下你在这个帖子里贴的继电器图片,觉得还是换一个工作电压高一些的,电流大一些的比较好。

http:/ ...

嗯,再找找看,可惜了这节能灯~~~~~
回复

使用道具 举报

本版积分规则

QQ|一淘宝店|手机版|商店|一乐电子 ( 粤ICP备09076165号 ) 公安备案粤公网安备 44522102000183号

GMT+8, 2026-2-27 12:12 , Processed in 0.042395 second(s), 29 queries , Gzip On.

Powered by Discuz! X3.5

© 2001-2025 Discuz! Team.

快速回复 返回顶部 返回列表