一乐电子

 找回密码
 请使用微信账号登录和注册会员

QQ登录

只需一步,快速开始

微信扫码登录

手机号码,快捷登录

手机号码,快捷登录

搜索
查看: 3001|回复: 14

求助:各位老师请帮忙看看这屏

[复制链接]
发表于 2014-5-14 09:56 | 显示全部楼层 |阅读模式
现在手上有一块F5全彩P7.62的LED16*32屏,想做个点阵钟玩玩,请问这屏的接口是如何定义的呢?使用电压电流时多少?5V的吗?请老师们指点一下!谢谢!!如下图的接口定义正确不
IMG_3016.JPG    

接口.JPG
发表于 2014-5-14 10:19 | 显示全部楼层
这个不能叫全彩的,只能叫双色的LED点阵屏
回复

使用道具 举报

 楼主| 发表于 2014-5-14 10:34 | 显示全部楼层
zqele 发表于 2014-5-14 10:19
这个不能叫全彩的,只能叫双色的LED点阵屏

真的有红绿蓝三色呢!组合起来就是7彩了,不是双色的

点评

哈哈,既然三色,RG都有了B呢?  发表于 2014-5-14 11:08
回复

使用道具 举报

 楼主| 发表于 2014-5-14 11:48 | 显示全部楼层
这接口图是网上看到的,可能是错的。哪位老师见过这种屏的请指导一下
回复

使用道具 举报

发表于 2014-5-14 12:23 | 显示全部楼层
把屏反面拍张图片看一下就清楚了,看你的接口
回复

使用道具 举报

发表于 2014-5-14 12:24 | 显示全部楼层
看你发的接口图片绝对不是全彩的,如朋友HYSY所讲
回复

使用道具 举报

发表于 2014-5-14 13:38 | 显示全部楼层
从驱动IC入手吧,再查245,再到插针。
回复

使用道具 举报

 楼主| 发表于 2014-5-16 10:29 | 显示全部楼层
surelost 发表于 2014-5-14 13:38
从驱动IC入手吧,再查245,再到插针。

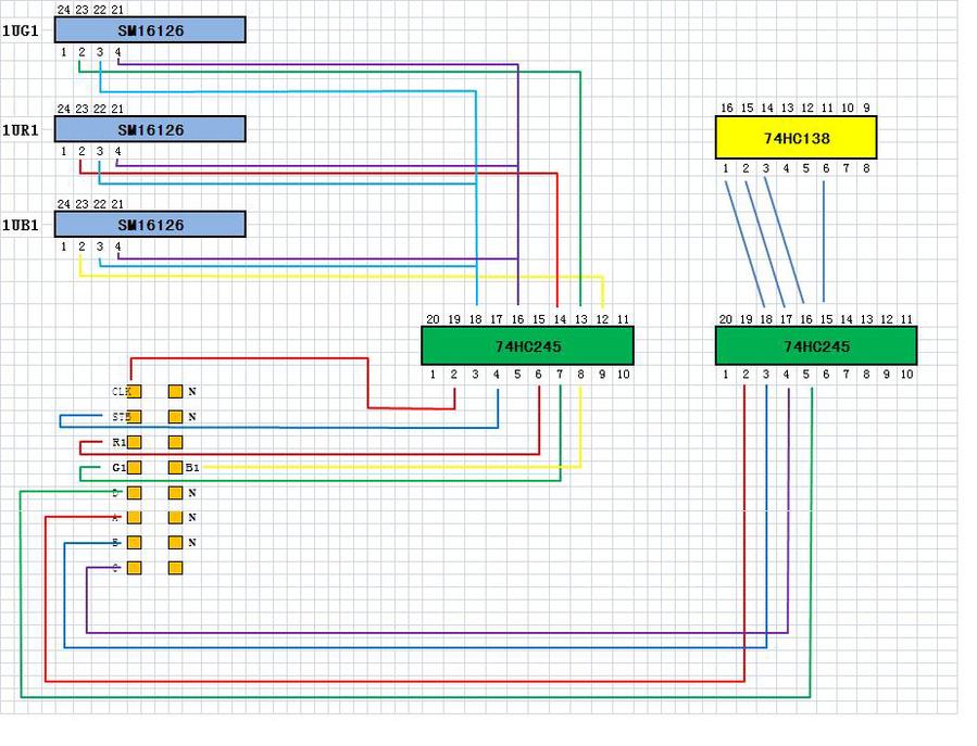
这屏使用了SM16126芯片,没见过这种芯片呢。参考了网上的芯片说明,自己用万用表量了一下。大概确定了接口的定义:CLK,STB,A,B,C,D,R1,G1,B1,唯有OE不知道如何确定,请老师们帮帮忙。感谢!

未命名.JPG
回复

使用道具 举报

发表于 2014-5-16 13:27 | 显示全部楼层
molywang 发表于 2014-5-16 10:29
这屏使用了SM16126芯片,没见过这种芯片呢。参考了网上的芯片说明,自己用万用表量了一下。大概确定了接 ...

芯片的21脚就是OE,检查这个脚是连到什么地方去的,会不会接地呢?
回复

使用道具 举报

 楼主| 发表于 2014-5-16 13:58 | 显示全部楼层
surelost 发表于 2014-5-16 13:27
芯片的21脚就是OE,检查这个脚是连到什么地方去的,会不会接地呢?

surelost 老师:这脚接地了,如何是好?我没遇见过这种芯片,请你指导!
回复

使用道具 举报

本版积分规则

QQ|一淘宝店|手机版|商店|一乐电子 ( 粤ICP备09076165号 ) 公安备案粤公网安备 44522102000183号

GMT+8, 2025-11-24 06:07 , Processed in 0.038533 second(s), 34 queries , Gzip On.

Powered by Discuz! X3.5

© 2001-2025 Discuz! Team.

快速回复 返回顶部 返回列表