一乐电子

 找回密码
 请使用微信账号登录和注册会员

QQ登录

只需一步,快速开始

微信扫码登录

手机号码,快捷登录

手机号码,快捷登录

搜索
查看: 2889|回复: 5

7107表头电压电流切换电路

[复制链接]
发表于 2010-6-12 13:43 | 显示全部楼层 |阅读模式
本帖最后由 zybzyb 于 2010-6-14 13:04 编辑

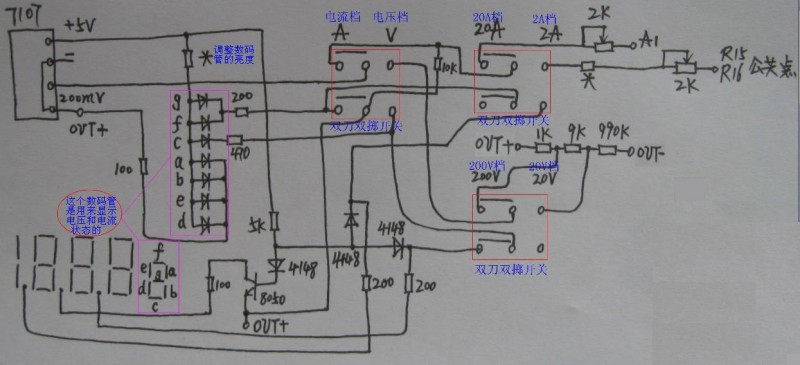
7107切换电路.JPG
此电路适用于小尚弟的0-30V,0-5A恒流恒压稳压电源。7107表头需要单独供电。
使用3只双刀双掷开关设计的7107表头,能实现电压、电流切换电路。一只开关切换电压和电流,第二只开关在电压档切换200V档和20V档,20V档显示精度比较高,精确到0.01V。200V档,精确到0.1V。第三只开关在电流档切换20A档和2A档,2A档显示,精确到1MA,20A档精确到10MA。 7107表头旁边的小数码管用来显示,电压(显示V)和电流档(显示A)的状态。2A档需要接到R15、R16、R11的公共点上,2A档带*的电阻需要根据R24、R25的大小来计算。20A档直接连接到指针电流表A1和R24、R25的公共点。
发表于 2010-6-12 15:10 | 显示全部楼层
7107表头电压电流切换电路,不错,不错~~
回复

使用道具 举报

发表于 2010-6-12 15:40 | 显示全部楼层
楼主的电路看了半天,总算看懂一些,不知道是否实际使用过,有几个问题请教一下:
1、小尚弟的电路图中5V与输出共地,你这个表头使用的是这个5V供电还是单独的电源,如果使用小尚弟电路中的5V供电的话,不仅表头可能损坏,而且电源的输出端也是短路的。
2、表头电压分压部分好像有点问题,V+直接接入表头,按楼主电路中的分压网络,V-接的是1K电阻一端,实际分压后表头输入电压将是99/100或999/1000,而不是1/100或1/1000。
回复

使用道具 举报

发表于 2010-6-12 15:50 | 显示全部楼层
我用小尚弟的电路做的电源的7107表头是一个单独的部分,用独立的5V供电,电压20V、200V两档,电流2A、20A两档,可以单独作为电压、电流表使用。
使用一只两刀两掷开关切换显示电源输出电压或电压电流测量,一只两刀两掷开关切换电压量程,电压的分压电阻网络直接焊接在切换开关上,另外使用一只两刀三掷开关切换电压测量、2A电流测量、20A电流测量。表头设单独的四个输入插孔,分别是GND、V、2A、20A,2A、20A插孔与GND之间分别接入单独的分流电阻。
回复

使用道具 举报

发表于 2010-6-13 08:33 | 显示全部楼层
也把电路图贴上来:
表头接线.JPG


说明一下:如果不需要电源指示与测量的切换,可以减少一个开关,其余两个开关也可以用两刀四掷的代替。
回复

使用道具 举报

 楼主| 发表于 2010-6-14 13:06 | 显示全部楼层
我用小尚弟的电路做的电源的7107表头是一个单独的部分,用独立的5V供电,电压20V、200V两档,电流2A、20A两 ...
scnnlf 发表于 2010-6-12 15:50 https://www.yleee.com.cn/images/common/back.gif



回答:
1.7107需要单独供电,我的电路板是自己做的,没有注意到小尚弟的电路图中7107的供电。
2.表头电压分压部分OUT+和OUT-画错了,电路图已经修改了。
我的电路正在使用中,工作很稳定。
我也看了您的电路了,比我的简单整齐。我的电路只是比您的电路多了一个数码管显示电压和电流的符合,所以做得复杂了一些。
回复

使用道具 举报

本版积分规则

QQ|一淘宝店|手机版|商店|一乐电子 ( 粤ICP备09076165号 ) 公安备案粤公网安备 44522102000183号

GMT+8, 2025-11-24 00:25 , Processed in 0.035824 second(s), 26 queries , Gzip On.

Powered by Discuz! X3.5

© 2001-2025 Discuz! Team.

快速回复 返回顶部 返回列表