一乐电子

 找回密码
 请使用微信账号登录和注册会员

QQ登录

只需一步,快速开始

微信扫码登录

手机号码,快捷登录

手机号码,快捷登录

搜索
查看: 4319|回复: 5

[其他综合] 你们用multisim做电路仿真,我用MATLAB做一个

[复制链接]
发表于 2014-6-27 14:54 | 显示全部楼层 |阅读模式
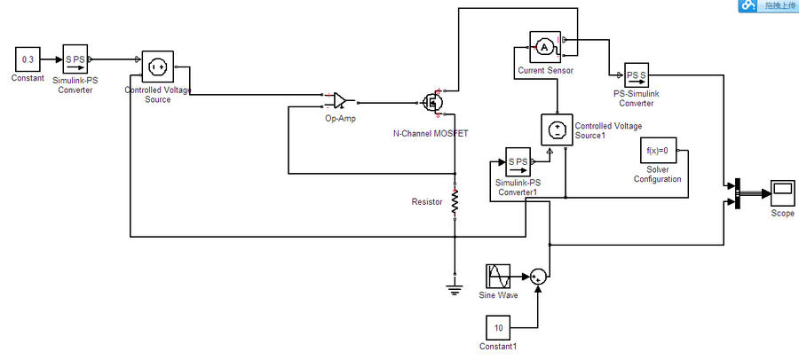
最近想做个小玩意,习惯了在做东西之前做个仿真。以前用过multisim,知道是个很专业的电路仿真软件,之所以用MATLAB,首先习惯了使用MATLAB,以前也用MATLAB做过相关项目,其次,电脑真心不想装那么多软件。鉴于MATLAB强大的能力,于是开发了一下MATLAB电路仿真功能。
QQ截图20140627143307.jpg

如图,是最基本的恒流电子负载原理,电压源是一个10V和幅值为4,角速度为100rad/s的正弦信号合成的,取样电阻为0.1欧姆,给定电压为0.3V,意思的给定电流3A。
下面是仿真结果

QQ截图20140627143053.jpg

紫色的是电压,红色的是电流。
目前就会这些简单的,其他功能以后慢慢学



电流局部放大图
QQ截图20140627144935.jpg
 楼主| 发表于 2014-6-27 14:54 | 显示全部楼层
欢迎多多交流
回复

使用道具 举报

发表于 2014-6-27 15:32 | 显示全部楼层
要说做入门级那这些就够了,AD在12Bit一下不用太关心,要是想做高了则可以说LZ没考虑到几件事:基准压噪声滤波,基准压温飘补偿,检流电阻温飘补偿,运放输入端极弱信号的干扰问题,运放阻抗匹配,运放积分反馈电路,调整管响应速度,整体PSRR,和这些所造成的功率恒流输出纹波。这些是一般仿真软件仿不出来的,只能靠实际~~~~~~  我倒是有个工频供电恒流5A纹波不大于30μA的方案,不过温飘靠单片机补偿。
回复

使用道具 举报

发表于 2014-6-27 16:17 | 显示全部楼层
留个几号
回复

使用道具 举报

 楼主| 发表于 2014-6-27 18:21 | 显示全部楼层
384065902 发表于 2014-6-27 15:32
要说做入门级那这些就够了,AD在12Bit一下不用太关心,要是想做高了则可以说LZ没考虑到几件事:基准压噪声 ...

还为考虑,一步一步设计,逐渐完善外围器件。不过也谢谢,让我知道从那去考虑了。控制我是想着采用数字PI控制,不用硬件电路,虽然慢了点,但是方便
回复

使用道具 举报

发表于 2014-6-27 21:33 | 显示全部楼层
杨鸣 发表于 2014-6-27 18:21
还为考虑,一步一步设计,逐渐完善外围器件。不过也谢谢,让我知道从那去考虑了。控制我是想着采用数字PI ...

运放自己的PI容组反馈,频率轻松到100khz左右,单片机怎么做。这种电路单片机就控制一个经过温补的基准压过去到运放就完事了,恒流什么的交给运放自己玩。再有运放定什么型号?我的是LT1050
回复

使用道具 举报

本版积分规则

QQ|一淘宝店|手机版|商店|一乐电子 ( 粤ICP备09076165号 ) 公安备案粤公网安备 44522102000183号

GMT+8, 2025-11-28 00:27 , Processed in 0.038556 second(s), 26 queries , Gzip On.

Powered by Discuz! X3.5

© 2001-2025 Discuz! Team.

快速回复 返回顶部 返回列表