一乐电子

 找回密码
 请使用微信账号登录和注册会员

QQ登录

只需一步,快速开始

微信扫码登录

手机号码,快捷登录

手机号码,快捷登录

搜索
查看: 5749|回复: 10

12V 12A 开关电源改可调,高手们进!

[复制链接]
发表于 2014-7-29 12:13 | 显示全部楼层 |阅读模式
本帖最后由 2510533 于 2014-7-29 12:16 编辑

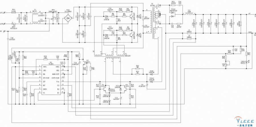
按照kangdage的教程正在改可调电源,现在遇到一些问题给TL494独立供电

拆除14脚到2脚的电阻 焊接上电位器后,电压调节到7V 一下  TL494 就停止工作了,kangdage说是 低压保护电路保护了,说按照图纸拆除4脚连接的 二极管后面部分,我按照kangdage说的  拆除后 还是低压保护,是不是我拆除的原件不对  要拆除 V5  R27 R28   稳压二极管 要拆除吗?  各位能否帮我画一下要拆除哪几个原件
173153a5d1sttxx1e3d3g1-2.gif




发表于 2014-7-29 13:19 | 显示全部楼层
调到7V的时候494供电电压多少?
回复

使用道具 举报

 楼主| 发表于 2014-7-29 13:42 | 显示全部楼层
fujiachun 发表于 2014-7-29 13:19
调到7V的时候494供电电压多少?

我的 TL494 是 15V 独立给他供电的
现在 往下调节 解决了 低于7V 已经可以工作,就是 电压下到5V 一下的时候 电位器 轻轻动一点,电压就降的好多,,0-3v 很难定位

还有就是 调节电流 的 电阻还是为找到是哪一个。。。
麻烦帮看一看
回复

使用道具 举报

发表于 2014-7-29 13:49 | 显示全部楼层
2510533 发表于 2014-7-29 13:42
我的 TL494 是 15V 独立给他供电的
现在 往下调节 解决了 低于7V 已经可以工作,就是 电压下到5V 一下的 ...

调节电流 应该是R35  R36  这两个  具体不知你怎么改
回复

使用道具 举报

发表于 2014-7-29 14:02 | 显示全部楼层
我得去查询一下  看看是不是这样
回复

使用道具 举报

发表于 2014-7-29 14:17 | 显示全部楼层
如果图中J1和J2的位置是电阻的话,R35,R36调整电流。具体的数值要看下494的手册来算下,估计是减小R36可以加大电流
回复

使用道具 举报

发表于 2014-7-29 14:19 | 显示全部楼层
低于5V电位器难调整,这种调整是非线性的,加个小电位器比如几百欧容易调整些
回复

使用道具 举报

发表于 2014-7-29 17:58 | 显示全部楼层
没有辅助电源你调个屁啊  原理都不懂
回复

使用道具 举报

 楼主| 发表于 2014-7-29 19:39 | 显示全部楼层
徐利达 发表于 2014-7-29 17:58
没有辅助电源你调个屁啊  原理都不懂

你怎么就知道我没有辅助电源,说话真J8难听
回复

使用道具 举报

发表于 2014-7-29 20:19 | 显示全部楼层
2510533 发表于 2014-7-29 19:39
你怎么就知道我没有辅助电源,说话真J8难听

谁要你在1楼不说清楚的  后来在下面看到了
回复

使用道具 举报

本版积分规则

QQ|一淘宝店|手机版|商店|一乐电子 ( 粤ICP备09076165号 ) 公安备案粤公网安备 44522102000183号

GMT+8, 2026-2-27 10:41 , Processed in 0.038215 second(s), 30 queries , Gzip On.

Powered by Discuz! X3.5

© 2001-2025 Discuz! Team.

快速回复 返回顶部 返回列表