一乐电子

 找回密码
 请使用微信账号登录和注册会员

QQ登录

只需一步,快速开始

微信扫码登录

手机号码,快捷登录

手机号码,快捷登录

搜索
查看: 5564|回复: 12

请教大家,里面的这几个可调电源,哪一个性能最好?

[复制链接]
发表于 2014-8-15 08:56 | 显示全部楼层 |阅读模式
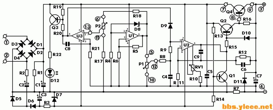
想自己做个电源用,这三个电路,哪一个性能最好,最稳定,其次是哪一个电路。以后如果想用单片机控制的话,哪一个最好改造。
20090328_1d43ae421420911f96dcRfosJUjwJGSy.gif
1005180720fcdec6844c155c8b.gif
1511233836936.jpg

评分

参与人数 1一乐金币 +10 收起 理由
wzhy154957 + 10 赞一个!

查看全部评分

发表于 2014-8-15 09:03 | 显示全部楼层
好像基本原理都一样的
回复

使用道具 举报

发表于 2014-8-15 09:18 | 显示全部楼层
改数控第一图的最合适,但电路复杂成本也高些。
手调的话第3图,经典设计
回复

使用道具 举报

发表于 2014-8-15 09:24 | 显示全部楼层
我信第2个,因为看过该网页解释得好仔细。
回复

使用道具 举报

发表于 2014-8-15 09:29 | 显示全部楼层
选第一个~这个是实际生产用到的。
回复

使用道具 举报

发表于 2014-8-15 11:31 | 显示全部楼层
这三个有介绍的网址链接吗?
回复

使用道具 举报

发表于 2014-8-15 11:43 | 显示全部楼层
第一个图性能最好,可靠性最高,成本和制作难度也最高。
第三个图次之,现在市场常见的电源与此图类似,注意电位器必须可靠,一旦接触不良就会输出最高电压,可靠性不好。
第二个图把稳压二极管改为电压基准,电压调节电位器增加保护电阻防止接触不良输出高压,性能也可以。

以后改单片机控制,第一张图比较方便些。
回复

使用道具 举报

发表于 2014-8-15 12:41 | 显示全部楼层
第一图是最经典的成品电源,稳定性和可靠性不是下面可以比的。第三图网上流传的最多,错误的图纸也不少。第一图可以使用数字电流表不过也有个小错误,改数控第一图最方便。
回复

使用道具 举报

发表于 2014-8-15 19:48 | 显示全部楼层
第二个吧,全世界的DIY都在用的就是这个图纸
回复

使用道具 举报

发表于 2014-8-18 07:13 | 显示全部楼层
第一张图是最好的,我买过2台龙威的坏电源修好后用,就是这个图,只是换了多圈线绕电位器,电压电流非常稳定。
回复

使用道具 举报

本版积分规则

QQ|一淘宝店|手机版|商店|一乐电子 ( 粤ICP备09076165号 ) 公安备案粤公网安备 44522102000183号

GMT+8, 2026-2-26 16:16 , Processed in 0.036273 second(s), 31 queries , Gzip On.

Powered by Discuz! X3.5

© 2001-2025 Discuz! Team.

快速回复 返回顶部 返回列表