一乐电子
| 
 17988| 50
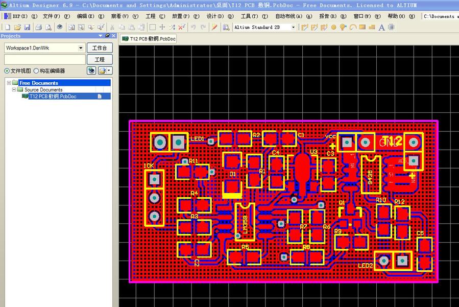
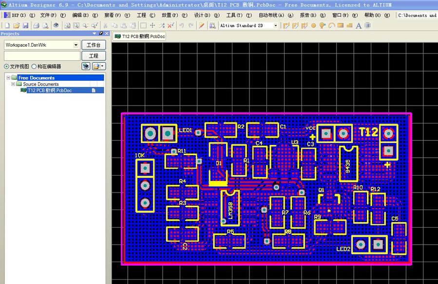
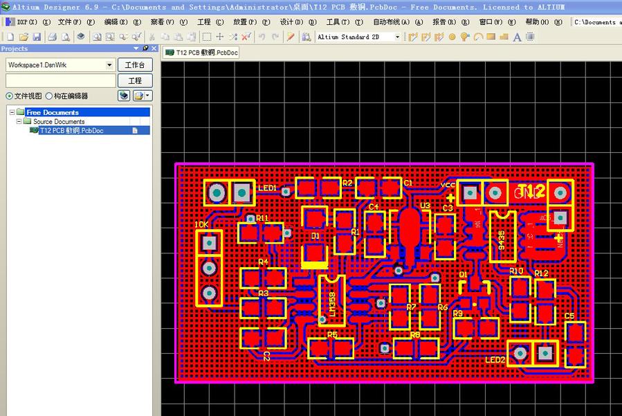
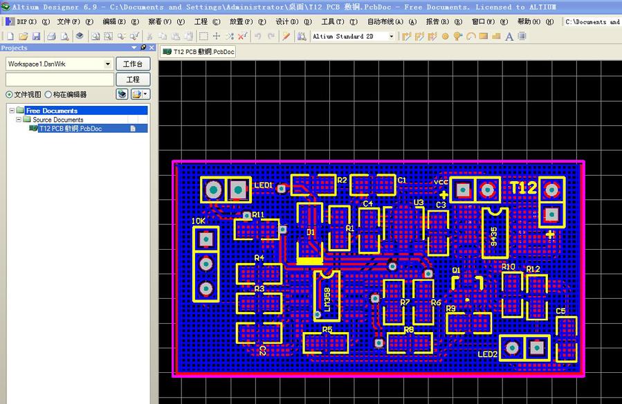
 | 共享白菜白光电路图 34063 PCB文件 | 
| 
 | ||
|  | |
| 
 点评
这个可以给万用表改供电的哦 
 | ||
|  | |
|  | |
|  | |
 |一淘宝店|手机版|商店|一乐电子
( 粤ICP备09076165号 )
|一淘宝店|手机版|商店|一乐电子
( 粤ICP备09076165号 )
 粤公网安备 44522102000183号
粤公网安备 44522102000183号
GMT+8, 2025-10-28 16:12 , Processed in 0.037744 second(s), 31 queries , Gzip On.
Powered by Discuz! X3.5
© 2001-2025 Discuz! Team.