一乐电子

 找回密码
 请使用微信账号登录和注册会员

QQ登录

只需一步,快速开始

微信扫码登录

手机号码,快捷登录

手机号码,快捷登录

搜索
查看: 15455|回复: 64

[51单片机] 3264LED点阵万年历最终完美版

[复制链接]
发表于 2014-11-6 09:38 | 显示全部楼层 |阅读模式
本帖最后由 sunny20 于 2014-12-8 12:43 编辑

经过最近的努力,在淘宝上弄到了一个3264的铝合金边框,立即买下,对自己的3264LED点阵万年历进行包装,现在不论是外观还是功能,都十分完美!先给大家欣赏下:
psb.jpg

主要做如下修改:进一步优化代码、增加按键控制,防止遥控丢了、修改字体颜色,时间为红色,星期和日期为绿色,温度为橙色,增加菜单自动退出,当进入设置20秒没动作,自动退出菜单,来个内部结构图:
psb2 .jpg

psb 2.jpg
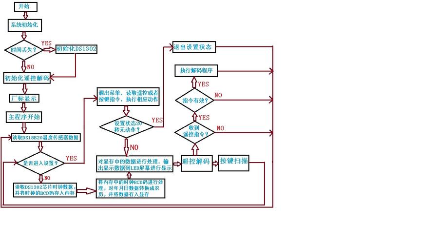
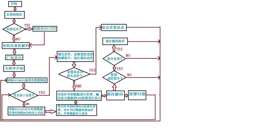
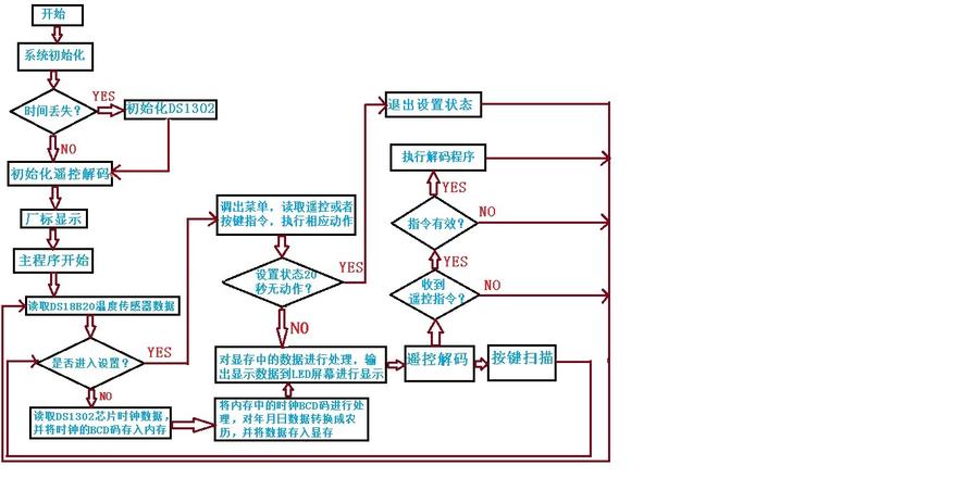
补上本人的程序流程图,供大家参考: 点阵程序流程图.jpg
成品视频演示地址:http://v.youku.com/v_show/id_XODQzOTk4NDE2.html

点评

贴上源码  发表于 2014-11-6 18:23
发表于 2014-11-6 10:05 | 显示全部楼层
太费电~!
回复

使用道具 举报

 楼主| 发表于 2014-11-6 11:57 | 显示全部楼层

费你的头,还不到4W呢!

点评

有好技术没有好口德有什么用?  发表于 2014-11-6 22:07
回复 0 1

使用道具 举报

发表于 2014-11-6 15:09 | 显示全部楼层
看看这个款式:




32x64双色点阵万年历 频谱2.jpg
回复

使用道具 举报

 楼主| 发表于 2014-11-6 15:39 | 显示全部楼层
hfy687 发表于 2014-11-6 15:09
看看这个款式:

好难看,而且农历不能中文!
回复

使用道具 举报

发表于 2014-11-6 18:22 | 显示全部楼层
界面算简洁,亚克力面板的颜色深点是不是能好看一点
回复

使用道具 举报

发表于 2014-11-7 08:35 | 显示全部楼层
"在淘宝上弄到了一个3264的铝合金边框,立即买下,对自己的3264LED点阵万年历进行包装,……"

请问:淘宝链接可以提供吗?
谢谢先!

点评

边框太贵,超过屏的价格了。  发表于 2014-11-7 08:54
回复

使用道具 举报

 楼主| 发表于 2014-11-7 21:44 | 显示全部楼层
无锡风 发表于 2014-11-7 08:35
"在淘宝上弄到了一个3264的铝合金边框,立即买下,对自己的3264LED点阵万年历进行包装,……"[/backcolor ...

一个铝合金边框60,一个3264点阵最便宜也得90!

点评

AMD
屏30就搞定了  发表于 2015-1-31 22:33
回复

使用道具 举报

发表于 2014-11-10 11:24 | 显示全部楼层
最好最便宜的3264边框是到十字绣店中给人弄,后面用KT板封上。一个20元,我做了十个,10元一个就可以了。绝对经济好用。
回复

使用道具 举报

 楼主| 发表于 2014-11-10 15:23 | 显示全部楼层
桃源客 发表于 2014-11-10 11:24
最好最便宜的3264边框是到十字绣店中给人弄,后面用KT板封上。一个20元,我做了十个,10元一个就可以了。绝 ...

这个对于你们北方的可以,我们南方的天气潮湿,弄不好就那些木框就吸湿散架了
回复

使用道具 举报

本版积分规则

QQ|一淘宝店|手机版|商店|一乐电子 ( 粤ICP备09076165号 ) 公安备案粤公网安备 44522102000183号

GMT+8, 2025-12-16 21:51 , Processed in 0.037597 second(s), 31 queries , Gzip On.

Powered by Discuz! X3.5

© 2001-2025 Discuz! Team.

快速回复 返回顶部 返回列表