一乐电子

 找回密码
 请使用微信账号登录和注册会员

QQ登录

只需一步,快速开始

微信扫码登录

手机号码,快捷登录

手机号码,快捷登录

搜索
查看: 3156|回复: 15

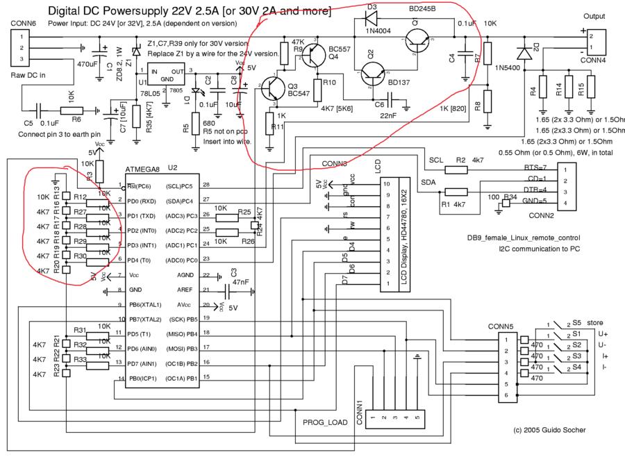
[avr] 请教各位一下,图中红圈处的原理。

[复制链接]
发表于 2014-11-30 16:32 | 显示全部楼层 |阅读模式
1、单片机输出引脚处的4.7K电阻的意义。
2、红圈出几个管子的工作原理1?
2011061705243945758-14820.gif
发表于 2014-11-30 17:21 | 显示全部楼层
那一大堆4.7k电阻看起来是用来做DA变换的,通过单片机的引脚控制分压电阻接地或接电源的位置,来改变输出电压,从而控制Q3的导通
回复

使用道具 举报

发表于 2014-11-30 17:29 | 显示全部楼层
这不是那个以前M8做的R-2R电源么,一堆4.7k、10k电阻R-2R T形网络和单片机构成模拟DAC,输出模拟电压通过Q3、Q4控制Q1、Q2组成的复合管调节输出电压
回复

使用道具 举报

发表于 2014-11-30 17:33 | 显示全部楼层
4K7的电阻阵列用单片机控制组合导通相当于数字电位器,红圈处的三极管组合就是调整电流大小的。
回复

使用道具 举报

 楼主| 发表于 2014-11-30 17:50 | 显示全部楼层
如果我没数错的话,用了8个单片机的引脚来导通,这个是什么道理呢?另个直接用引脚导通不可以吗?加电阻的用意是什么呢?本人小白、高手无喷
回复

使用道具 举报

 楼主| 发表于 2014-11-30 18:09 | 显示全部楼层
lddsn 发表于 2014-11-30 17:29
这不是那个以前M8做的R-2R电源么,一堆4.7k、10k电阻R-2R T形网络和单片机构成模拟DAC,输出模拟电压通过Q3 ...

可以详细解释一下他们的工作流程吗?谢谢
回复

使用道具 举报

发表于 2014-11-30 18:55 | 显示全部楼层
zqdl8 发表于 2014-11-30 17:50
如果我没数错的话,用了8个单片机的引脚来导通,这个是什么道理呢?另个直接用引脚导通不可以吗?加电阻的 ...

图中用了10个引脚
回复

使用道具 举报

发表于 2014-11-30 19:03 | 显示全部楼层
zqdl8 发表于 2014-11-30 17:50
如果我没数错的话,用了8个单片机的引脚来导通,这个是什么道理呢?另个直接用引脚导通不可以吗?加电阻的 ...

百度DAC,也就是数模转换,单片机输出是数字量,必须转换为模拟量才能控制模拟电路

点评

你没看懂我的回复  发表于 2014-11-30 23:03
你没看清楚我的问题  发表于 2014-11-30 22:00
回复

使用道具 举报

发表于 2014-11-30 23:04 | 显示全部楼层
zqdl8 发表于 2014-11-30 18:09
可以详细解释一下他们的工作流程吗?谢谢

你这个图是哪来的
回复

使用道具 举报

 楼主| 发表于 2014-12-1 12:22 | 显示全部楼层
lddsn 发表于 2014-11-30 23:04
你这个图是哪来的

网上搜索到的啊?
特别不明白的是为什么要那么多跟引脚串起来控制开关管?
回复

使用道具 举报

本版积分规则

QQ|一淘宝店|手机版|商店|一乐电子 ( 粤ICP备09076165号 ) 公安备案粤公网安备 44522102000183号

GMT+8, 2025-10-31 04:58 , Processed in 0.033148 second(s), 30 queries , Gzip On.

Powered by Discuz! X3.5

© 2001-2025 Discuz! Team.

快速回复 返回顶部 返回列表