一乐电子

 找回密码
 请使用微信账号登录和注册会员

QQ登录

只需一步,快速开始

微信扫码登录

手机号码,快捷登录

手机号码,快捷登录

搜索
查看: 18800|回复: 30

[其他综合] Transistortester

[复制链接]
发表于 2014-12-28 05:55 | 显示全部楼层 |阅读模式
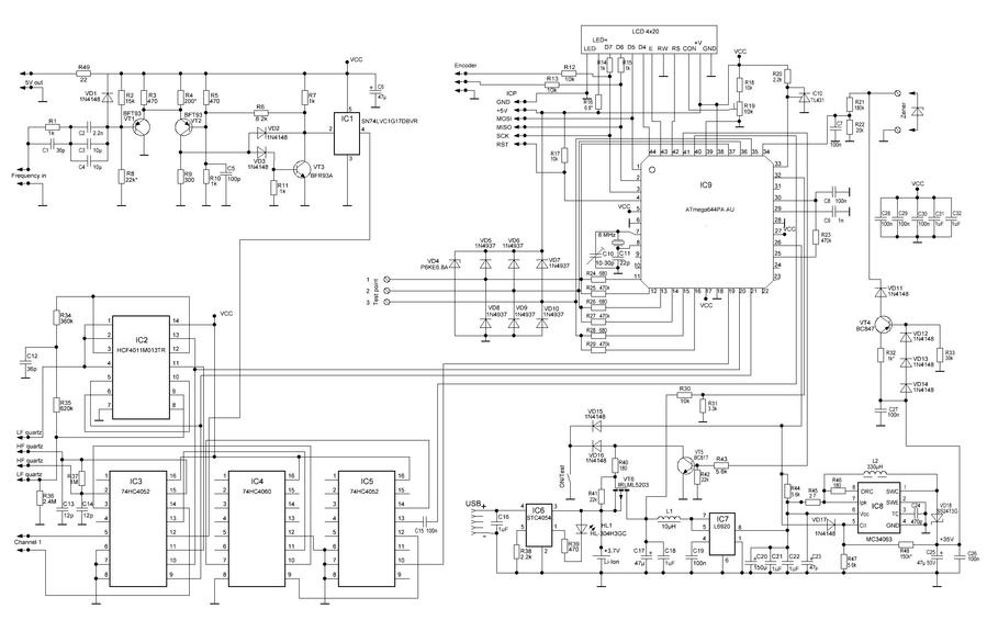
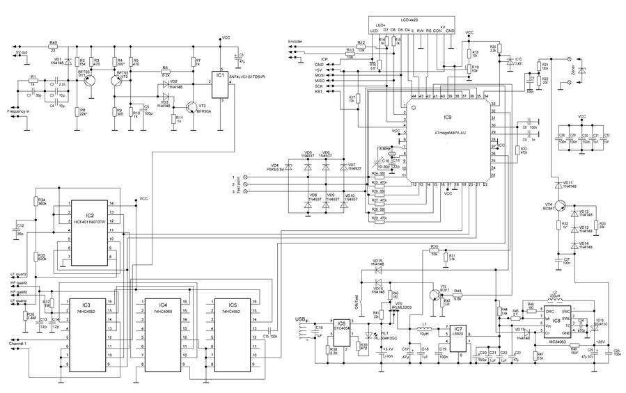
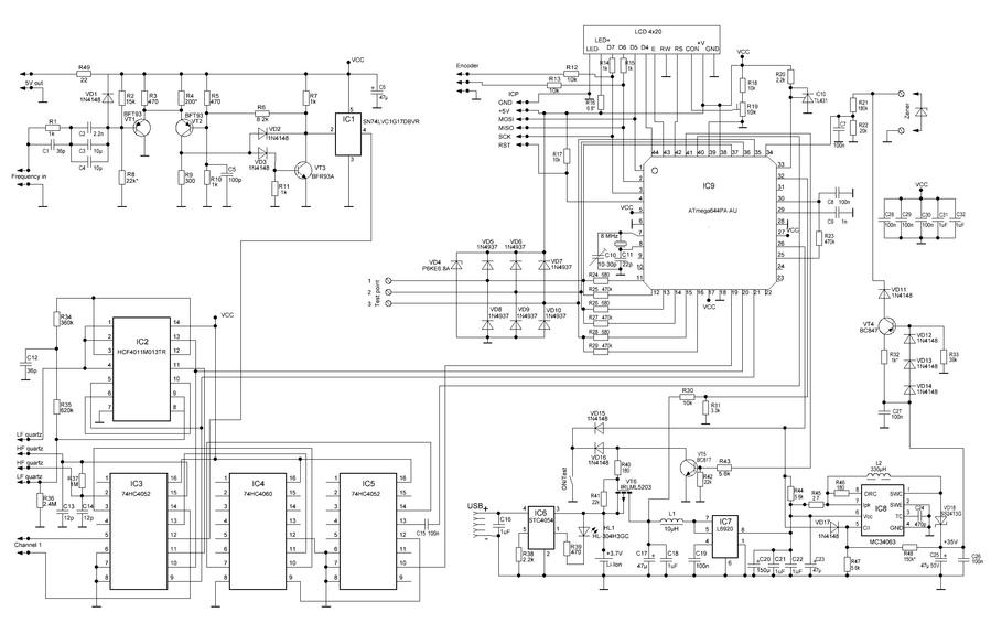
2004 display, Li-ion Battery and charge, Frequency meter, Generator, Little board, Zener meter.
It's a pity that you can not put links :(


Tester 2004_2.JPG
Resize of Tester 2004_PCB.JPG
1 копия.jpg
3 копия.jpg
4 копия.jpg
5 копия.jpg
6 копия.jpg
9 копия.jpg

评分

参与人数 2一乐金币 +34 收起 理由
sancho-1971 + 2
72hour + 32 赞一个!

查看全部评分

发表于 2015-1-31 21:53 | 显示全部楼层
好东西,有固件吗
回复

使用道具 举报

发表于 2015-1-31 22:03 | 显示全部楼层
赶脚是老外的,浩瀚的工程
回复

使用道具 举报

 楼主| 发表于 2015-2-1 04:21 | 显示全部楼层
rslgr 发表于 2015-1-31 21:53
好东西,有固件吗

yes of course.
回复

使用道具 举报

发表于 2015-2-1 13:13 | 显示全部楼层
没看到
回复

使用道具 举报

 楼主| 发表于 2015-2-1 16:54 | 显示全部楼层
本帖最后由 kirich 于 2015-2-1 17:00 编辑

Firmware English

EN 2004.zip

30.51 KB, 下载次数: 687, 下载积分: 一乐金币 -1

回复

使用道具 举报

发表于 2015-2-1 20:35 | 显示全部楼层

有时间仿—个试试
回复

使用道具 举报

发表于 2015-2-12 21:06 | 显示全部楼层
好东西啊,PCB能分享下吗?
回复

使用道具 举报

 楼主| 发表于 2015-2-13 00:09 | 显示全部楼层
tplin 发表于 2015-2-12 21:06
好东西啊,PCB能分享下吗?

PCB
Generally the fee is available in two versions, but the second will be difficult for me to describe it changed management boost converter.
Because post the first version of the board, as in the photo above.

universal meter 2004_F3.zip

79.97 KB, 下载次数: 702, 下载积分: 一乐金币 -1

回复

使用道具 举报

发表于 2015-2-13 09:10 | 显示全部楼层
thanks for share
回复

使用道具 举报

本版积分规则

QQ|一淘宝店|手机版|商店|一乐电子 ( 粤ICP备09076165号 ) 公安备案粤公网安备 44522102000183号

GMT+8, 2025-11-23 22:53 , Processed in 0.045225 second(s), 31 queries , Gzip On.

Powered by Discuz! X3.5

© 2001-2025 Discuz! Team.

快速回复 返回顶部 返回列表