一乐电子

 找回密码
 请使用微信账号登录和注册会员

QQ登录

只需一步,快速开始

微信扫码登录

手机号码,快捷登录

手机号码,快捷登录

搜索
查看: 2194|回复: 7

[其他综合] 求ATX电源模块2003引脚定义

[复制链接]
发表于 2015-1-9 13:50 | 显示全部楼层 |阅读模式
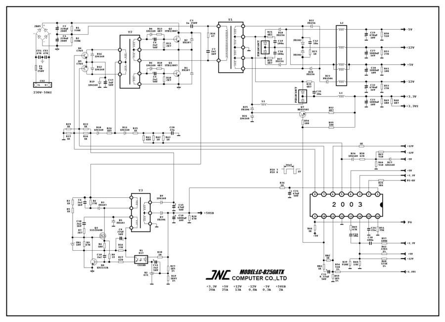
ATX电源,控制芯片是2003,求引脚定义。谢谢!!!
发表于 2015-1-9 17:09 | 显示全部楼层
帮顶一下吧,这芯片比太常见,最可怕的就是资料奇缺,以前我也修过一个这种芯片的ATX电源,所幸是副电源坏了,与这个芯片无关。
回复

使用道具 举报

发表于 2015-1-9 21:14 | 显示全部楼层
百度没找到?
回复

使用道具 举报

 楼主| 发表于 2015-1-9 23:45 | 显示全部楼层
本帖最后由 xiaoquan 于 2015-1-9 23:49 编辑

哇塞,在百度找到了,我想改调压。求大侠帮忙指点改那只脚。谢谢!
2003模块.gif
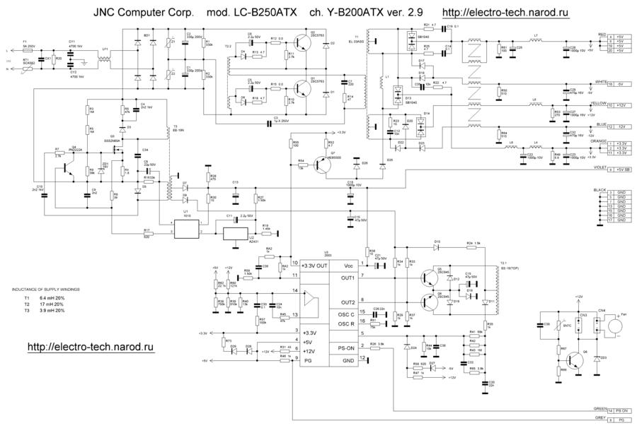
还有一张: 2003模块2.gif
回复

使用道具 举报

 楼主| 发表于 2015-1-9 23:52 | 显示全部楼层
fqdatiancai 发表于 2015-1-9 17:09
帮顶一下吧,这芯片比太常见,最可怕的就是资料奇缺,以前我也修过一个这种芯片的ATX电源,所幸是副电源坏 ...

师傅好,我找到了,帮忙看一下,我想改调压。谢谢!
回复

使用道具 举报

 楼主| 发表于 2015-1-9 23:53 | 显示全部楼层

师傅好,我找到了,帮忙看一下,我想改调压。谢谢!
回复

使用道具 举报

发表于 2015-1-10 17:36 | 显示全部楼层
从图中看,14脚好像是反馈信号输入,你改一下R39、R40看看输出电压有没有变化吧
回复

使用道具 举报

 楼主| 发表于 2015-1-11 23:48 | 显示全部楼层
fqdatiancai 发表于 2015-1-10 17:36
从图中看,14脚好像是反馈信号输入,你改一下R39、R40看看输出电压有没有变化吧

谢谢回复,
的确是调的R39,   电阻在50K---150K之间(手头没有合适的电位器),
12V电压在 11.5V---13.8V之间,超出此范围就保护了。但是5V电压也跟着升高了,
到13V时  5V到了5.8V,再高就保护了。
    担心此电源投入使用后工作不稳定,最好将过压保护解除。
再一次表示感谢!
回复

使用道具 举报

本版积分规则

QQ|一淘宝店|手机版|商店|一乐电子 ( 粤ICP备09076165号 ) 公安备案粤公网安备 44522102000183号

GMT+8, 2026-2-27 07:39 , Processed in 0.035482 second(s), 28 queries , Gzip On.

Powered by Discuz! X3.5

© 2001-2025 Discuz! Team.

快速回复 返回顶部 返回列表