一乐电子

 找回密码
 请使用微信账号登录和注册会员

QQ登录

只需一步,快速开始

微信扫码登录

手机号码,快捷登录

手机号码,快捷登录

搜索
查看: 2969|回复: 6

led音乐彩灯18W

[复制链接]
发表于 2015-3-4 20:20 | 显示全部楼层 |阅读模式
本帖最后由 yue45 于 2015-3-6 19:49 编辑

音乐彩灯说明
  本led灯采用红绿蓝三色灯珠,合成多种彩色光源。在音乐控制时,主要是根据声音的频率高低,来发出不同的颜色光,音乐中,单出现低音,如鼓声时,灯发出的颜色为红色,黄色;若出现高音,如响亮的孩子童音时,发出蓝色光。灯除了跟随声音频率变化外,也加入了幅度控制,即声音小时,光弱,声音大时,光强度增加。对于声音幅度,内部单片机是采用前一次与后一次的比较,从而减少了对声音幅度的依赖,即声音过大或过小时,感觉也能跟随音乐变化。在无声时,灯光逐渐变亮到最大,然后,循环发出13种色彩;当有声时,发光立刻变小,跟随声音强弱变化。
  另注:本灯如你用声音发生器发不同频段音频进行测试,会出现有的频段发光重合现象,原因为内部话筒放大电路对声音的处理不是很精确,上传一些视频供参考
18W.jpg
一,  本灯能发出13种不同的光,共有3种模式,供您选择。
1, 音乐控制模式:在有音乐声音时,灯能随音乐声而变化颜色,在静音时,灯按一定时间,轮换显示颜色。颜色显示间隔,约5秒。在此模式下,每次开灯,灯显示颜色为白色。
2,不受声控,轮流显示颜色,在此模式下,每次开灯,灯显示颜色为红色。
3,定色显示,就是只显示一种固定的颜色。在此模式下,每次开灯,灯显示颜色为黄色。
二,      模式转换:在灯断电30秒以上时,此时,将电源开关连续开3次,灯会转换成另外一种模式。电源开关,连续开,要遵循一定的时间,过短过长时,无效。在转换有效时,灯的颜色,会变成对应模式下的初次开灯的颜色。
三,      对于模式3,还多出一种选择,即选色,选色方法是和选择模式方法一样,不同的是,连续开关电源2次,就换一种颜色。在转换有效时,灯会瞬间变暗一下,表示颜色转换成功,随后,变换一种颜色,若显示的不是你要的颜色,再继续选择,一直选的白色为一个循环,再通断一下开关,就选到音乐控制模式了。此项选择,只在模式为2时有效。
注:若通电15秒内,转换模式或选色,不想等待断电30秒,则进行通断电时,用眼观察灯光的颜色,若符合转换模式或选色时,则停下来,若不是你想要的光,也可以继续通断电源,这次的通断电源,只有2次(选模式)或1次(选色)。若感觉颜色在通断电源时,没有改变,需要断电30秒以上,再重新操作。
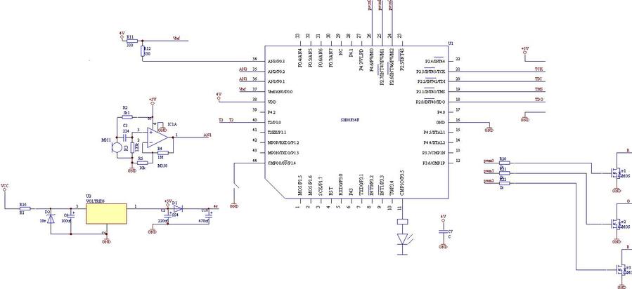
音乐控制led灯原理图2.JPG
音乐控制led灯原理图2.JPG
发表于 2015-3-6 09:51 | 显示全部楼层
楼主,
有原理图吗?
回复

使用道具 举报

 楼主| 发表于 2015-3-6 19:42 | 显示全部楼层
本帖最后由 yue45 于 2015-3-6 19:50 编辑

有的,现在,补充上,供参考。这个图,是没有恒流部分和三基色led灯珠部分的,只要改变恒流部分和三基色led灯珠的个数,可以改变灯功率大小的
回复 1 0

使用道具 举报

发表于 2015-4-15 10:09 | 显示全部楼层
为什么我评论不见了?
回复

使用道具 举报

发表于 2015-7-29 13:04 | 显示全部楼层
看了,不错的东西
回复

使用道具 举报

发表于 2015-8-24 21:10 | 显示全部楼层
不错的东西
回复

使用道具 举报

发表于 2015-9-9 16:23 | 显示全部楼层
分享程序啊,想做看看效果
回复

使用道具 举报

本版积分规则

QQ|一淘宝店|手机版|商店|一乐电子 ( 粤ICP备09076165号 ) 公安备案粤公网安备 44522102000183号

GMT+8, 2026-3-4 19:38 , Processed in 0.035423 second(s), 27 queries , Gzip On.

Powered by Discuz! X3.5

© 2001-2025 Discuz! Team.

快速回复 返回顶部 返回列表