一乐电子
| 
 6830| 22
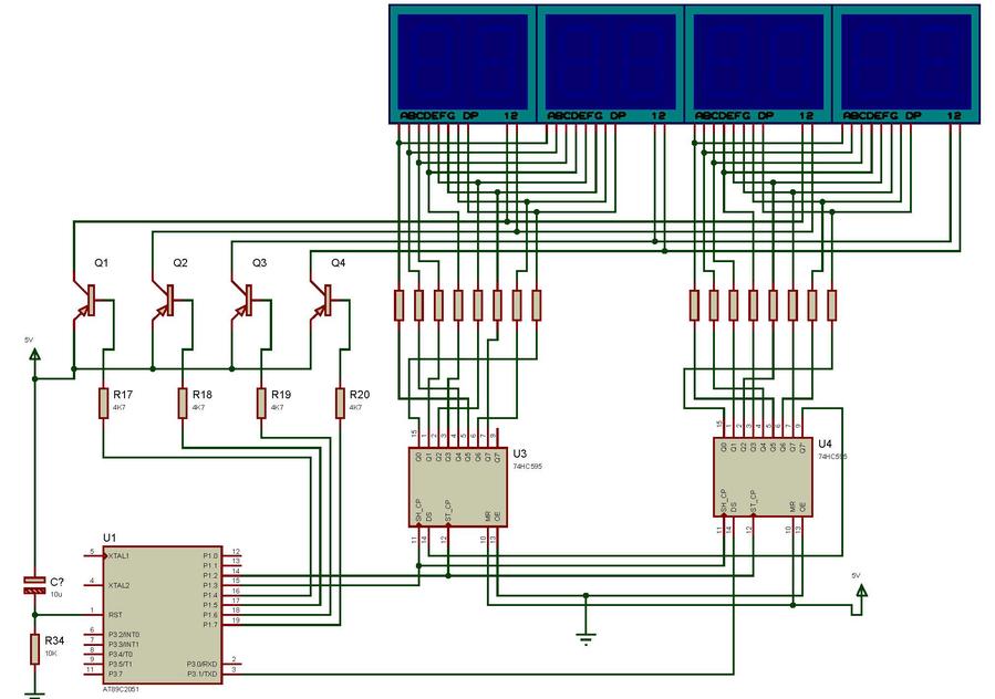
 | [51单片机] [求助]两片74HC595驱动8位共阳数码管 | 
| 
 | ||
|  | |
|  | |
|  | |
 |一淘宝店|手机版|商店|一乐电子
( 粤ICP备09076165号 )
|一淘宝店|手机版|商店|一乐电子
( 粤ICP备09076165号 )
 粤公网安备 44522102000183号
粤公网安备 44522102000183号
GMT+8, 2025-10-31 08:02 , Processed in 0.037574 second(s), 30 queries , Gzip On.
Powered by Discuz! X3.5
© 2001-2025 Discuz! Team.