一乐电子

 找回密码
 请使用微信账号登录和注册会员

QQ登录

只需一步,快速开始

微信扫码登录

手机号码,快捷登录

手机号码,快捷登录

搜索
查看: 5294|回复: 12

[其他综合] 请问变频器IGBT模块可以做简易电子负载吗?该怎么驱动???

[复制链接]
发表于 2015-5-2 15:54 | 显示全部楼层 |阅读模式
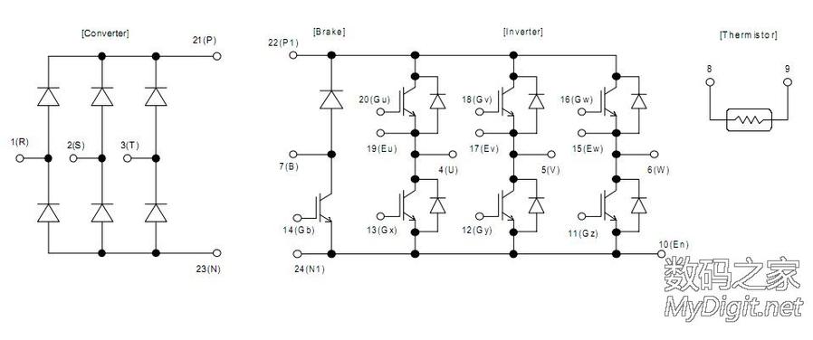
手上有一块坏的变频器IGBT模块 7MBR50SB120-50,里面有一路制动部分击穿了,其它正常,请教哪位弟兄有这种驱动的电路图纸,想仿制一个电子负载
76_825846_b62c266f067bbae.jpg 76_825846_cddb6d211aaec28.jpg 7MBR50SB120.pdf (579.53 KB, 下载次数: 94)

发表于 2015-5-2 16:25 | 显示全部楼层
IGBT的特点是耐压高导通压差低电压驱动!不适合拿来做低压的电子负载吧,电子负载还是要上MOS
回复

使用道具 举报

发表于 2015-5-2 16:26 | 显示全部楼层
变频器基本都是用这种模块的。
回复

使用道具 举报

发表于 2015-5-2 17:23 | 显示全部楼层
变频器的mos模块可以使用我直接替换EBD的IRF250测试了和替换M8负载都可以。IGBT模块没有使用过
回复

使用道具 举报

发表于 2015-5-2 19:40 | 显示全部楼层
同求学习IGBT的驱动及使用方法!~
回复

使用道具 举报

发表于 2015-5-2 21:40 | 显示全部楼层
电子负载的功率管主要工作在线性状态,IGBT这些模块开关特性好,但线性区域相对来说很小。
回复

使用道具 举报

发表于 2015-5-3 09:24 来自手机 | 显示全部楼层
没有问题,驱动完全兼容,就是IGBT饱和压降高一点点,2V一下估计不能大电流。
回复

使用道具 举报

 楼主| 发表于 2015-5-3 22:42 | 显示全部楼层
yibin0092 发表于 2015-5-3 09:24
没有问题,驱动完全兼容,就是IGBT饱和压降高一点点,2V一下估计不能大电流。

有空试试,LM358可以直接驱动吗?还是需要专用驱动芯片?
回复

使用道具 举报

发表于 2015-5-3 23:10 | 显示全部楼层
以前是专业卖模块的  测量就会 使用上 就不太懂  基本上变频器里面的模块都会检测
回复

使用道具 举报

发表于 2015-5-4 06:48 | 显示全部楼层
lijiushan 发表于 2015-5-3 22:42
有空试试,LM358可以直接驱动吗?还是需要专用驱动芯片?

做电子负载属于低速应用,运放直接驱动没有问题,可以下(上)三个并联使用,剩下的备用
回复

使用道具 举报

本版积分规则

QQ|一淘宝店|手机版|商店|一乐电子 ( 粤ICP备09076165号 ) 公安备案粤公网安备 44522102000183号

GMT+8, 2026-2-28 09:02 , Processed in 0.043254 second(s), 30 queries , Gzip On.

Powered by Discuz! X3.5

© 2001-2025 Discuz! Team.

快速回复 返回顶部 返回列表