一乐电子

 找回密码
 请使用微信账号登录和注册会员

QQ登录

只需一步,快速开始

微信扫码登录

手机号码,快捷登录

手机号码,快捷登录

搜索
查看: 4959|回复: 12

[其他DIY] OLED-晶体管测试仪-亚克力外壳

[复制链接]
发表于 2015-6-25 16:53 | 显示全部楼层 |阅读模式
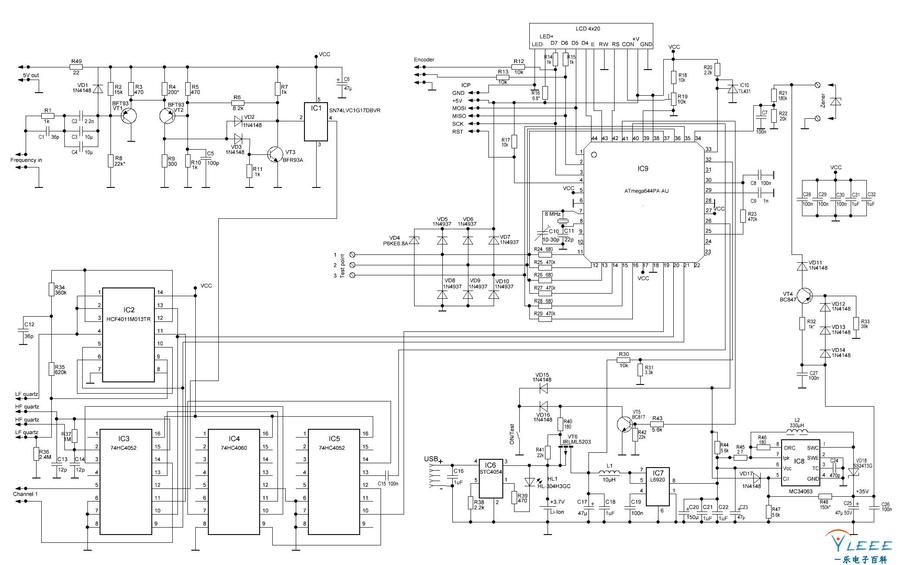
晶体管测试仪,OLED显示,亚克力外壳。


QQ图片20150624150518.jpg QQ图片20150624150539.jpg
he.jpg 晶体管测试仪电路.jpg
M644_OLED晶体管测试仪固件.rar (1.88 MB, 下载次数: 281)
熔丝设置.jpg


评分

参与人数 1一乐金币 +10 收起 理由
枫之灵动 + 10 想问问那个三脚的LED没焊会怎么样?

查看全部评分

发表于 2015-6-25 16:58 | 显示全部楼层
贴片如何测试????
回复

使用道具 举报

 楼主| 发表于 2015-6-25 17:07 | 显示全部楼层
有单独转接座
回复

使用道具 举报

发表于 2015-6-25 19:17 | 显示全部楼层
提供套件?多少米?
回复

使用道具 举报

发表于 2015-6-25 19:22 | 显示全部楼层
谢谢分享资料
回复

使用道具 举报

发表于 2015-6-25 19:53 | 显示全部楼层
和狗狗的有什么区别
回复

使用道具 举报

发表于 2015-6-25 23:57 | 显示全部楼层
一直想搞一个,在等某位大神的更高级的版本出来
回复

使用道具 举报

发表于 2015-6-26 21:52 | 显示全部楼层
需要有晶振和稳压管的测试,
不知这款?
回复

使用道具 举报

 楼主| 发表于 2015-6-27 06:13 | 显示全部楼层
这款有晶振和稳压测试,但晶振只能测到2M,所以晶振测试不用了,套件里不提供晶振部分的器件,PCB保留了位置,可以自己找器件焊接,坛友99包邮
回复

使用道具 举报

发表于 2015-6-28 13:12 | 显示全部楼层
真心漂亮
回复

使用道具 举报

本版积分规则

QQ|一淘宝店|手机版|商店|一乐电子 ( 粤ICP备09076165号 ) 公安备案粤公网安备 44522102000183号

GMT+8, 2026-4-22 05:36 , Processed in 0.035568 second(s), 28 queries , Gzip On.

Powered by Discuz! X3.5

© 2001-2025 Discuz! Team.

快速回复 返回顶部 返回列表