一乐电子

 找回密码
 请使用微信账号登录和注册会员

QQ登录

只需一步,快速开始

微信扫码登录

手机号码,快捷登录

手机号码,快捷登录

搜索
查看: 18965|回复: 54

功能强大的双色3264点阵时钟,多模式显示,GPS授时,自动亮度,红外遥控【更新V2.3】

  [复制链接]
发表于 2015-7-1 12:41 | 显示全部楼层 |阅读模式
本帖最后由 benli 于 2015-7-1 22:10 编辑

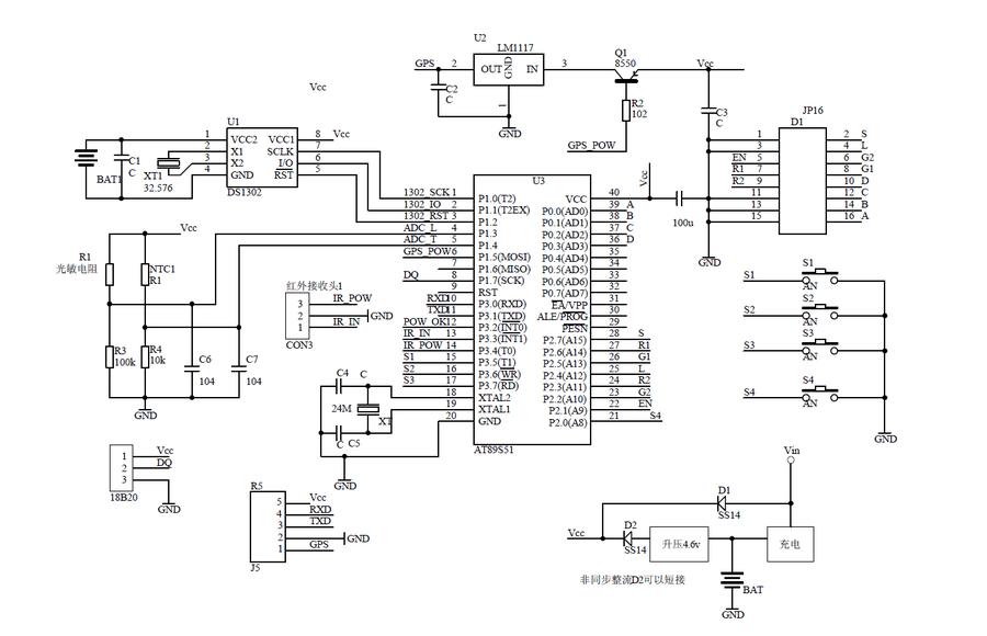
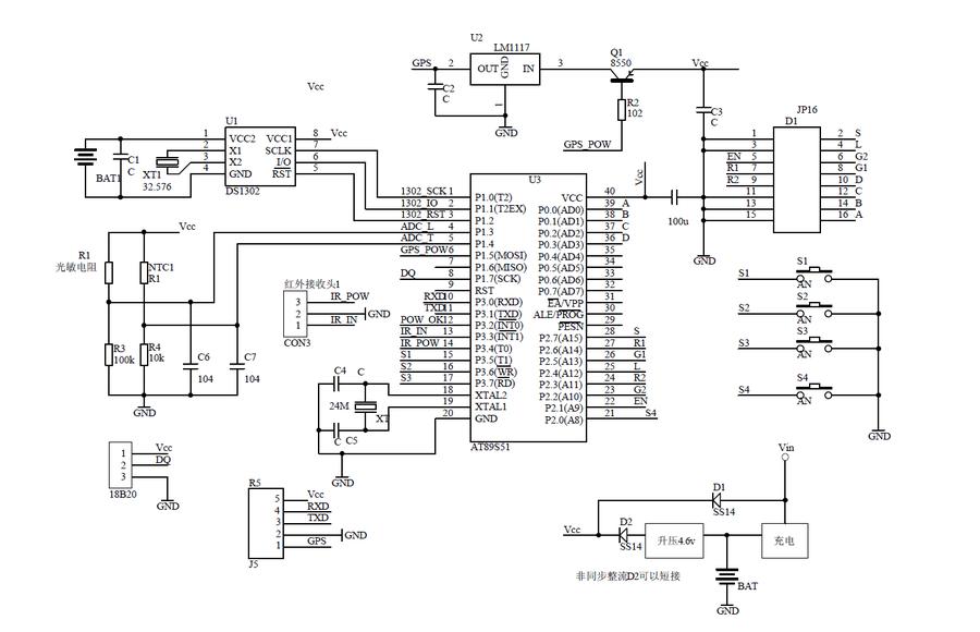
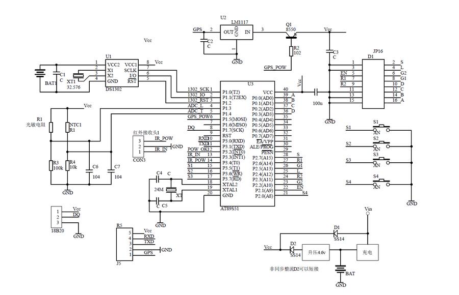
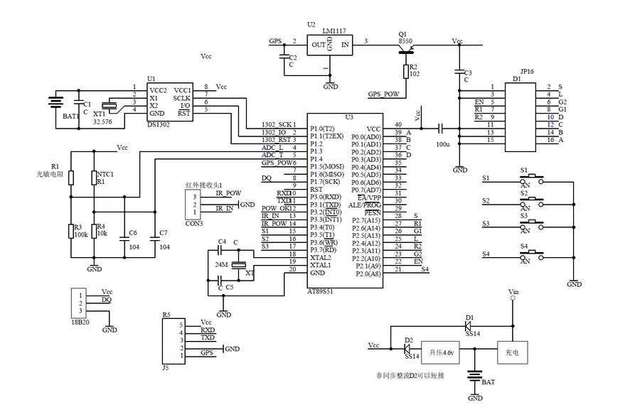
/ 本时钟使用STC12C5A60S2单片机,24/24.576M晶振,DS132RTC芯片,GPS时间校正
// 多模式显示,有三大模式,每个模式分别有时间粗体/细体,有秒/无秒,12时/24时8种模式,共计24模式
// GPS时间校正,每天定时开启GPS校正本地时间
// DS18B20/NTC温度传感器自适应,优先使用DS18B20
// 自动亮度调节,根据环境光线自动调节屏幕亮度,白天清晰,晚上柔和而且省电
// 学习型红外遥控
//
// 按键说明:
// 在非设置模式下,按+键切换显示模式,-键切换12/24时制
// 按SET分别设置  正常显示/年/月/日/时/分/秒/亮度/最低亮度/绿补偿/NTC补偿/遥控开关/学习模式
// 按+/-调整数据,
// ESC退出设置
// 在学习模式下按遥控学习按键
//NTC使用MF52 10K B3950


【0701】更新V2.3, 修正一些BUG, 增加停电后由电池供电并进入省电模式
源程序代码=22189,部分子程序来自网络,在此向原作者表示感谢!  
3264GPS时钟_V2.3.rar (269.4 KB, 下载次数: 1069)

点阵屏数据/使能电平都有高电平有效和低电平有效,仿制时请根据自己的屏修正
#define EN_OFF() OE=1        //使能低电平有效,高电平有效取反
#define EN_ON() OE=0
//#define DATAHI            //数据高电平有效保留,低电平有效需去掉

电路图 SCH.pdf (37.64 KB, 下载次数: 560) SCH.png

sleep.jpg

1.png




***********************************************分割线************************************************
手机拍的视频,不知道为何优酷转码后方向转了
http://v.youku.com/v_show/id_XMTI3NDUzMjgyMA==.html




电路图





snapshot20150701095322.jpg

snapshot20150701095335.jpg

snapshot20150701095342.jpg

snapshot20150701095352.jpg

snapshot20150701095359.jpg

snapshot20150701095407.jpg

snapshot20150701095414.jpg

snapshot20150701095421.jpg

snapshot20150701095429.jpg

snapshot20150701095435.jpg

snapshot20150701095446.jpg

snapshot20150701095448.jpg

snapshot20150701095456.jpg

snapshot20150701095500.jpg

snapshot20150701095505.jpg

snapshot20150701095512.jpg

snapshot20150701095522.jpg

snapshot20150701095529.jpg

snapshot20150701095535.jpg

snapshot20150701095537.jpg

snapshot20150701095541.jpg

snapshot20150701095545.jpg

snapshot20150701095547.jpg

snapshot20150701095549.jpg

snapshot20150701095555.jpg

snapshot20150701095558.jpg

snapshot20150701095601.jpg

snapshot20150701095607.jpg

snapshot20150701095628.jpg

snapshot20150701095633.jpg

snapshot20150701095643.jpg

snapshot20150701095647.jpg

snapshot20150701095650.jpg

snapshot20150701095655.jpg

snapshot20150701095658.jpg

snapshot20150701095708.jpg

snapshot20150701095722.jpg

snapshot20150701095727.jpg

snapshot20150701095737.jpg

snapshot20150701095749.jpg

snapshot20150701095759.jpg

snapshot20150701095802.jpg

snapshot20150701095805.jpg

snapshot20150701095810.jpg

snapshot20150701095824.jpg

snapshot20150701095830.jpg

snapshot20150701095833.jpg

snapshot20150701095835.jpg
















































































































评分

参与人数 2一乐金币 +52 收起 理由
DIY + 12 谢谢分享
快活丞 + 40 很给力!

查看全部评分

发表于 2015-7-1 13:07 | 显示全部楼层
不错,更强大了。
外壳哪里还有?
回复

使用道具 举报

 楼主| 发表于 2015-7-1 13:15 | 显示全部楼层
shaopus 发表于 2015-7-1 13:07
不错,更强大了。
外壳哪里还有?

淘宝  50 灯箱 铝型材
回复

使用道具 举报

发表于 2015-7-1 15:41 | 显示全部楼层
很好,很强大,谢谢分享!!支持楼主!!~~~~
回复

使用道具 举报

发表于 2015-7-1 16:23 | 显示全部楼层
谢谢 楼主很强大。还开源,我最近也做这个。真是帮了我大忙。
回复

使用道具 举报

发表于 2015-7-1 16:23 来自手机 | 显示全部楼层
来支持一下,谢谢楼主!
回复

使用道具 举报

发表于 2015-7-1 16:57 | 显示全部楼层
太强悍了,得空也仿一块来玩玩
回复

使用道具 举报

发表于 2015-7-1 17:12 | 显示全部楼层
楼主的质料很好,还带电路图,方便我们这些对单片机不太精通的仿制。十分感谢
回复

使用道具 举报

发表于 2015-7-1 19:26 | 显示全部楼层
这个太强大了
回复

使用道具 举报

发表于 2015-7-1 19:35 来自手机 | 显示全部楼层
是滴,对我们这些不熟练单片机得玩友来说,是件好事,可以玩玩
回复

使用道具 举报

本版积分规则

QQ|一淘宝店|手机版|商店|一乐电子 ( 粤ICP备09076165号 ) 公安备案粤公网安备 44522102000183号

GMT+8, 2025-11-23 18:21 , Processed in 0.044679 second(s), 32 queries , Gzip On.

Powered by Discuz! X3.5

© 2001-2025 Discuz! Team.

快速回复 返回顶部 返回列表