一乐电子

 找回密码
 请使用微信账号登录和注册会员

QQ登录

只需一步,快速开始

微信扫码登录

手机号码,快捷登录

手机号码,快捷登录

搜索
查看: 3637|回复: 19

[其他综合] ATX电源负载差

[复制链接]
发表于 2015-7-20 09:29 | 显示全部楼层 |阅读模式
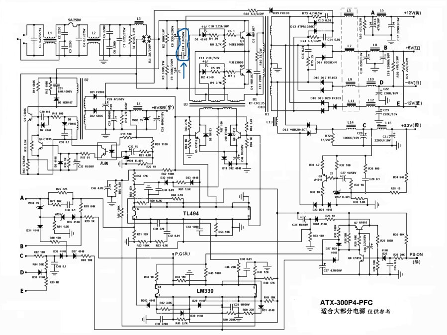
一台ATX电源负载差,测+5V为5.6V,+12V为9.6V,当把电源的风扇去掉后输出电压12V,5V均正常,就算+5V接上一个30多欧的电阻也降了0.1V,确认为电源负载差, 查+5v SB正常,换了两个滤波电源,和开关管故障不变,现在怀疑是那个250V1U的电容,不知思路是否正确?其它地方还有可能吗?
ATX.gif
发表于 2015-7-20 10:15 | 显示全部楼层
250V1u电容是很少坏的,着重查各电解。
回复

使用道具 举报

发表于 2015-7-20 11:24 | 显示全部楼层
一台ATX电源负载差,测+5V为5.6V,+12V为9.6V,当把电源的风扇去掉后输出电压12V,5V均正常
回复

使用道具 举报

 楼主| 发表于 2015-7-20 11:32 | 显示全部楼层
cxw0102 发表于 2015-7-20 11:24
一台ATX电源负载差,测+5V为5.6V,+12V为9.6V,当把电源的风扇去掉后输出电压12V,5V均正常

这里所说的电压正常仅是指空载情况下的,并不说明带载后是正常的
回复

使用道具 举报

 楼主| 发表于 2015-7-20 11:34 | 显示全部楼层
zhoukefei 发表于 2015-7-20 10:15
250V1u电容是很少坏的,着重查各电解。

其实两个200V330U的电解均换了,在输出也并过电解试过,没用,目前测5V,12V均带载差
回复

使用道具 举报

发表于 2015-7-20 11:59 来自手机 | 显示全部楼层
有可能是高端取样电阻阻值变大了吧!
回复

使用道具 举报

发表于 2015-7-20 12:25 | 显示全部楼层
一般都是滤波出来后的第一个滤波电容失效了,就是L型电感前面那个电容失效了就会有这样的现象。
你图上面的C16 C18电解。
回复

使用道具 举报

 楼主| 发表于 2015-7-20 12:38 | 显示全部楼层
lgin 发表于 2015-7-20 12:25
一般都是滤波出来后的第一个滤波电容失效了,就是L型电感前面那个电容失效了就会有这样的现象。
你图上面 ...

两个同时失效的可能性比较少见的吧,有点疑惑
回复

使用道具 举报

发表于 2015-7-20 13:23 | 显示全部楼层
看看494电压取样反馈电路
回复

使用道具 举报

发表于 2015-7-20 14:24 | 显示全部楼层
本帖最后由 yizhai 于 2015-7-20 21:21 编辑

C10、C11检查一下子或者换新的试试看吧。
回复

使用道具 举报

本版积分规则

QQ|一淘宝店|手机版|商店|一乐电子 ( 粤ICP备09076165号 ) 公安备案粤公网安备 44522102000183号

GMT+8, 2025-11-25 06:49 , Processed in 0.039082 second(s), 30 queries , Gzip On.

Powered by Discuz! X3.5

© 2001-2025 Discuz! Team.

快速回复 返回顶部 返回列表