一乐电子

 找回密码
 请使用微信账号登录和注册会员

QQ登录

只需一步,快速开始

微信扫码登录

手机号码,快捷登录

手机号码,快捷登录

搜索
查看: 1932|回复: 5

[其他综合] 求教3AG1等大神过来看一下

[复制链接]
发表于 2015-11-4 11:45 | 显示全部楼层 |阅读模式
本帖最后由 一乐新手 于 2015-11-4 12:00 编辑

不知道发在哪个版块,就发到这里吧。
烦劳各位大神给分析一下这个电路,小弟模拟电路知识欠缺。
各位见笑了。
这是个单片机的外围电路,我想借此电路写程序,但是不知道怎样写,
其原理研究了半天还是不明白
劳烦各位大神给小弟指点一二,讲一下工作原理。
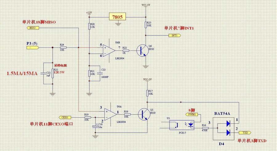
P3(5)过来一个调制电流,电流小于等于1.5ma的时候,运放工作状态应该是怎样的?
(电流小于等于1.5ma的时候电路要求是光耦输出高电平)

电流11-20ma的时候运放工作状态应该是怎样的?
(电流11-20ma的时候电路要求是光耦输出低电平)
单片机的这几个脚在电路中是做什么工作的?
R25是采样电阻。运放12V供电
5555.jpg




发表于 2015-11-4 13:55 | 显示全部楼层
我不是啥大神,业余消遣而已。。。

你给出的图纸不全,所以不清楚“单片机的这几个脚在电路中是做什么工作的?
两个运放都是用于电压比较,按照图中的数值,不管是1.5mA 还是11-20mA,上面的运放不会动作,下面的运放要看2脚电压具体数值,才能判断是否动作。
回复

使用道具 举报

 楼主| 发表于 2015-11-4 15:44 | 显示全部楼层
本帖最后由 一乐新手 于 2015-11-4 16:22 编辑
3AG1 发表于 2015-11-4 13:55
我不是啥大神,业余消遣而已。。。

你给出的图纸不全,所以不清楚“单片机的这几个脚在电路中是做什么工 ...

感谢三啊哥百忙之中给予帮助!小弟年龄不大,莫要见怪,向您学习。
您说的很对,这个电路的确不全。我只是摘取其中一部分。
这个电路是MBUS的一个转换模块。
您先看这个图:
666.JPG


这个图想是个框架。

下面再看此图:(有点乱,但是您应该能看明白)Q1,Q2保护电路。忽略。
1、空闲时和发送1时,RX是高电平(也就是1),U4的CE不导通,Q3导通,Q4也就导通,输出36V
2、发送0时,RX是低电平,U4的CE导通,Q3截止,Q4截止,输出20V。
主站向--从站发送已经实现了。

从站返回1的时候,电流是1.5MA,返回0的时候,变成15MA。
然后经过采样电阻-运,经过U5返回来。下图P3(5),p3(6)就是MBUS总线,接N个从站,每个从站静态时1.5ma.

222.JPG



1、运放那里我不懂,希望您讲一下。
2、希望您能根据整个电路工作原理判断一下各个单片机脚要输入或者输出什么信号。
3、如果您说上面的运放不能正常工作,是不是跟单片机18脚有关呢?图应该没错。
4、我这样想对不对?
采样电阻得到18MV(1.5ma)和180MV(15ma).
下面的运放,由单片机输出18MV和180MV两个电压到-,来比较运放+ ,然后输出高低电平?上面那个比较器要翻转,只能是MISO这个脚直接输出5V,才能比 运放6脚(-)分得  的那个4.8V的参考电压高?




回复

使用道具 举报

发表于 2015-11-4 22:02 | 显示全部楼层
如果你手上有这个设备, 最好能测出 空闲时  RX 的电平,以及 MBUS总线上的电压值, 这样对分析电路有帮助
回复

使用道具 举报

发表于 2015-11-4 22:02 | 显示全部楼层
如果你手上有这个设备, 最好能测出 空闲时  RX 的电平,以及 MBUS总线上的电压值, 这样对分析电路有帮助
回复

使用道具 举报

发表于 2015-11-5 10:40 | 显示全部楼层
一乐新手 发表于 2015-11-4 15:44
感谢三啊哥百忙之中给予帮助!小弟年龄不大,莫要见怪,向您学习。
您说的很对,这个电路的确不全。我只 ...

你已经分析出来了。

两个运放作为电压比较器使用,只要IN+ 电压高于IN-,输出电压就是高电平。

回复

使用道具 举报

本版积分规则

QQ|一淘宝店|手机版|商店|一乐电子 ( 粤ICP备09076165号 ) 公安备案粤公网安备 44522102000183号

GMT+8, 2025-11-25 06:52 , Processed in 0.031977 second(s), 26 queries , Gzip On.

Powered by Discuz! X3.5

© 2001-2025 Discuz! Team.

快速回复 返回顶部 返回列表