一乐电子

 找回密码
 请使用微信账号登录和注册会员

QQ登录

只需一步,快速开始

微信扫码登录

手机号码,快捷登录

手机号码,快捷登录

搜索
查看: 7085|回复: 16

[其他综合] 超好玩儿的小飞机视频

  [复制链接]
发表于 2010-10-27 09:25 | 显示全部楼层 |阅读模式
网上看了一段超好玩儿的小飞机视频。并找到了个DIY超轻量遥控和发射的资料网站。看到这些超轻接收都是用pic12c509A单片机做的,俺是单片机菜鸟,手边又没有Pic的单片机和烧写器,不知有没有办法改到AVR的M8 M48 上来?
http://v.youku.com/v_show/id_XMTQwNzEwMzky.html

http://www.cityfujisawa.ne.jp/~toko/pic/index.html

http://www.oyajin.jp/~toko/pic/0034/index.html
发表于 2010-10-27 19:12 | 显示全部楼层
比较有意思哦,有高手再详细说说吗?
回复

使用道具 举报

发表于 2010-10-27 20:17 | 显示全部楼层
这个好玩~
回复

使用道具 举报

发表于 2010-10-27 21:09 | 显示全部楼层
玩小飞机不如玩火箭
回复

使用道具 举报

发表于 2010-10-27 22:56 | 显示全部楼层
本帖最后由 zydl123 于 2010-10-27 23:04 编辑

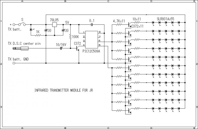
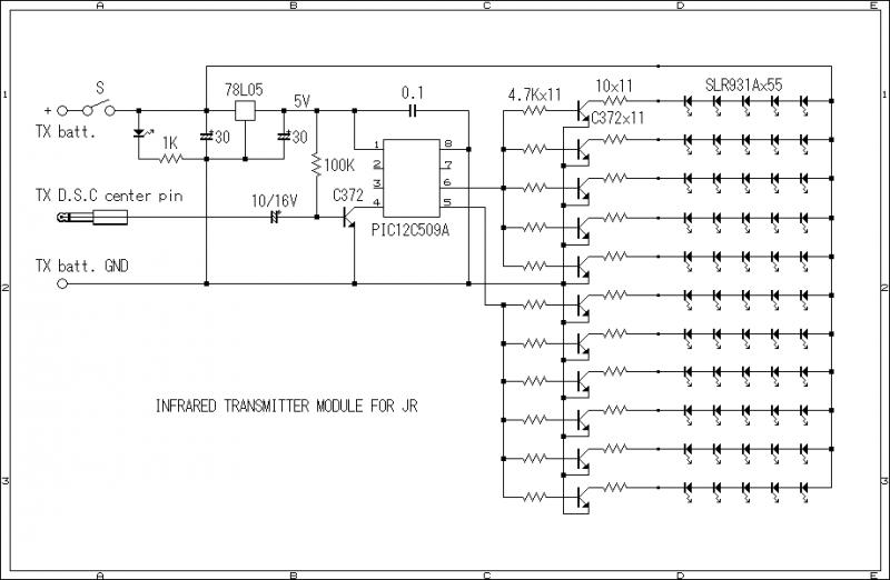
呵呵,这个电路简单,可以用在其它地方
irxa301.gif
ir-control-unit-jr.gif
ir-control-unit.gif

57khztx1.hex

750 Bytes, 下载次数: 684, 下载积分: 一乐金币 -1

38khztx4.hex

198 Bytes, 下载次数: 666, 下载积分: 一乐金币 -1

回复

使用道具 举报

发表于 2010-10-28 03:23 | 显示全部楼层
这个电路不难模型难
回复

使用道具 举报

发表于 2010-10-28 12:23 | 显示全部楼层
以前在玩具城看见过类似的好像要一百多一架
回复

使用道具 举报

发表于 2010-10-28 13:07 | 显示全部楼层
网上看了一段超好玩儿的小飞机视频。并找到了个DIY超轻量遥控和发射的资料网站。看到这些超轻接收都是用pic ...
lts8823 发表于 2010-10-27 09:25 https://www.yleee.com.cn/images/common/back.gif



    看了一下,难点应该在模型上,呵呵.12C509能干的事干嘛要用M8那么复杂的MCU,AVR记得也有简单的,ATtiny系列就有8PIN的片子呀.如果没记错的话T26就是这个系列里的.
回复

使用道具 举报

 楼主| 发表于 2010-10-28 22:33 | 显示全部楼层
小飞机可以先找几个容易的板型,用硬点的保温泡沫做就行。
用M8 和m48的原因是因为手边有现成的。
回复

使用道具 举报

 楼主| 发表于 2010-11-8 22:19 | 显示全部楼层
用玩具遥控造了个小飞机,挺好玩的,这里有飞行视频, http://v.youku.com/v_show/id_XMjIwNDQzNzky.html
回复

使用道具 举报

本版积分规则

QQ|一淘宝店|手机版|商店|一乐电子 ( 粤ICP备09076165号 ) 公安备案粤公网安备 44522102000183号

GMT+8, 2026-3-25 19:40 , Processed in 0.036755 second(s), 30 queries , Gzip On.

Powered by Discuz! X3.5

© 2001-2025 Discuz! Team.

快速回复 返回顶部 返回列表