一乐电子

 找回密码
 请使用微信账号登录和注册会员

QQ登录

只需一步,快速开始

微信扫码登录

手机号码,快捷登录

手机号码,快捷登录

搜索
楼主: dradeng

[DIY]kensington120W恒流/恒压可调电源+T26双路表头

 火... [复制链接]
发表于 2010-11-14 11:07 | 显示全部楼层
做的很精致!帮顶!
回复

使用道具 举报

发表于 2010-11-14 11:36 | 显示全部楼层
很精致很强大,图太少了
回复

使用道具 举报

发表于 2010-11-14 11:50 | 显示全部楼层
楼主这个电源是130w的跟120W有点区别就是牌子不一样
回复

使用道具 举报

发表于 2010-11-14 13:53 | 显示全部楼层
可惜这种电源没抢到,谁还有吗...
回复

使用道具 举报

发表于 2010-11-14 14:31 | 显示全部楼层
自制表头吗?
回复

使用道具 举报

 楼主| 发表于 2010-11-15 11:26 | 显示全部楼层
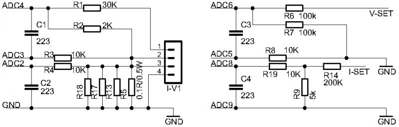
第二路的adc通过分压网络测量两个设定电位器吧。期待楼主上个原理图,我们欣赏一下啊。
hldiy 发表于 2010-11-14 09:30 https://www.yleee.com.cn/images/common/back.gif



是根据Gandf老大的T26双路电流电压表资料做的表头,第二路需要改一下才能用于同时监测电压、电流的设置,
因为需要把电压、电流的差分取样通道分开,要不2个差分通道就是相互关联的,调一个另一个也会变。
原电源上的2个5K电阻都去掉,表头上的对地电阻能起到同样的作用,不用担心电位器接触不良或者开路时电源会输出高压。

T26-IV.png
回复

使用道具 举报

 楼主| 发表于 2010-11-15 11:28 | 显示全部楼层
楼主这个电源是130w的跟120W有点区别就是牌子不一样
yleee 发表于 2010-11-14 11:50 https://www.yleee.com.cn/images/common/back.gif



原来这个电源能量更大啊,赚了,还一直以为是一样的呢
回复

使用道具 举报

 楼主| 发表于 2010-11-15 11:48 | 显示全部楼层
补充一点:
表头的地GND要直接从电源上单独接出

因为电压/电流设置电位器的地都是在电源板上,否则表头与电源地之间的连线的线阻,在大电流输出时会极大地影响表头的第二路采样结果
回复

使用道具 举报

发表于 2010-11-16 13:29 | 显示全部楼层
要是谁能组织搞个超小迷你表头套件就好了,毕竟不是谁都有能力自己做板的。实在不行版主大人可否帮我也做一块?
回复

使用道具 举报

 楼主| 发表于 2010-11-16 13:53 | 显示全部楼层
要是谁能组织搞个超小迷你表头套件就好了,毕竟不是谁都有能力自己做板的。实在不行版主大人可否帮我也做一 ...
wangmcu 发表于 2010-11-16 13:29 https://www.yleee.com.cn/images/common/back.gif



不急用的话就等等吧,这个PCB早画好了,打算打样的
回复

使用道具 举报

本版积分规则

QQ|一淘宝店|手机版|商店|一乐电子 ( 粤ICP备09076165号 ) 公安备案粤公网安备 44522102000183号

GMT+8, 2026-4-16 18:41 , Processed in 0.034132 second(s), 28 queries , Gzip On.

Powered by Discuz! X3.5

© 2001-2025 Discuz! Team.

快速回复 返回顶部 返回列表