一乐电子

 找回密码
 请使用微信账号登录和注册会员

QQ登录

只需一步,快速开始

微信扫码登录

手机号码,快捷登录

手机号码,快捷登录

搜索
查看: 5287|回复: 6

仿制倪大德老师的三色16X16点阵时钟

[复制链接]
发表于 2010-12-5 22:44 | 显示全部楼层 |阅读模式
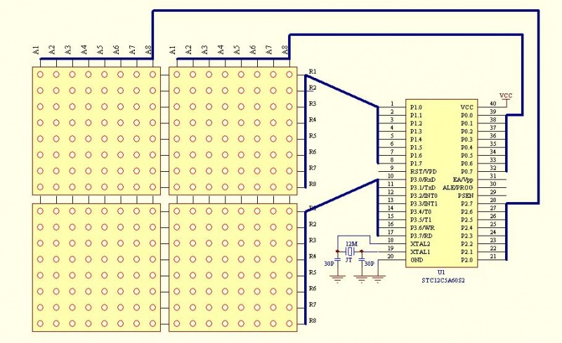
看到坛子上倪老师的三色时钟,心里痒痒的.刚好我也用了STC12C5A60S2直驱了4个8*8点阵组成的16*16点阵,可以用来做这个时钟,但是因为条件所阵,只能做个单色的.但是效果与倪老师的这个差不多,没有用到星期数据,只是在星期数据中放了一个流水灯演示,改成星期也是很简单的事.
      因这用单片机32个IO口直驱了16X16点阵,全部用完了一般的常规IO口,幸好STC12C5A60S2有P4口,用两个P4口接两个按键作为调时分用的.

不用说那么多了,上图上源程序说明,还是要和老师好好学习.多谢指教了.程序还是用来中断来计时,因为没有DS302芯片.不过因为能在程序中调整定时基时,也算很准的,我这个一天少个两秒,还算可以的了.电图路简单明了.就是32个IO接32个点阵的行列脚.在时与分之间加了两点作为秒闪好看一点.

1.jpg DSCF5498.jpg DSCF5499.jpg DSCF5500.jpg DSCF5501.jpg
源程序 STC12点阵两行16X16时钟.rar (2.53 KB, 下载次数: 448)
 楼主| 发表于 2010-12-5 22:45 | 显示全部楼层
源程序
-----------------------------------------------------------------------------------------------------------------------------------
//  本程序演示 STC12C5A60S2 系列直驱四个8*8LED点阵组成16X16点阵,并显示一个汉字时钟.
//  从右到左流动显示"XX时XX分XX秒"
//编写:桃源客, 日期:2010-9-20
//---------------------------------------------------------------------
#include "STC12C5A60s2.H"             //这个头文件在STC官网上下载,是定义增强型单片机STC12C5A的特殊寄存器.
//---------------------------------------------------------------------
typedef    unsigned char   uchar;         //以下两句为定义数据格式.
typedef    unsigned int    uint;
//以下字模为PC2LCD2000生成,选"逐列,阴码,逆向"方式.
uchar code shuzi[10][4]=                          //0-9数字字模8X16字阵
{
0x00,0xFE,0x82,0xFE,/*"0",0*/
0x00,0x84,0xFE,0x80,/*"1",0*/
0x00,0xF2,0x92,0x9E,/*"2",0*/
0x00,0x92,0x92,0xFE,/*"3",0*/
0x00,0x1E,0x10,0xFE,/*"4",0*/
0x00,0x9E,0x92,0xF2,/*"5",0*/
0x00,0xFE,0x92,0xF2,/*"6",0*/
0x00,0x02,0x02,0xFE,/*"7",0*/
0x00,0xFE,0x92,0xFE,/*"8",0*/
0x00,0x9E,0x92,0xFE,/*"9",0*/
};
uchar code shi_shuzi[10][4]=                          //显时0-9数字字模8X16字阵
{
0xFE,0x82,0xFE,0x00,/*0*/
0x84,0xFE,0x80,0x00,/*"1"*/
0xF2,0x92,0x9E,0x00,/*"2*/
0x92,0x92,0xFE,0x00,/*3*/
0x1E,0x10,0xFE,0x00,/*"4",*/
0x9E,0x92,0xF2,0x00,/*5*/
0xFE,0x92,0xF2,0x00,/*"6*/
0x02,0x02,0xFE,0x00,/*"7*/
0xFE,0x92,0xFE,0x00,/*8*/
0x9E,0x92,0xFE,0x00,/*9*/
};
uchar code huhao[][8]={                            //流水灯花样.
0x01,0x00,0x00,0x00,0x00,0x00,0x00,0x00,/*"*/
0x03,0x02,0x00,0x00,0x00,0x00,0x00,0x00,/*"*/
0x07,0x06,0x04,0x00,0x00,0x00,0x00,0x00,/*"*/
0x0F,0x0E,0x0C,0x08,0x00,0x00,0x00,0x00,/*"*/
0x1F,0x1E,0x1C,0x18,0x10,0x00,0x00,0x00,/*"*/
0x3F,0x3E,0x3C,0x38,0x30,0x20,0x00,0x00,/*"*/
0x7F,0x7E,0x7C,0x78,0x70,0x60,0x40,0x00,/*"*/
0xFF,0xFE,0xFC,0xF8,0xF0,0xE0,0xC0,0x80,/*"*/
0xFF,0x00,0x00,0x00,0x00,0x00,0x00,0x00,/*"*/
0x00,0xFF,0x00,0x00,0x00,0x00,0x00,0x00,/*"*/
0x00,0x00,0xFF,0x00,0x00,0x00,0x00,0x00,/*"*/
0x00,0x00,0x00,0xFF,0x00,0x00,0x00,0x00,/*"*/
0x00,0x00,0x00,0x00,0xFF,0x00,0x00,0x00,/*"*/
0x00,0x00,0x00,0x00,0x00,0xFF,0x00,0x00,/*"*/
0x00,0x00,0x00,0x00,0x00,0x00,0xFF,0x00,/*"*/
0x00,0x00,0x00,0x00,0x00,0x00,0x00,0xFF,/*"*/
0xFF,0xFE,0xFC,0xF8,0xF0,0xE0,0xC0,0x80,/*"*/
0x7F,0x7E,0x7C,0x78,0x70,0x60,0x40,0x00,/*"*/
0x3F,0x3E,0x3C,0x38,0x30,0x20,0x00,0x00,/*"*/
0x1F,0x1E,0x1C,0x18,0x10,0x00,0x00,0x00,/*"*/
0x0F,0x0E,0x0C,0x08,0x00,0x00,0x00,0x00,/*"*/
0x07,0x06,0x04,0x00,0x00,0x00,0x00,0x00,/*"*/
0x03,0x02,0x00,0x00,0x00,0x00,0x00,0x00,/*"*/
0x01,0x00,0x00,0x00,0x00,0x00,0x00,0x00,/*"*/
0x01,0x02,0x04,0x08,0x10,0x20,0x40,0x80,/*"*/
0x81,0x42,0x24,0x18,0x18,0x24,0x42,0x81,/*"*/
0x01,0x02,0x04,0x08,0x08,0x04,0x02,0x01,/*"*/
0x80,0x40,0x20,0x10,0x10,0x20,0x40,0x80,/*"*/
0x3C,0x42,0x85,0xAD,0xB9,0xA5,0x46,0x3C,/*"*/
0x20,0x24,0x25,0xFE,0xFE,0x25,0x24,0x20,/*"*/
};


uchar code  tab[]={0x7f,0xff,0xbf,0xff,0xdf,0xff,0xef,0xff,0xf7,0xff,0xfb,0xff,0xfd,0xff,0xfe, 0xff,         
                   0xff, 0x7f,0xff,0xbf,0xff,0xdf,0xff,0xef,0xff,0xf7,0xff,0xfb,0xff,0xfd,0xff,0xfe };
     //16列扫描分时输出,从右到左每次输出1列,低电平有效.
uint  i ,speed, k ,j;   //定义扫描循环控制变量.
uchar vram[32] ;      //显示点阵显示缓冲区


bit SHAN;   //以下变量作为时钟计数用
sbit H_KEY=P4^5;            //时调整键
sbit M_KEY=P4^6;            //分调整键
bit H_TEMP=1;               //时调标志位
bit M_TEMP=1;               //分调标志位
uchar second=0,minute=0,hour=0;
uchar tim1,tim2;           //定义临时变量
void init();   //初始化函数.

#define HAN1  P1            //定义p1口为行0-行7数据口
#define HAN2  P3            //定义p3口为行8-行15数据口
#define LIE1  P2           //定义p2口为列1-行7数据口
#define LIE2  P0            //定义p0口为列8-列15数据口
void delay(uchar delay_time);       //延时函数
void display();                     //显示函数
//---------------------------------------------------------------------
void main()
{
      init();         //初始化STC12C5A60S2的P0-P3端口为强推输出,每端口输出可输出20MA电流,可直驱8X8LED点阵.
  

  while(1)
{
  display();             //调用显示函数
  }
  

}
void display()
{  
       for(j=0;j<4;j++) { vram[28+j]=shuzi[second%10][j];}  //秒个位值转字模传vram
    for(j=0;j<4;j++) { vram[24+j]=shuzi[second/10][j];}  //秒十分值转字模传vram
    for(j=0;j<4;j++) { vram[12+j]=shuzi[minute%10][j];}  //分个位值转字模传vram
    for(j=0;j<4;j++) { vram[8+j]=shuzi[minute/10][j];}  //分十值转字模传vram
    for(j=0;j<4;j++) { vram[4+j]=shi_shuzi[hour%10][j];}  //时个位值转字模传vram
    for(j=0;j<4;j++) { vram[j]=shi_shuzi[hour/10][j];}  //时十位值转字模传vram
  for(j=0;j<8;j++) { vram[16+j]=huhao[second%30][j];}
  if(!SHAN) {  vram[7]=0x28;  vram[8]=0x28; }
  
      for(i=0 ;i <16 ; i++)
       { LIE1=0xff; LIE2=0xff;
        HAN1 = vram[ i ] ;
      HAN2 = vram[16+i]  ;
       LIE2=tab[2*i];
       LIE1=tab[2*i+1];   
     delay(20) ;
     
    }
  
   
   
   
}
//---------------------------------------------------------------------
void delay(uchar t)        // 延时函数
{
   uchar i;               //定义变量
for(;t>0;t--)             //如果t大于0,t减1(外层循环)
  for(i=124;i>0;i--);         //i等于124,如果i大于0,i减1
}
//---------------------------------------------------------------------
/***************************************
函 数 名:init
功    能:初始化函数
说    明:初始化定时器及中断
入口参数:无
返 回 值:无
***************************************/
void init()
{  
TMOD=1;TH0=0X3C;TL0=0XB0;       //定时器0模式1,50毫秒
ET0=1;TR0=1;EA=1;           //开定时器0中断、启动定时器0、开总中断
P4SW=0xff;                  //定义P4口为I/O口
P0M1=0x00;
P0M0=0xff;                //定义P0为强上拉输出.
P1M1=0x00;
P1M0=0xff;                //定义P1为强上拉输出.
P2M1=0x00;
P2M0=0xff;                //定义P2为强上拉输出.
P3M1=0x00;
P3M0=0xff;                //定义P3为强上拉输出.
for(j=0;j<32;j++)  vram[j]=0x00;         //显示缓冲清0
}

/****************************************************************************
函数功能:定时器中断延时程序 这一段的作用计时用,定时时间为50ms,20次中断计一秒.
入口参数:无
出口参数:无
****************************************************************************/
void timer0(void) interrupt 1
{  uchar tim1,tim2;           //定义临时变量
   TL0=TL0+0XB0;TH0=0X3C;        //重装定时器初值,定时值50ms

tim1++;                //每中断一次tim1加1
if(tim1==10)             //中断10(0.5秒)
{                  
  SHAN=!SHAN;             //闪烁标志取反
  tim1=0;tim2++;           //tim1清零,tim2加1
  if(tim2==2)             //到了1秒
  {
   tim2=0;second++;         //tim2清零,秒加1
   if(second==60)          //如果秒到60
   {                 
    second=0;minute++;       //秒变0,分加1
    if(minute==60)         //如果分到60
    {
     minute=0;hour++;       //分变0,时加1
     if(hour==24) hour=0;     //如果时到24,时变0
    }
   }
  }
}
//以下部分是判断时分调整键是否按下,按下松开后加1.
if (H_KEY==0)             //按下时调整键
{H_TEMP=0;}
if(H_KEY==1&H_TEMP==0)   //放开时调整键
  {
   
      hour++;           //时加1
     if(hour==24) hour=0;         //如果时等于24,时变0
   H_TEMP=1;
}

if (M_KEY==0)             //按下分调整键
{M_TEMP=0;}
if(M_KEY==1&M_TEMP==0)   //放开分调整键.
  {
   
     second=0; minute++;           //秒清零,时加1
     if(minute==60) minute=0;         //如果分等于60,分变0
   M_TEMP=1;
}
   
}
回复

使用道具 举报

 楼主| 发表于 2010-12-5 23:22 | 显示全部楼层
回复

使用道具 举报

发表于 2010-12-5 23:27 | 显示全部楼层
楼主直接用单片机驱动,亮度也很亮啊。
回复

使用道具 举报

发表于 2010-12-6 06:46 | 显示全部楼层
学习!
回复

使用道具 举报

 楼主| 发表于 2010-12-6 11:42 | 显示全部楼层
STC12C5A60S2这个单片机每个IO口最大可以输出或吸入20MA的电流,驱动一列16个LED亮度还是可以的。
但是因为没有限流电阻,不同列或同一列的亮度中有不均匀现象,点亮得多,亮度会降低一些。

不过电路简单易行。
回复

使用道具 举报

发表于 2010-12-17 08:55 | 显示全部楼层
真的是大开眼界了。。太多的好东西哦
回复

使用道具 举报

本版积分规则

QQ|一淘宝店|手机版|商店|一乐电子 ( 粤ICP备09076165号 ) 公安备案粤公网安备 44522102000183号

GMT+8, 2026-3-11 08:36 , Processed in 0.033807 second(s), 27 queries , Gzip On.

Powered by Discuz! X3.5

© 2001-2025 Discuz! Team.

快速回复 返回顶部 返回列表