一乐电子

 找回密码
 请使用微信账号登录和注册会员

QQ登录

只需一步,快速开始

微信扫码登录

手机号码,快捷登录

手机号码,快捷登录

搜索
查看: 9648|回复: 41

老师们,进来看看这2个屏应该怎么驱动,急!

 火.. [复制链接]
发表于 2010-12-9 21:49 | 显示全部楼层 |阅读模式
小的货场有2K,大的拆机的有500片左右
在2元左右,拿了几块样品,但是现在试不了。明天中午要给答复!
这个应该怎么驱动,我只有驱动1602的板,没有其他了。能简易驱动吗?
nEO_IMG_DSCF0027.jpg
nEO_IMG_DSCF0028.jpg
nEO_IMG_DSCF0029.jpg
nEO_IMG_DSCF0030.jpg
nEO_IMG_DSCF0031.jpg
nEO_IMG_DSCF0032.jpg
nEO_IMG_DSCF0033.jpg
nEO_IMG_DSCF0034.jpg
nEO_IMG_DSCF0035.jpg
发表于 2010-12-9 21:59 | 显示全部楼层
160×32的点阵屏,没有用过,不知用的是什么芯片。我只用过12232屏,等高手?
回复

使用道具 举报

发表于 2010-12-9 22:16 | 显示全部楼层
上面那个BT21603V是兼容1602的,你可以直接飞线接到你的1602板上试验。顺便给你找到一份手册资料
BT21603.pdf (332.39 KB, 下载次数: 683)

下面那个16032手册在这里下载:http://www.topwaydisplay.com/Pub/AppNote/LM16032-AppNote-V0.2.pdf,手册上有典型应用电路,你可以用C52搭一个电路试验下,也很简单的,有例程,你抄到keil里编译一下写片试验就行。这个是好东西啊,带字库的,2元左右很超值,估计放坛里很快会抢光。
回复

使用道具 举报

发表于 2010-12-9 22:19 | 显示全部楼层
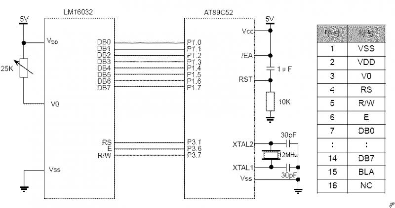
16032.PNG

这是手册上推荐的应用电路,找片51简单搭起电路就能测试了,NND,带字库,口水中,如果搞回来给俺留几片哦

连测试的HEX都给你编译好了,找片89C51/52或89S51/52烧进去试试吧。
test_16032.rar (1020 Bytes, 下载次数: 657)
回复

使用道具 举报

发表于 2010-12-9 22:21 | 显示全部楼层
上面那个BT21603V是兼容1602的,你可以直接飞线接到你的1602板上试验。顺便给你找到一份手册资料


下面 ...
fat 发表于 2010-12-9 22:16 https://www.yleee.com.cn/images/common/back.gif



    袖珍1602?OOO,这个俺喜欢!
回复

使用道具 举报

发表于 2010-12-9 22:23 | 显示全部楼层
这是手册上推荐的应用电路,找片51简单搭起电路就能测试了,NND,带字库,口水中,如果搞回来给俺留几片哦 ...
fat 发表于 2010-12-9 22:19 https://www.yleee.com.cn/images/common/back.gif



    这个稍有些大,不过带字库也算不错了,呵呵。{:3_472:}
回复

使用道具 举报

发表于 2010-12-9 22:24 | 显示全部楼层
赶快买回来吧,直接发到我这,我帮你发完货哈。
回复

使用道具 举报

发表于 2010-12-9 22:31 | 显示全部楼层
2元一个, 便宜啊, 快点上架, 进点
回复

使用道具 举报

发表于 2010-12-9 23:14 | 显示全部楼层
我也要啊!!!
回复

使用道具 举报

发表于 2010-12-9 23:21 | 显示全部楼层
尽快上架。。。。。俺要些。。。。

哦,不知楼主卖啥价呢。。
回复

使用道具 举报

本版积分规则

QQ|一淘宝店|手机版|商店|一乐电子 ( 粤ICP备09076165号 ) 公安备案粤公网安备 44522102000183号

GMT+8, 2025-11-25 10:15 , Processed in 0.039881 second(s), 30 queries , Gzip On.

Powered by Discuz! X3.5

© 2001-2025 Discuz! Team.

快速回复 返回顶部 返回列表